Запчасти Volvo A30C 10440 Compressor for cooling agent R134a with fitting parts A30C

Схема запчастей Volvo A30C - 10440 Compressor for cooling agent R134a with fitting parts A30C
FIT
1:1
100%

Артикул

Название

Примечание

Количество

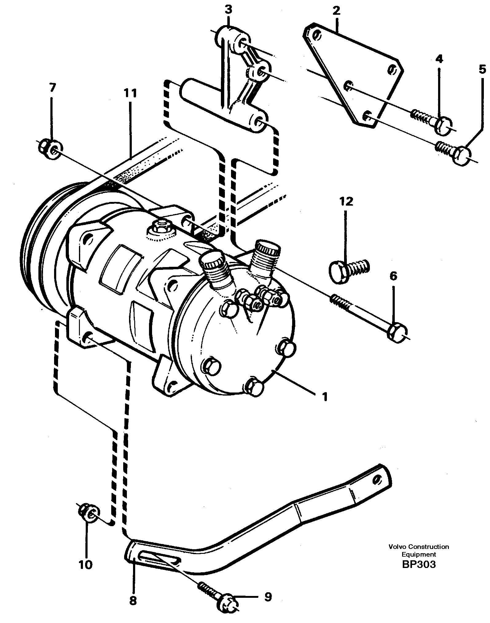
10

VOE 13971098

Flange nut

1шт.

10

VOE 13971098

Flange nut

1шт.

11

VOE 967116

Ремень клиновой (приводной)

1шт.

11

VOE 967116

Ремень клиновой (приводной)

1шт.

12

VOE 955577

Винт шестигранник

1шт.

12

VOE 955577

Винт шестигранник

1шт.

2

VOE 11061545

11061545

1шт.

3

VOE 11061544

11061544

1шт.

4

VOE 13970997

Винт шестигранник

1шт.

4

VOE 13970997

Винт шестигранник

1шт.

5

VOE 13955547

Болт

1шт.

5

VOE 13955547

Болт

1шт.

6

VOE 943795

Винт шестигранник (торцевой ключ)

1шт.

6

VOE 943795

Hex. socket screw

1шт.

7

VOE 13971098

Flange nut

1шт.

7

VOE 13971098

Flange nut

1шт.

8

VOE 11055135

Tensioner

1шт.

9

VOE 946472

Flange screw

1шт.

9

VOE 946472

Flange screw

1шт.

Выбрано товаров: 19