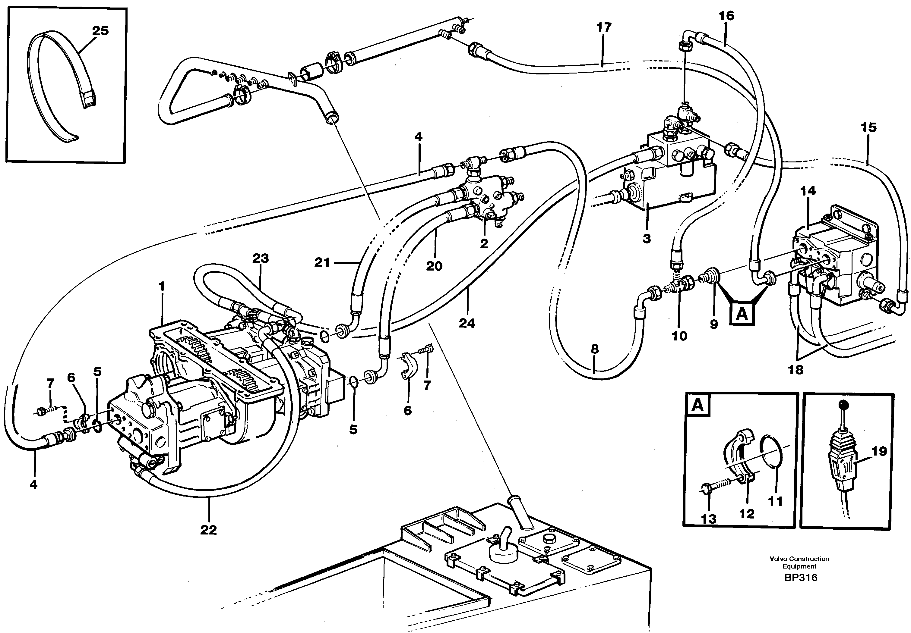
Запчасти Volvo A30C 55122 Tipping system, motor unit A30C

Схема запчастей Volvo A30C - 55122 Tipping system, motor unit A30C
FIT
1:1
100%

Артикул

Название

Примечание

Количество

10

VOE 4881535

Clutch

1шт.

11

VOE 13948700

Кольцо уплотнительное (О-кольцо)

1шт.

11

VOE 13948700

Кольцо уплотнительное (О-кольцо)

1шт.

12

VOE 927947

Flange half

1шт.

12

VOE 927947

Flange half

1шт.

13

VOE 946472

Flange screw

1шт.

13

VOE 946472

Flange screw

1шт.

15

VOE 13932703

Hose assembly

L=700MM

1шт.

15

VOE 13932703

Hose assembly

L=700MM

1шт.

16

VOE 11062699

Hydraulic hose

L=400MM

1шт.

17

VOE 13932572

Hose assembly

L=900MM

1шт.

20

VOE 13932580

Hose assembly

L=1900MM

1шт.

21

VOE 13932579

Hose assembly

L=1700MM

1шт.

22

VOE 932383

Hose assembly

L=800MM

1шт.

22

VOE 932383

Hose assembly

L=800MM

1шт.

23

VOE 13932100

Hose assembly

L=300MM

1шт.

23

VOE 13932100

Hose assembly

L=300MM

1шт.

24

VOE 13932106

Hose assembly

L=2400MM

1шт.

24

VOE 13932106

Hose assembly

L=2400MM

1шт.

25

VOE 11104606

Retaining strap

1шт.

25

VOE 11104606

Retaining strap

1шт.

4

VOE 13932576

Hose assembly

L=2700MM

1шт.

5

VOE 13948700

Кольцо уплотнительное (О-кольцо)

1шт.

5

VOE 13948700

Кольцо уплотнительное (О-кольцо)

1шт.

6

VOE 927947

Flange half

1шт.

6

VOE 927947

Flange half

1шт.

7

VOE 955535

Винт шестигранник

1шт.

7

VOE 955535

Винт шестигранник

1шт.

8

VOE 11062698

Hydraulic hose

L=1050MM

1шт.

9

VOE 11061037

Nipple

1шт.

Выбрано товаров: 30