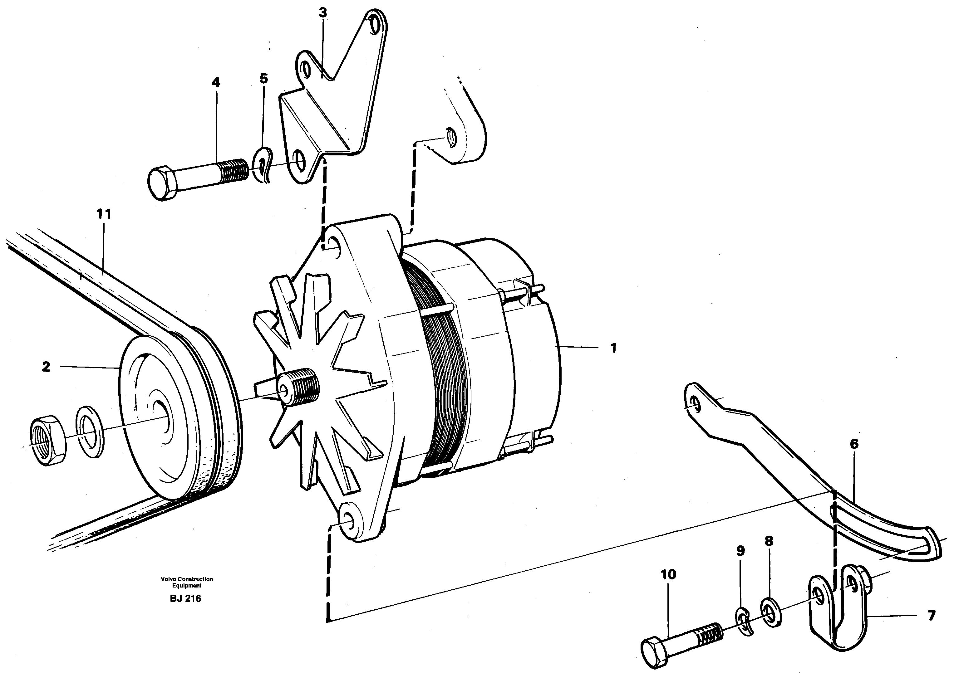
Запчасти Volvo A30C 11253 Alternator with assembling details A30C VOLVO BM VOLVO BM A30C SER NO - 2320/- 2275, USA

Схема запчастей Volvo A30C - 11253 Alternator with assembling details A30C VOLVO BM VOLVO BM A30C SER NO - 2320/- 2275, USA
FIT
1:1
100%

Артикул

Название

Примечание

Количество

10

VOE 955299

Винт шестигранник

1шт.

10

VOE 955299

Винт шестигранник

1шт.

11

VOE 11117427

Ремень клиновой (приводной)

TYP HC 38 X 1300 X 2

1шт.

2

VOE 822573

Шкив

1шт.

2

VOE 822573

Шкив

1шт.

3

VOE 1082911

Support Plate

1шт.

3

VOE 1082911

Support Plate

1шт.

4

VOE 971005

Винт шестигранник

1шт.

4

VOE 971005

Винт шестигранник

1шт.

5

VOE 941911

Шайба пружинная

1шт.

5

VOE 941911

Шайба пружинная

1шт.

6

VOE 4778400

Tensioner

1шт.

7

VOE 466735

Brace

1шт.

7

VOE 466735

Brace

1шт.

8

VOE 191172

Шайба

1шт.

8

VOE 191172

Шайба

1шт.

9

VOE 13941907

Шайба пружинная

1шт.

9

VOE 13941907

Шайба

1шт.

Выбрано товаров: 18