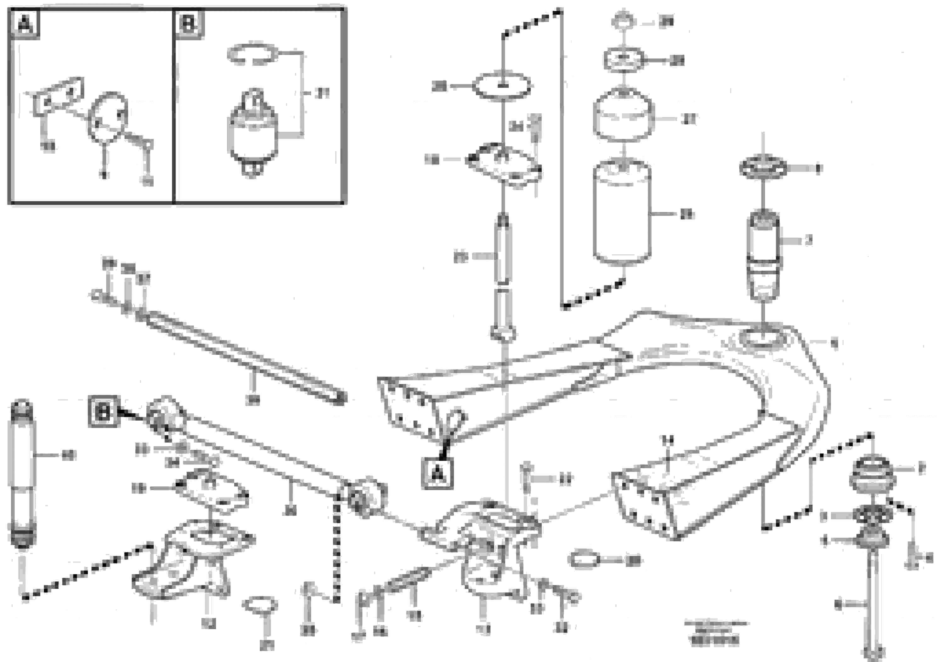
Запчасти Volvo A30E 69922 Front axle suspension

Схема запчастей Volvo A30E - 69922 Front axle suspension
FIT
1:1
100%

Артикул

Название

Примечание

Количество

VOE 11055609

Шайба

1шт.

VOE 11055609

Шайба

1шт.

VOE 13930842

Шайба

1шт.

VOE 13930842

Шайба

1шт.

1

VOE 11191491

Опора

1шт.

10

VOE 11054617

Flat bar

1шт.

11

VOE 946329

Flange screw

1шт.

11

VOE 946329

Flange screw

1шт.

12

VOE 11190683

Кронштейн

1шт.

13

VOE 11191344

Кронштейн

1шт.

14

VOE 11120622

Nut washer

1шт.

15

VOE 11120623

Шпилька

1шт.

16

VOE 11055610

Шайба

1шт.

16

VOE 11055610

Шайба

1шт.

17

VOE 955787

Hexagon nut

1шт.

17

VOE 955787

Hexagon nut

1шт.

18

VOE 11120143

Кронштейн

LH

1шт.

19

VOE 11120632

Кронштейн

RH

1шт.

2

VOE 11195403

Rubber element

1шт.

20

VOE 11120934

Rubber plate

1шт.

21

VOE 11120934

Rubber plate

1шт.

22

VOE 968435

Flange screw

1шт.

22

VOE 968435

Flange screw

1шт.

23

VOE 15045377

Палец

1шт.

24

VOE 13965193

Болт

1шт.

24

VOE 13965193

Screw

1шт.

25

VOE 11117626

Шайба

1шт.

26

VOE 11116402

Rubber element

1шт.

26

VOE 11116402

Rubber element

1шт.

27

VOE 11118574

Rubber element

1шт.

28

VOE 4737186

Шайба

1шт.

28

VOE 4737186

Шайба

1шт.

29

VOE 963111

Lock nut

1шт.

29

VOE 963111

Lock nut

1шт.

3

VOE 11120601

Шайба

1шт.

30

VOE 11120289

Cross stay

1шт.

31

VOE 11708845

Ремкомплект

1шт.

32

VOE 963350

Винт шестигранник

1шт.

32

VOE 963350

Винт шестигранник

1шт.

33

VOE 11055609

Шайба

1шт.

33

VOE 11055609

Шайба

1шт.

34

VOE 963348

Винт шестигранник

1шт.

34

VOE 963348

Винт шестигранник

1шт.

35

VOE 13976433

Flange nut

1шт.

35

VOE 13976433

Flange nut

1шт.

36

VOE 11191356

Опора

1шт.

37

VOE 11191357

Шайба

1шт.

38

VOE 955903

Шайба

1шт.

38

VOE 955903

Шайба

1шт.

39

VOE 955399

Винт шестигранник

1шт.

4

VOE 13965187

Screw

1шт.

4

VOE 13965187

Болт

1шт.

40

VOE 11121119

Shock absorber

1шт.

5

VOE 11055610

Шайба

1шт.

5

VOE 11055610

Шайба

1шт.

6

VOE 11191366

Болт

1шт.

8

VOE 11060537

Шайба

1шт.

9

VOE 11054616

Крышка

1шт.

Выбрано товаров: 58