Запчасти Volvo A30E 66027 Головка блока цилиндров

Схема запчастей Volvo A30E - 66027 Головка блока цилиндров
FIT
1:1
100%

Артикул

Название

Примечание

Количество

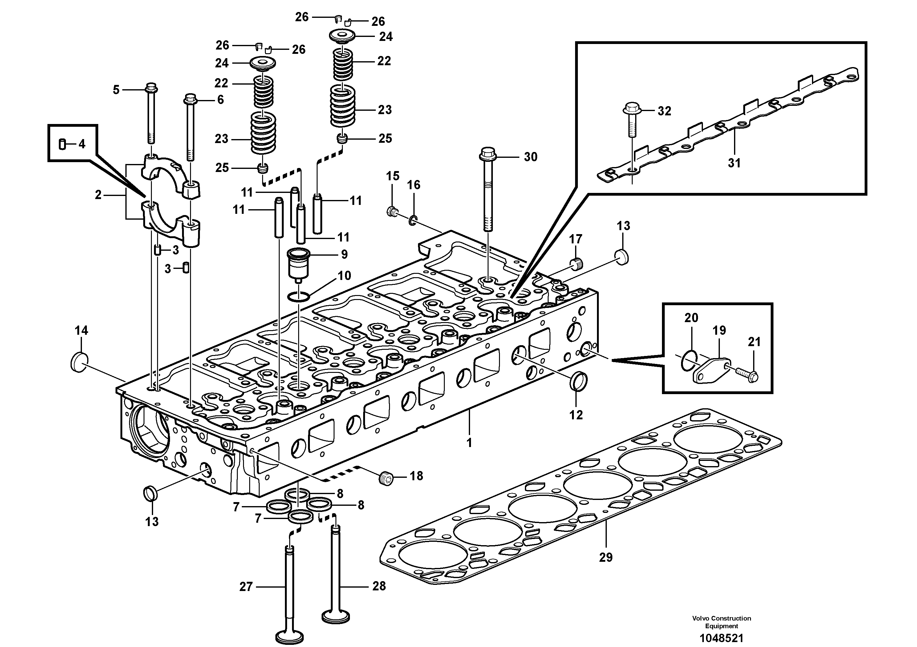
1

VOE 21347082

Головка блока цилиндров

1шт.

1

VOE 20805355

Головка блока цилиндров

1шт.

10

VOE 20536487

Кольцо уплотнительное (О-кольцо)

1шт.

10

VOE 20536487

Кольцо уплотнительное (О-кольцо)

1шт.

11

VOE 20905400

Valve guide

1шт.

11

VOE 20905400

Valve guide

1шт.

12

VOE 24426722

Cap plug

OD = 40 MM

1шт.

13

VOE 24426721

Cap plug

OD = 29 MM

1шт.

14

VOE 24426723

Cap plug

OD = 50 MM

1шт.

15

VOE 960628

Пробка (заглушка)

1шт.

16

VOE 13947281

Прокладка

1шт.

16

VOE 13947281

Прокладка

1шт.

17

VOE 13968062

Пробка (заглушка)

1шт.

17

VOE 13968062

Пробка (заглушка)

1шт.

18

VOE 968060

Пробка (заглушка)

1шт.

19

VOE 20451868

Пробка (заглушка)

1шт.

2

VOE 20411303

Bearing Housing

KIT

1шт.

20

VOE 949658

Кольцо уплотнительное (О-кольцо)

1шт.

20

VOE 949658

Кольцо уплотнительное (О-кольцо)

1шт.

21

VOE 946440

Flange screw

L = 16 MM

1шт.

21

VOE 946440

Flange screw

L = 16 MM

1шт.

21

VOE 13946173

Screw

L = 20 MM

1шт.

21

VOE 13946173

Болт

L = 20 MM

1шт.

22

VOE 3183211

Пружина клапана

1шт.

22

VOE 3183211

Пружина клапана

1шт.

23

VOE 21310068

Пружина клапана

1шт.

24

VOE 20510743

Valve spring washer

1шт.

25

VOE 859171

Valve seal

1шт.

25

VOE 859171

Valve seal

1шт.

25

VOE 20864662

Valve seal

1шт.

26

VOE 20510747

Valve cotter

1шт.

27

VOE 20528113

Клапан впускной

1шт.

28

VOE 20570965

Клапан выпускной

1шт.

28

VOE 20564039

Клапан выпускной

1шт.

29

VOE 20495935

Прокладка головки цилиндра

1шт.

3

VOE 422426

Палец

1шт.

30

VOE 1547419

Болт

1шт.

30

VOE 1547419

Болт

1шт.

31

VOE 20563234

Кронштейн

1шт.

32

VOE 13944926

Болт

1шт.

32

VOE 13944926

Болт

1шт.

4

VOE 950542

Палец

1шт.

5

VOE 13975105

Flange screw

1шт.

5

VOE 13975105

Flange screw

1шт.

6

VOE 20412482

Flange screw

1шт.

7

VOE 20522783

Valve seat

INLET

1шт.

8

VOE 20528265

Valve seat

1шт.

8

VOE 21087847

Valve seat

EXHAUST

1шт.

9

VOE 3183368

Втулка (распорная)

1шт.

9

VOE 3183368

Втулка (распорная)

1шт.

Выбрано товаров: 50