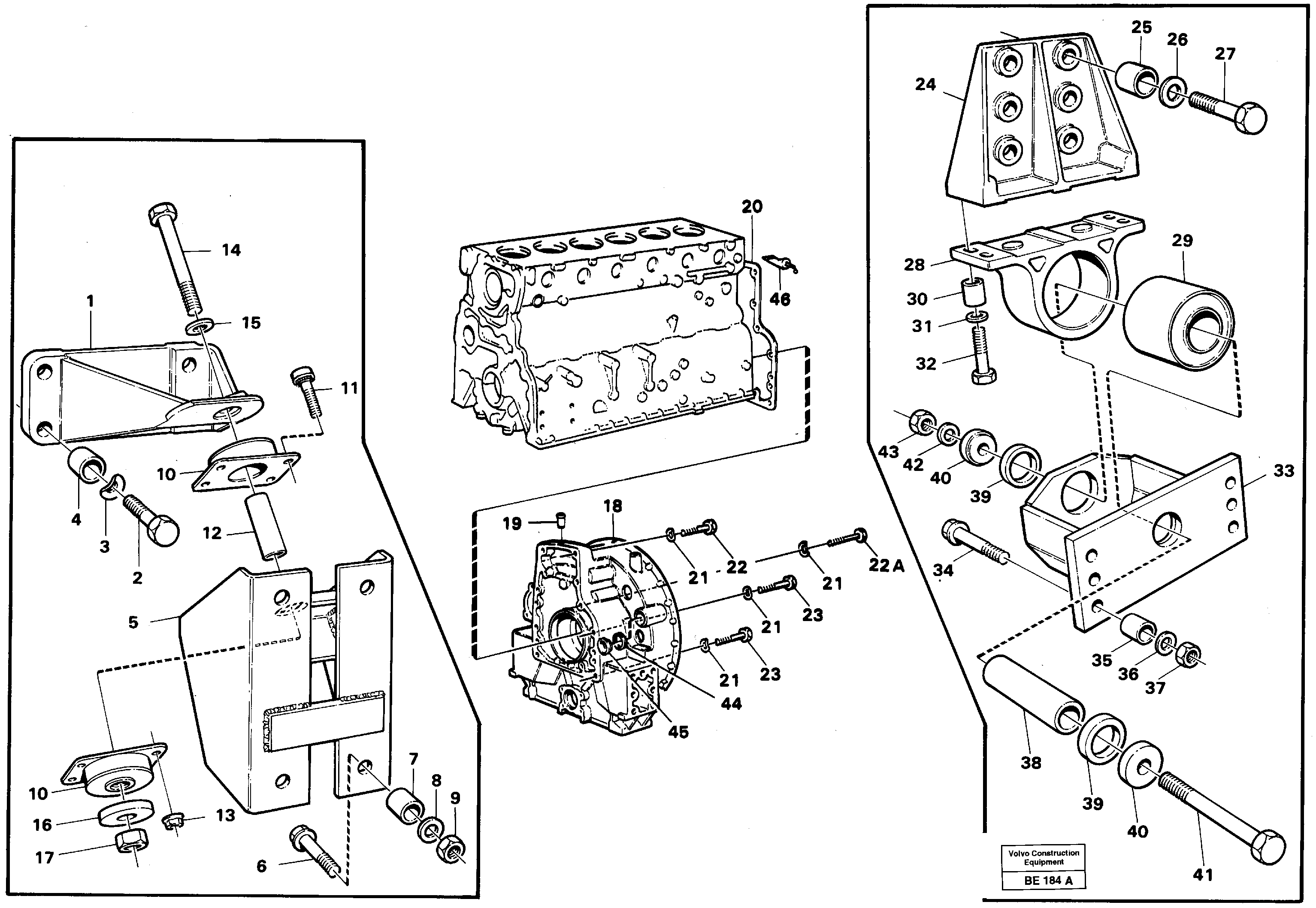
Запчасти Volvo A35 Volvo BM A35 58188 Опора двигателя и картер маховика

Схема запчастей Volvo A35 Volvo BM A35 - 58188 Опора двигателя и картер маховика
FIT
1:1
100%

Артикул

Название

Примечание

Количество

VOE 11713514

Sealant

1шт.

VOE 11713514

Sealant

1шт.

VOE 11049782

Rubber cushion

1шт.

VOE 468316

Engine anchorage

RH

1шт.

1

VOE 468317

Engine anchorage

LH

1шт.

10

VOE 1623745

Rubber cushion

1шт.

11

VOE 1273979

Болт

1шт.

12

VOE 1501002

Spacer sleeve

1шт.

13

VOE 13971098

Flange nut

1шт.

13

VOE 13971098

Flange nut

1шт.

14

VOE 13955378

Болт

1шт.

14

VOE 13955378

Болт

1шт.

15

VOE 13955900

Шайба

1шт.

15

VOE 13955900

Шайба

1шт.

16

VOE 4737225

4737225

1шт.

17

VOE 945884

Lock nut

1шт.

17

VOE 945884

Lock nut

1шт.

19

VOE 739393

Трубка

1шт.

19

VOE 739393

Трубка

1шт.

2

VOE 955581

Винт шестигранник

1шт.

2

VOE 955581

Винт шестигранник

1шт.

20

VOE 424621

Прокладка

1шт.

20

VOE 424621

Прокладка

1шт.

21

VOE 941911

Шайба пружинная

1шт.

21

VOE 941911

Шайба пружинная

1шт.

22

VOE 955582

Винт шестигранник

L = 70

1шт.

22

VOE 955582

Винт шестигранник

L = 70

1шт.

22A

VOE 955580

Винт шестигранник

L = 57

1шт.

22A

VOE 955580

Винт шестигранник

L = 57

1шт.

23

VOE 955587

Винт шестигранник

L = 102

1шт.

23

VOE 955587

Болт

L = 102

1шт.

24

VOE 4943522

4943522

1шт.

25

VOE 4943178

Spacer ring

1шт.

25

VOE 4943178

Spacer ring

1шт.

26

VOE 13955900

Шайба

1шт.

26

VOE 13955900

Шайба

1шт.

27

VOE 955373

Винт шестигранник

1шт.

27

VOE 955373

Винт шестигранник

1шт.

28

VOE 4823094

4823094

1шт.

29

VOE 4946937

Rubber bushing

1шт.

3

VOE 941911

Шайба пружинная

1шт.

3

VOE 941911

Шайба пружинная

1шт.

30

VOE 4943382

Spacer ring

1шт.

31

VOE 955899

Шайба

1шт.

31

VOE 955899

Шайба

1шт.

32

VOE 13971001

Винт шестигранник

1шт.

32

VOE 13971001

Винт шестигранник

1шт.

33

VOE 11054896

Engine anchorage

1шт.

34

VOE 965195

Flange screw

1шт.

34

VOE 965195

Flange screw

1шт.

35

VOE 4861316

Spacer ring

1шт.

35

VOE 4861316

Spacer ring

1шт.

36

VOE 13955897

Шайба

1шт.

36

VOE 13955897

Шайба

1шт.

37

VOE 13971084

Lock nut

1шт.

37

VOE 13971084

Lock nut

1шт.

38

VOE 4863147

Tubular shaft

1шт.

39

VOE 4863148

Guide sleeve

1шт.

40

VOE 4863149

Шайба

1шт.

41

VOE 13955382

Болт

1шт.

42

VOE 13955900

Шайба

1шт.

42

VOE 13955900

Шайба

1шт.

43

VOE 945884

Lock nut

1шт.

43

VOE 945884

Lock nut

1шт.

44

VOE 1556907

Прокладка

SER NO 1009-

1шт.

44

VOE 1556907

Прокладка

SER NO 1009-

1шт.

45

VOE 467367

Пробка (заглушка)

SER NO 1009-

1шт.

45

VOE 467367

Пробка (заглушка)

SER NO 1009-

1шт.

46

VOE 1161277

Sealant

1шт.

46

VOE 1161277

Sealant

1шт.

5

VOE 4946441

Engine anchorage

SER NO - 1335

1шт.

6

VOE 13965194

Screw

SER NO - 1335

1шт.

6

VOE 13965194

Болт

SER NO - 1335

1шт.

7

VOE 4861316

Spacer ring

SER NO - 1335

1шт.

7

VOE 4861316

Spacer ring

SER NO - 1335

1шт.

8

VOE 13955897

Шайба

SER NO - 1335

1шт.

8

VOE 13955897

Шайба

SER NO - 1335

1шт.

9

VOE 13971084

Lock nut

SER NO - 1335

1шт.

9

VOE 13971084

Lock nut

SER NO - 1335

1шт.

Выбрано товаров: 79