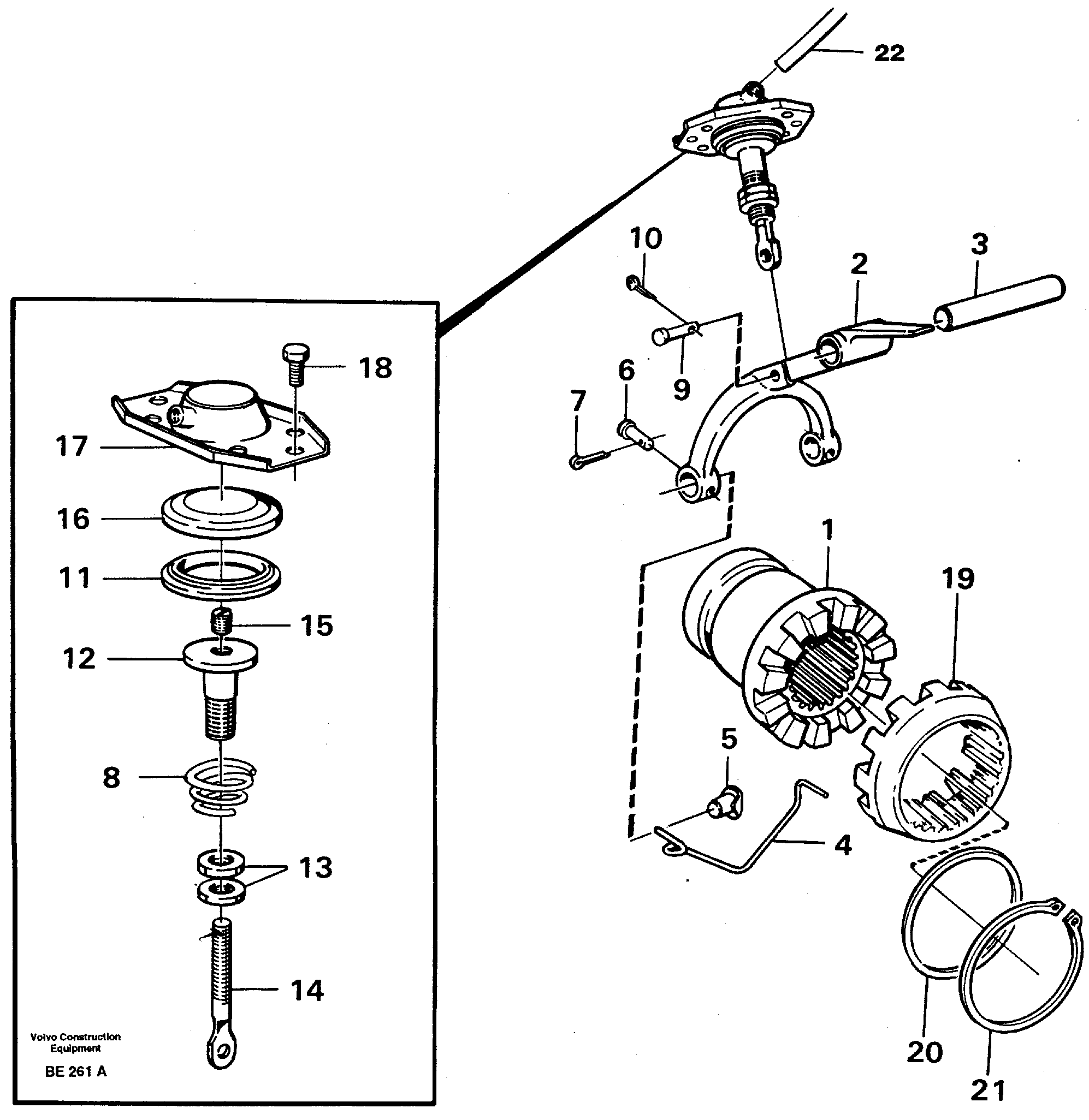
Запчасти Volvo A35 Volvo BM A35 22916 Differential lock

Схема запчастей Volvo A35 Volvo BM A35 - 22916 Differential lock
FIT
1:1
100%

Артикул

Название

Примечание

Количество

VOE 1523084

Lock brace

AX 6000 -

1шт.

VOE 1523084

Lock brace

AX 6000 -

1шт.

VOE 1523087

Палец

AX 6000 -

1шт.

VOE 11035448

Selector bar

AX 30204 -

1шт.

VOE 11035448

Selector bar

AX 30204 -

1шт.

VOE 13962985

установочный винт

AX 30204 -

1шт.

VOE 13962985

установочный винт

AX 30204 -

1шт.

1

VOE 1522135

Companion flange

1шт.

1

VOE 1522135

Companion flange

1шт.

10

VOE 907822

Cotter Pin

1шт.

11

VOE 383988

Diaphragm seat

1шт.

11

VOE 383988

Diaphragm seat

1шт.

12

VOE 383971

Diaphragm sleeve

1шт.

12

VOE 383971

Diaphragm sleeve

1шт.

13

VOE 957018

Hexagon nut

1шт.

13

VOE 957018

Hexagon nut

1шт.

14

VOE 4717707

Bar

AX - 30203

1шт.

14

VOE 4717707

Bar

AX - 30203

1шт.

15

VOE 4869287

Болт

AX - 30203

1шт.

15

VOE 4869287

Болт

AX - 30203

1шт.

16

VOE 383972

Diaphragm

1шт.

16

VOE 383972

Diaphragm

1шт.

17

VOE 11034637

Крышка

1шт.

17

VOE 11034637

Cover

1шт.

18

VOE 955269

Винт шестигранник

1шт.

18

VOE 955269

Винт шестигранник

1шт.

19

VOE 1522134

Companion flange

1шт.

19

VOE 1522134

Companion flange

1шт.

2

VOE 1523080

Selector fork

1шт.

2

VOE 1523080

Selector fork

1шт.

20

VOE 1522102

Шайба

1шт.

20

VOE 1522102

Шайба

1шт.

21

VOE 945506

Retaining ring

1шт.

21

VOE 945506

Кольцо стопорное

1шт.

3

VOE 384135

Selector rail

1шт.

3

VOE 384135

Selector rail

1шт.

4

VOE 7384125

Lock brace

AX - 5999

1шт.

5

VOE 7384124

7384124

AX - 5999

1шт.

6

VOE 952694

Clevis pin

AX - 5999

1шт.

6

VOE 952694

Болт

AX - 5999

1шт.

7

VOE 907816

Cotter Pin

AX - 5999

1шт.

8

VOE 1523094

Return spring

1шт.

8

VOE 1523094

Return spring

1шт.

9

VOE 13964845

Болт

1шт.

9

VOE 13964845

Clevis pin

1шт.

Выбрано товаров: 45