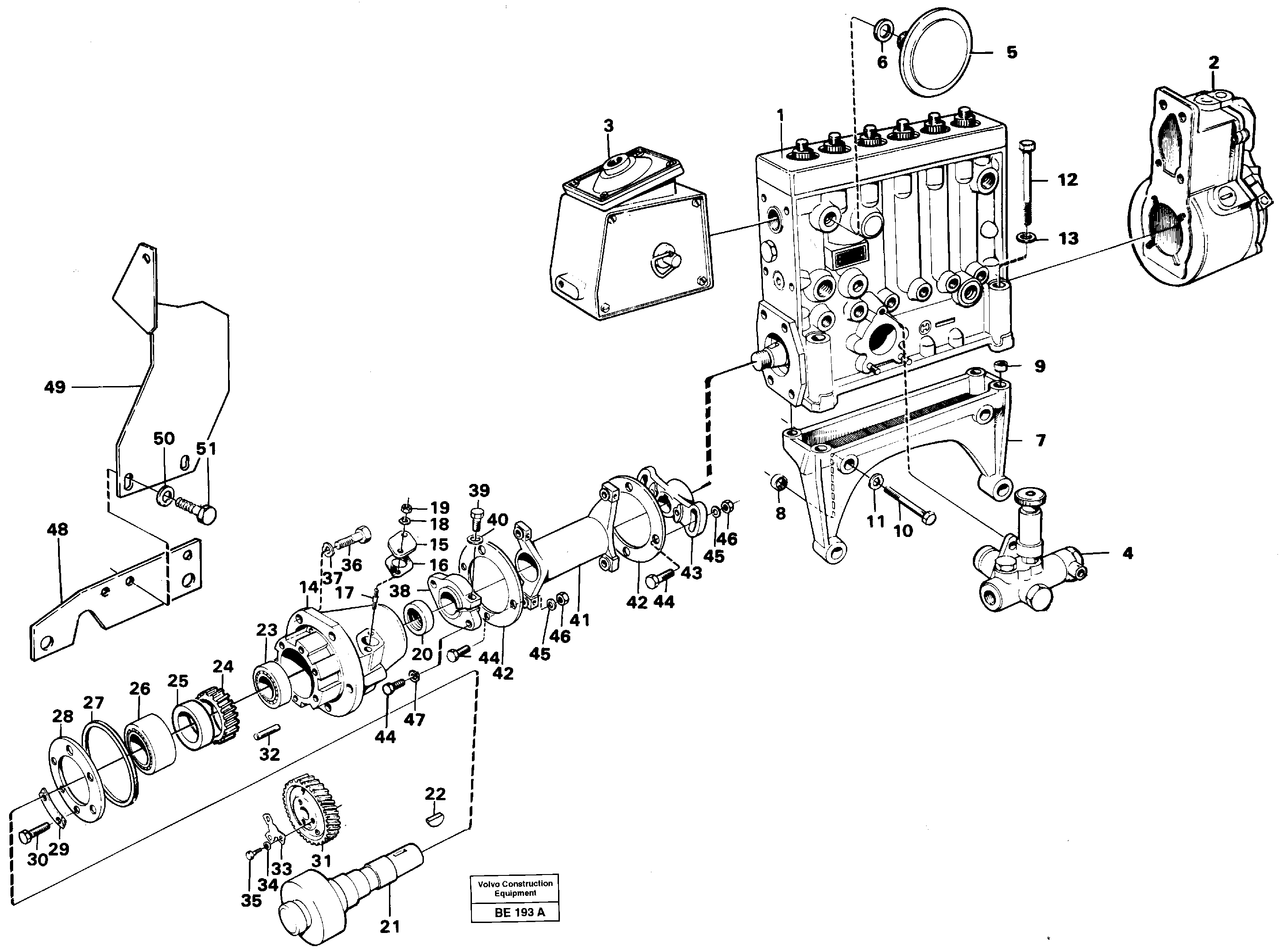
Запчасти Volvo A35 Volvo BM A35 88425 Привод топливного насоса высокого давления (ТНВД)

Схема запчастей Volvo A35 Volvo BM A35 - 88425 Привод топливного насоса высокого давления (ТНВД)
FIT
1:1
100%

Артикул

Название

Примечание

Количество

VOE 11031515

Насос

TD 122 GA

1шт.

VOE 955567

Болт

1шт.

VOE 955567

Винт шестигранник

1шт.

VOE 471558

Болт

ENG 18713 -

1шт.

VOE 471558

Болт

ENG 18713 -

1шт.

VOE 478297

Gear

ENG 160261 -

1шт.

VOE 478297

Gear

ENG 160261 -

1шт.

VOE 955892

Шайба

ENG 18713 -

1шт.

VOE 955892

Шайба

ENG 18713 -

1шт.

VOE 955896

Шайба

1шт.

VOE 955896

Шайба

1шт.

VOE 471557

Вал

ENG 18713 -

1шт.

VOE 13940159

Болт

ENG 18713 -

1шт.

VOE 13940159

Болт

ENG 18713 -

1шт.

VOE 13969011

Прокладка

TD 122 GA

1шт.

VOE 13969011

Прокладка

TD 122 GA

1шт.

VOE 955274

Винт шестигранник

ENG 18713 -

1шт.

VOE 955274

Винт шестигранник

ENG 18713 -

1шт.

VOE 4881727

Насос

TD 121 G

1шт.

VOE 420903

Bearing housing

ENG 18713 -

1шт.

1

VOE 6213677

Насос

1шт.

10

VOE 955566

Винт шестигранник

1шт.

10

VOE 955566

Винт шестигранник

1шт.

11

VOE 940280

Шайба пружинная

1шт.

11

VOE 940280

Шайба пружинная

1шт.

12

VOE 940156

Болт

1шт.

12

VOE 940156

Винт шестигранник

1шт.

13

VOE 190509

Шайба

1шт.

13

VOE 190509

Шайба

1шт.

14

VOE 469210

Bearing housing

ENG - 18712

1шт.

16

VOE 422130

Прокладка

1шт.

16

VOE 422130

Прокладка

1шт.

17

VOE 953224

Шпилька

1шт.

18

VOE 13941906

Шайба

1шт.

18

VOE 13941906

Шайба

1шт.

19

VOE 955825

Hexagon nut

1шт.

19

VOE 955825

Гайка

1шт.

20

VOE 424580

Сальник

1шт.

21

VOE 422073

Вал

ENG - 18712

1шт.

22

VOE 422329

Key

ENG - 150789

1шт.

23

VOE 7011013

Подшипник

1шт.

23

VOE 7011013

Подшипник

1шт.

24

VOE 469364

Drive Gear

1шт.

25

VOE 469363

Stop ring

1шт.

26

VOE 11000284

Ball bearing

1шт.

27

VOE 423123

Кольцо уплотнительное

1шт.

27

VOE 423123

Кольцо уплотнительное

1шт.

28

VOE 423074

Шайба

1шт.

29

VOE 421415

Стопорная шайба (кольцо)

ENG - 18712

1шт.

30

VOE 940100

Винт шестигранник

ENG - 18712

1шт.

30

VOE 940100

Винт шестигранник

ENG - 18712

1шт.

31

VOE 423079

Gear

ENG - 160260

1шт.

31

VOE 423079

Gear

ENG - 160260

1шт.

32

VOE 950586

950586

1шт.

33

VOE 467052

Стопорная шайба (кольцо)

1шт.

33

VOE 467052

Стопорная шайба (кольцо)

1шт.

34

VOE 13942336

Шайба пружинная

1шт.

34

VOE 13942336

Шайба пружинная

1шт.

35

VOE 13955675

Болт

ENG - 18712

1шт.

35

VOE 13955675

Болт

ENG - 18712

1шт.

36

VOE 955525

Винт шестигранник

ENG - 18712

1шт.

36

VOE 955525

Винт шестигранник

ENG - 18712

1шт.

37

VOE 13941907

Шайба пружинная

1шт.

37

VOE 13941907

Шайба

1шт.

38

VOE 471383

Companion flange

1шт.

39

VOE 13970878

Винт шестигранник

1шт.

39

VOE 13970878

Винт шестигранник

1шт.

40

VOE 976945

Шайба

1шт.

40

VOE 976945

Шайба

1шт.

41

VOE 471366

Вставка

1шт.

42

VOE 479459

Companion disc

1шт.

43

VOE 471312

Companion flange

1шт.

44

VOE 946470

Flange screw

1шт.

44

VOE 946470

Flange screw

1шт.

45

VOE 478896

Втулка (распорная)

1шт.

45

VOE 478896

Втулка (распорная)

1шт.

46

VOE 13945408

Гайка

1шт.

46

VOE 13945408

Гайка

1шт.

47

VOE 976944

Шайба

1шт.

47

VOE 976944

Шайба

1шт.

48

VOE 11031088

11031088

SER NO 1180 -

1шт.

49

VOE 11050020

Protecting plate

SER NO 1180 -

1шт.

5

VOE 477173

Pressure equalizer

1шт.

5

VOE 477173

Pressure equalizer

1шт.

50

VOE 13946173

Screw

SER NO 1180 -

1шт.

50

VOE 13946173

Болт

SER NO 1180 -

1шт.

51

VOE 925760

Шайба

SER NO 1180 -

1шт.

51

VOE 925760

Шайба

SER NO 1180 -

1шт.

6

VOE 13947621

Plane gasket

TD 121 G

1шт.

6

VOE 13947621

Plane gasket

TD 121 G

1шт.

7

VOE 478647

478647

1шт.

8

VOE 423161

Guide sleeve

(7423161)

1шт.

8

VOE 423161

Guide sleeve

(7423161)

1шт.

9

VOE 417588

Guide sleeve

1шт.

9

VOE 417588

Guide sleeve

1шт.

Выбрано товаров: 95