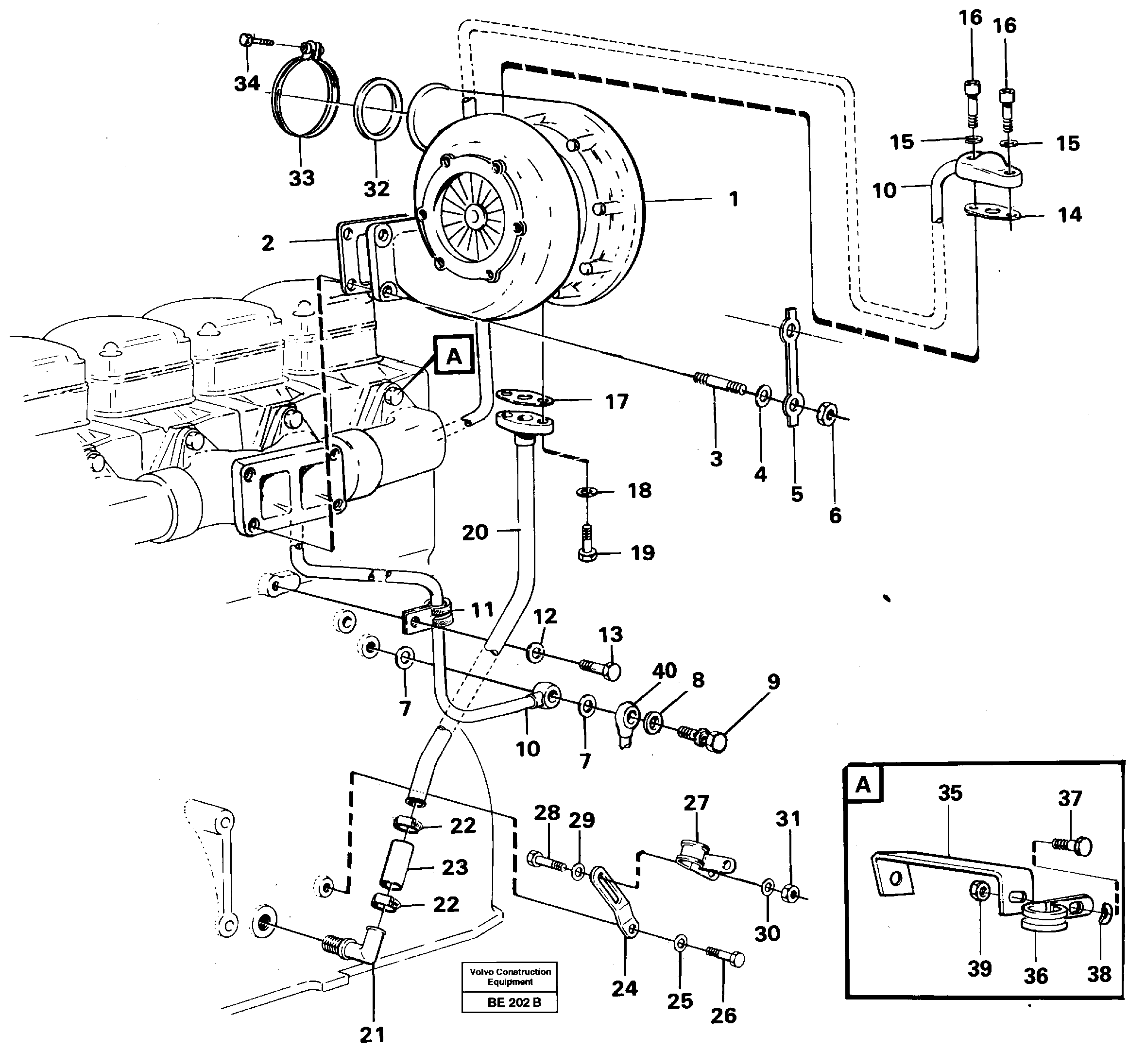
Запчасти Volvo A35 Volvo BM A35 67538 Турбокомпрессор (турбина) с установочными деталями

Схема запчастей Volvo A35 Volvo BM A35 - 67538 Турбокомпрессор (турбина) с установочными деталями
FIT
1:1
100%

Артикул

Название

Примечание

Количество

VOE 470537

Hollow Screw

ENG 205558 -

1шт.

VOE 11031507

Oil feed pipe

TD 122 GA

1шт.

VOE 955297

Винт шестигранник

1шт.

VOE 955297

Винт шестигранник

1шт.

10

VOE 470664

Delivery pipe

TD 121 G

1шт.

11

VOE 13946834

Зажим

1шт.

11

VOE 13946834

Зажим

1шт.

12

VOE 13942336

Шайба пружинная

1шт.

12

VOE 13942336

Шайба пружинная

1шт.

13

VOE 955534

Винт шестигранник

L = 19

1шт.

13

VOE 955534

Винт шестигранник

L = 19

1шт.

14

VOE 420641

Прокладка

1шт.

14

VOE 420641

Прокладка

1шт.

15

VOE 13941907

Шайба пружинная

1шт.

15

VOE 13941907

Шайба

1шт.

16

VOE 940142

Винт шестигранник

1шт.

16

VOE 940142

Винт шестигранник

1шт.

17

VOE 420643

Прокладка

1шт.

17

VOE 420643

Прокладка

1шт.

18

VOE 13955295

Болт

L = 20

1шт.

18

VOE 13955295

Болт

L = 20

1шт.

19

VOE 13941907

Шайба пружинная

1шт.

19

VOE 13941907

Шайба

1шт.

2

VOE 470939

Прокладка

1шт.

2

VOE 470939

Прокладка

1шт.

20

VOE 4778449

Return pipe

1шт.

21

VOE 479959

Nipple

1шт.

22

VOE 13943474

Hose clamp

1шт.

23

VOE 466328

Шланг

1шт.

24

VOE 414692

Кронштейн

1шт.

25

VOE 13942336

Шайба пружинная

1шт.

25

VOE 13942336

Шайба пружинная

1шт.

26

VOE 955534

Винт шестигранник

1шт.

26

VOE 955534

Винт шестигранник

1шт.

27

VOE 952632

Зажим

1шт.

27

VOE 952632

Зажим

1шт.

28

VOE 950046

Болт

1шт.

28

VOE 950046

Cross recessed screw

1шт.

29

VOE 955893

Шайба

1шт.

29

VOE 955893

Шайба

1шт.

3

VOE 478345

Шпилька

1шт.

30

VOE 13941906

Шайба

1шт.

30

VOE 13941906

Шайба

1шт.

31

VOE 955825

Hexagon nut

1шт.

31

VOE 955825

Гайка

1шт.

32

VOE 1542781

Кольцо уплотнительное

1шт.

32

VOE 1542781

Кольцо уплотнительное

1шт.

33

VOE 1542778

Зажим

1шт.

33

VOE 1542778

Зажим

1шт.

34

VOE 13949335

Болт

1шт.

34

VOE 13949335

Болт

1шт.

35

VOE 11031690

11031690

1шт.

36

VOE 13968200

Зажим

1шт.

37

VOE 940100

Винт шестигранник

1шт.

37

VOE 940100

Винт шестигранник

1шт.

38

VOE 13941906

Шайба

1шт.

38

VOE 13941906

Шайба

1шт.

39

VOE 955825

Hexagon nut

1шт.

39

VOE 955825

Гайка

1шт.

4

VOE 470467

Втулка (распорная)

1шт.

5

VOE 468219

Стопорная шайба (кольцо)

DELETED

1шт.

6

VOE 478346

Гайка

1шт.

7

VOE 11700303

Сальник

1шт.

8

VOE 942703

Прокладка

1шт.

8

VOE 942703

Прокладка

1шт.

9

VOE 4946629

Hollow screw

ENG - 205557

1шт.

Выбрано товаров: 66