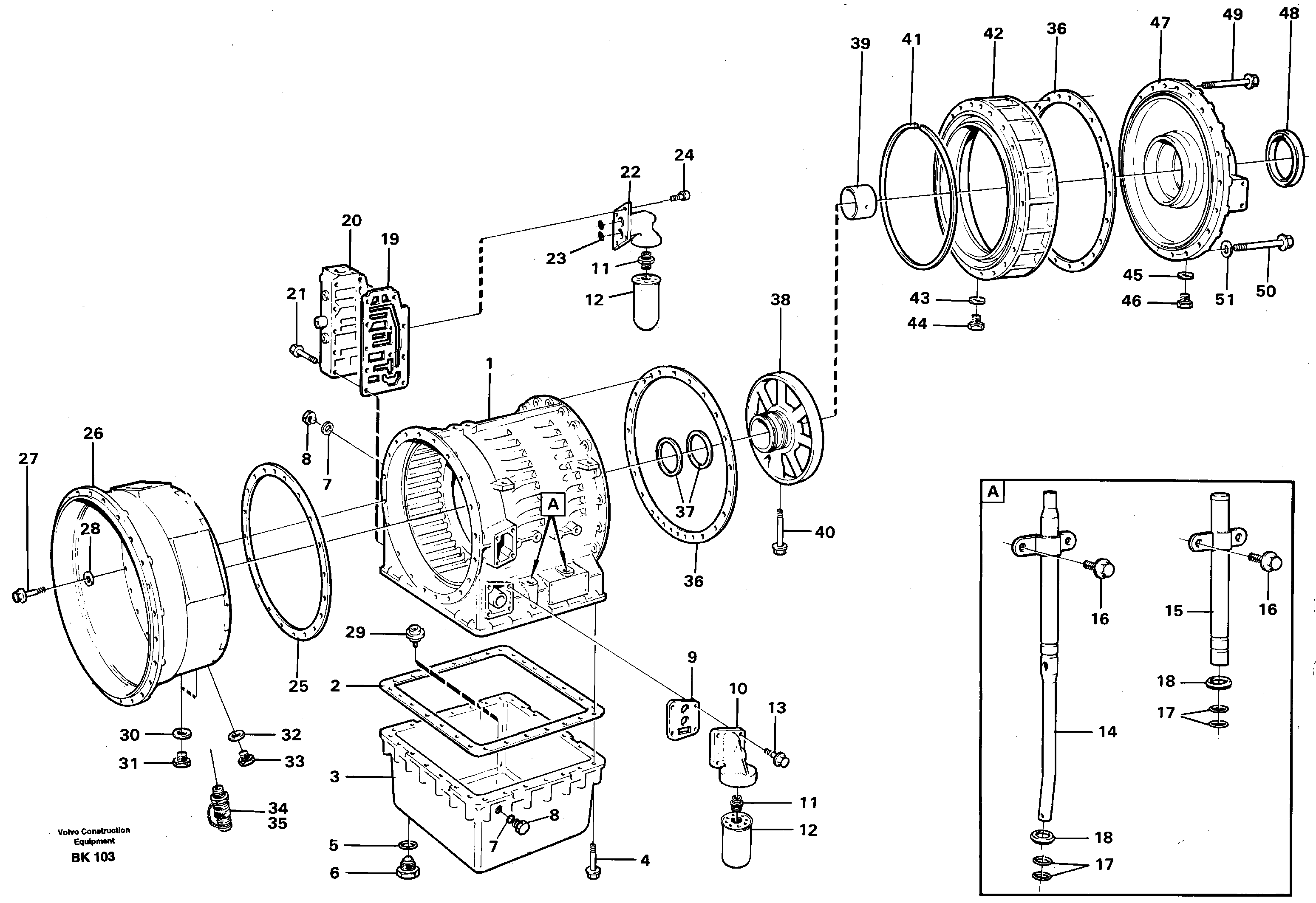
Запчасти Volvo A35C 97819 катрер трансмиссии A35C VOLVO BM VOLVO BM A35C SER NO - 4620

Схема запчастей Volvo A35C - 97819 катрер трансмиссии A35C VOLVO BM VOLVO BM A35C SER NO - 4620
FIT
1:1
100%

Артикул

Название

Примечание

Количество

VOE 13965182

Болт

M8x80

1шт.

VOE 13965182

Screw

M8x80

1шт.

VOE 931216

Back-up ring

1шт.

VOE 931216

Back-up ring

1шт.

VOE 968060

Пробка (заглушка)

M10

1шт.

VOE 13965184

Flange screw

M8x100

1шт.

VOE 13965184

Flange screw

M8x100

1шт.

VOE 11037337

Overflow valve

1шт.

1

VOE 1650020

Gearbox housing

1шт.

10

VOE 11037393

Filter retainer

1шт.

11

VOE 1656396

Nipple

1шт.

12

VOE 11036607

Filter cartridge

1шт.

12

VOE 11036607

Filter cartridge

1шт.

13

VOE 946671

Flange screw

1шт.

13

VOE 946671

Flange screw

1шт.

14

VOE 1650587

Трубка

1шт.

15

VOE 1650588

Трубка

1шт.

16

VOE 13946173

Screw

1шт.

16

VOE 13946173

Болт

1шт.

17

VOE 925057

Кольцо уплотнительное (О-кольцо)

1шт.

17

VOE 925057

Кольцо уплотнительное (О-кольцо)

1шт.

18

VOE 13965857

Кольцо уплотнительное

1шт.

19

VOE 11038099

Прокладка

1шт.

2

VOE 1650558

Прокладка

1шт.

21

VOE 13965180

Screw

M8x60

1шт.

21

VOE 13965180

Болт

M8x60

1шт.

22

VOE 11418597

Filter retainer

1шт.

23

VOE 978392

Кольцо уплотнительное (О-кольцо)

1шт.

23

VOE 978392

Кольцо уплотнительное (О-кольцо)

1шт.

24

VOE 959222

Allen Hd Screw

1шт.

25

VOE 11419147

Прокладка

1шт.

26

VOE 1650515

Casing

1шт.

27

VOE 13970974

Винт шестигранник

1шт.

27

VOE 13970974

Винт шестигранник

1шт.

28

VOE 13955897

Шайба

1шт.

28

VOE 13955897

Шайба

1шт.

29

VOE 1656393

Magnet

1шт.

3

VOE 1650978

Поддон картера (маслосборник)

1шт.

30

VOE 958226

Кольцо уплотнительное (О-кольцо)

1шт.

30

VOE 958226

Кольцо уплотнительное (О-кольцо)

1шт.

31

VOE 926371

Пробка (заглушка)

R 3/8

1шт.

31

VOE 926371

Пробка (заглушка)

R 3/8

1шт.

32

VOE 968562

Кольцо уплотнительное (О-кольцо)

1шт.

33

VOE 926370

Пробка (заглушка)

R 1/4

1шт.

33

VOE 926370

Пробка (заглушка)

R 1/4

1шт.

34

VOE 930032

Testing nipple

1шт.

34

VOE 930032

Testing nipple

1шт.

35

VOE 931209

Кольцо уплотнительное (О-кольцо)

1шт.

35

VOE 931209

Кольцо уплотнительное (О-кольцо)

1шт.

36

VOE 11145992

Прокладка

1шт.

37

VOE 11037318

Piston ring

1шт.

37

VOE 11037318

Piston ring

1шт.

38

VOE 11145312

Опора

1шт.

39

VOE 11145311

Втулка

1шт.

4

VOE 13965182

Болт

1шт.

4

VOE 13965182

Screw

1шт.

40

VOE 13965190

Болт

1шт.

40

VOE 13965190

Болт

1шт.

41

VOE 1650334

Lock ring

1шт.

42

VOE 11036803

Картер (корпус)

1шт.

43

VOE 968562

Кольцо уплотнительное (О-кольцо)

1шт.

44

VOE 926370

Пробка (заглушка)

1шт.

44

VOE 926370

Пробка (заглушка)

1шт.

45

VOE 968562

Кольцо уплотнительное (О-кольцо)

1шт.

46

VOE 926370

Пробка (заглушка)

1шт.

46

VOE 926370

Пробка (заглушка)

1шт.

47

VOE 1656408

Крышка

1шт.

48

VOE 11145592

Кольцо уплотнительное

1шт.

48

VOE 11145592

Кольцо уплотнительное

1шт.

49

VOE 13970987

Винт шестигранник

1шт.

49

VOE 13970987

Винт шестигранник

1шт.

5

VOE 968565

Кольцо уплотнительное (О-кольцо)

1шт.

50

VOE 973259

Винт шестигранник

1шт.

50

VOE 973259

Винт шестигранник

1шт.

51

VOE 13955897

Шайба

1шт.

51

VOE 13955897

Шайба

1шт.

6

VOE 11102187

Пробка магнитная

1шт.

6

VOE 11102187

Пробка магнитная

1шт.

7

VOE 968562

Кольцо уплотнительное (О-кольцо)

1шт.

8

VOE 926370

Пробка (заглушка)

R 1/4

1шт.

8

VOE 926370

Пробка (заглушка)

R 1/4

1шт.

9

VOE 11037926

Прокладка

1шт.

Выбрано товаров: 82