Запчасти Volvo A35C 19739 Footbrake valve A35C VOLVO BM VOLVO BM A35C SER NO - 4620

Схема запчастей Volvo A35C - 19739 Footbrake valve A35C VOLVO BM VOLVO BM A35C SER NO - 4620
FIT
1:1
100%

Артикул

Название

Примечание

Количество

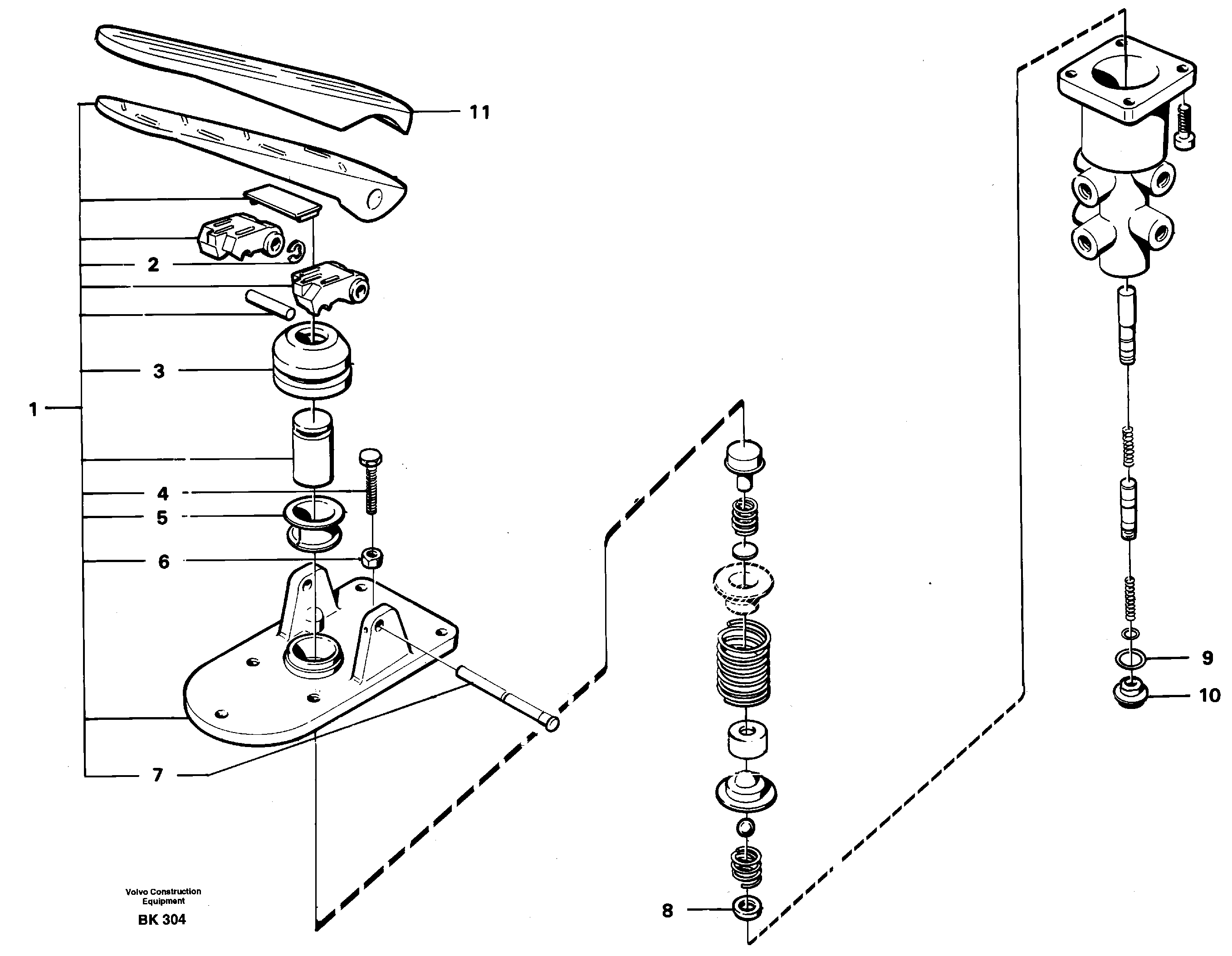
VOE 11061802

Brake Pedal

1шт.

VOE 11061802

Brake Pedal

1шт.

1

VOE 11997682

Upper Section

1шт.

10

VOE 11992066

Пробка (заглушка)

1шт.

10

VOE 11992066

Пробка (заглушка)

1шт.

11

VOE 4860801

Pedal

1шт.

2

VOE 13966237

Retaining ring

1шт.

2

VOE 13966237

Retaining ring

1шт.

3

VOE 6642316

Bellows

1шт.

3

VOE 6642316

Bellows

1шт.

4

VOE 955299

Винт шестигранник

1шт.

4

VOE 955299

Винт шестигранник

1шт.

5

VOE 1502685

Втулка

1шт.

5

VOE 1502685

Втулка

1шт.

6

VOE 955782

Hexagon Nut

1шт.

6

VOE 955782

Hexagon Nut

1шт.

7

VOE 1696153

Вал

1шт.

7

VOE 1696153

Вал

1шт.

8

VOE 11991552

Кольцо уплотнительное

1шт.

8

VOE 11991552

Кольцо уплотнительное

1шт.

9

VOE 13947624

Plane Gasket

1шт.

9

VOE 13947624

Plane Gasket

1шт.

Выбрано товаров: 22