Качественные детали и логистика
Оригинальные и аналоговые запчасти с доставкой по России, Казахстану и Беларуси
©2022 PartSell ООО "Система" ИНН 2463123282 ОГРН 1212400004838
Центральный офис: г. Красноярск, Академика Киренского, д.87, пом.4
Телефон: 8 (800) 777-65-74 Email: zakaz@partsell.ru
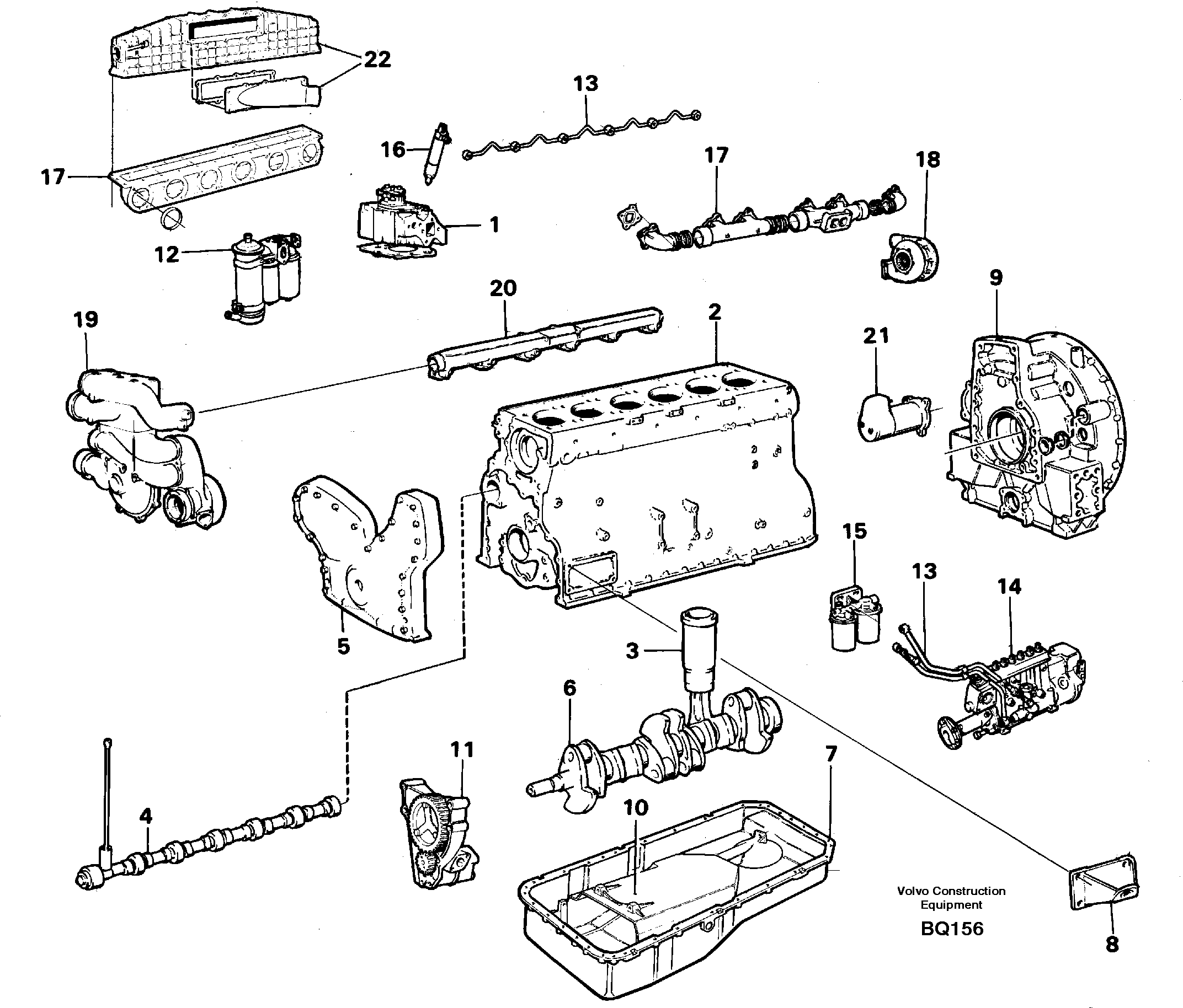
23756 Двигатель в сборе
№
Артикул
Название
Примечание
Количество
VOE 15004251
Двигатель в сборе
TD122KAE
1шт.
VOE 15004353
TD122KME
Выбрано товаров: 0