Запчасти Volvo A35C 96801 Насос масляный A35C SER NO 4621-, SER NO USA 60001-

Схема запчастей Volvo A35C - 96801 Насос масляный A35C SER NO 4621-, SER NO USA 60001-
FIT
1:1
100%

Артикул

Название

Примечание

Количество

VOE 11700221

Overhaul kit

1шт.

VOE 11700221

Overhaul kit

1шт.

VOE 4778318

Насос масляный

1шт.

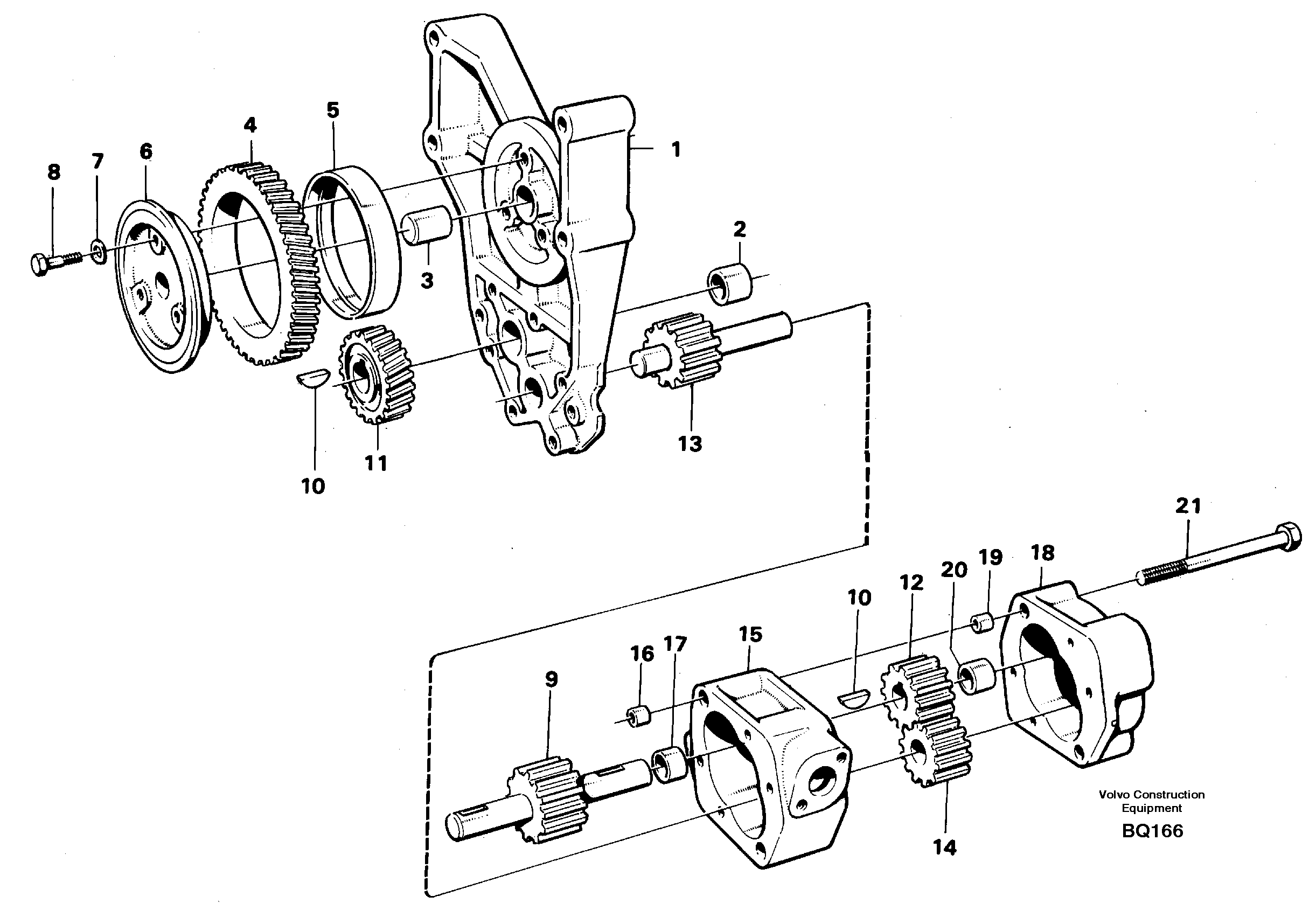
1

VOE 470348

Кронштейн

1шт.

10

VOE 910115

Woodruff key

1шт.

10

VOE 910115

Woodruff key

1шт.

11

VOE 470356

Drive Gear

1шт.

12

VOE 4778435

Gear

1шт.

13

VOE 4778325

Вал

1шт.

14

VOE 470353

Pump rotor

1шт.

15

VOE 4778321

Картер (корпус)

1шт.

16

VOE 401146

Guide sleeve

1шт.

17

VOE 469681

Bearing Bushing

1шт.

18

VOE 470344

Oil pump housing

1шт.

19

VOE 401146

Guide sleeve

1шт.

2

VOE 470347

Втулка

1шт.

20

VOE 470347

Втулка

1шт.

21

VOE 944446

Винт шестигранник

1шт.

3

VOE 191171

Палец

1шт.

4

VOE 422047

Промежуточная шестерня

1шт.

5

VOE 422314

Втулка

1шт.

6

VOE 422313

Bearing sleeve

1шт.

7

VOE 13941907

Шайба пружинная

1шт.

7

VOE 13941907

Шайба

1шт.

8

VOE 940186

Винт шестигранник

1шт.

8

VOE 940186

Винт шестигранник

1шт.

9

VOE 4778319

Вал

1шт.

Выбрано товаров: 27