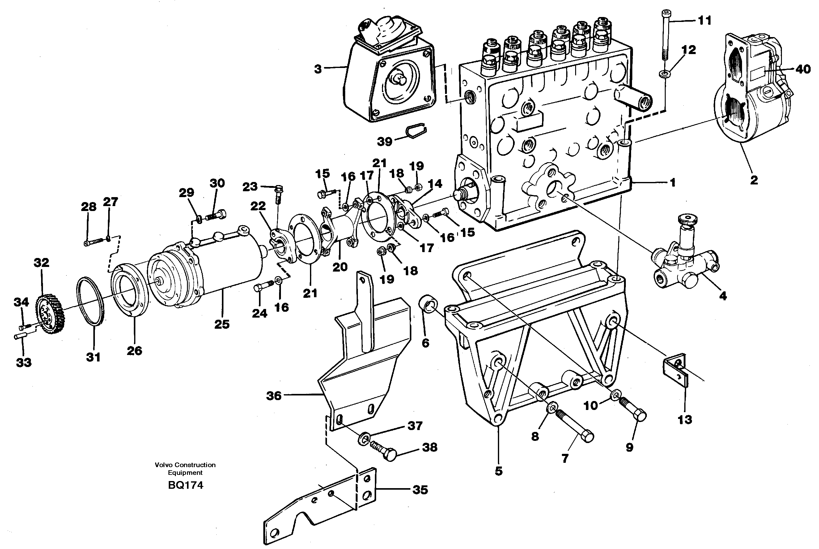
Запчасти Volvo A35C 31691 Fuel injection pump with fitting parts A35C SER NO 4621-, SER NO USA 60001-

Схема запчастей Volvo A35C - 31691 Fuel injection pump with fitting parts A35C SER NO 4621-, SER NO USA 60001-
FIT
1:1
100%

Артикул

Название

Примечание

Количество

VOE 11031993

Насос

TD 122 KAE

1шт.

VOE 955567

Болт

1шт.

VOE 955567

Винт шестигранник

1шт.

VOE 11127056

Насос

TD 122 KME

1шт.

10

VOE 13940097

Шайба

1шт.

10

VOE 13940097

Шайба

1шт.

11

VOE 940156

Болт

1шт.

11

VOE 940156

Винт шестигранник

1шт.

12

VOE 190509

Шайба

1шт.

12

VOE 190509

Шайба

1шт.

13

VOE 4940783

Anchorage

1шт.

14

VOE 478358

Companion flange

1шт.

14

VOE 478358

Companion flange

1шт.

15

VOE 13965185

Screw

M10x40

1шт.

15

VOE 13965185

Болт

M10x40

1шт.

16

VOE 976945

Шайба

1шт.

16

VOE 976945

Шайба

1шт.

17

VOE 479399

Шайба

1шт.

17

VOE 479399

Шайба

1шт.

18

VOE 478897

Втулка (распорная)

1шт.

18

VOE 478897

Втулка (распорная)

1шт.

19

VOE 13971095

Flange nut

1шт.

19

VOE 13971095

Flange nut

1шт.

20

VOE 1556175

Intmd Section

1шт.

21

VOE 479458

Companion disc

1шт.

21

VOE 479458

Companion disc

1шт.

22

VOE 1556186

Companion flange

1шт.

22

VOE 1556186

Companion flange

1шт.

23

VOE 1556285

Болт

1шт.

23

VOE 1556285

Болт

1шт.

24

VOE 13965220

Болт

M10x45

1шт.

24

VOE 13965220

Болт

M10x45

1шт.

26

VOE 477409

Шайба упорная

1шт.

26

VOE 477409

Шайба упорная

1шт.

27

VOE 13941906

Шайба

1шт.

27

VOE 13941906

Шайба

1шт.

28

VOE 942314

Allen Hd Screw

1шт.

29

VOE 13941907

Шайба пружинная

1шт.

29

VOE 13941907

Шайба

1шт.

30

VOE 13940159

Болт

1шт.

30

VOE 13940159

Болт

1шт.

31

VOE 423123

Кольцо уплотнительное

1шт.

31

VOE 423123

Кольцо уплотнительное

1шт.

32

VOE 479985

Gear

1шт.

33

VOE 950586

950586

1шт.

34

VOE 975199

Flange screw

1шт.

35

VOE 11031088

11031088

1шт.

36

VOE 11052228

Protecting plate

1шт.

37

VOE 925760

Шайба

1шт.

37

VOE 925760

Шайба

1шт.

38

VOE 13946173

Screw

1шт.

38

VOE 13946173

Болт

1шт.

39

VOE 422525

Towing eye

1шт.

39

VOE 422525

Towing eye

1шт.

40

VOE 478715

Sign

1шт.

5

VOE 866784

866784

1шт.

6

VOE 423161

Guide sleeve

1шт.

6

VOE 423161

Guide sleeve

1шт.

7

VOE 955566

Винт шестигранник

1шт.

7

VOE 955566

Винт шестигранник

1шт.

8

VOE 940280

Шайба пружинная

1шт.

8

VOE 940280

Шайба пружинная

1шт.

9

VOE 479696

Болт

1шт.

9

VOE 479696

Болт

1шт.

Выбрано товаров: 64