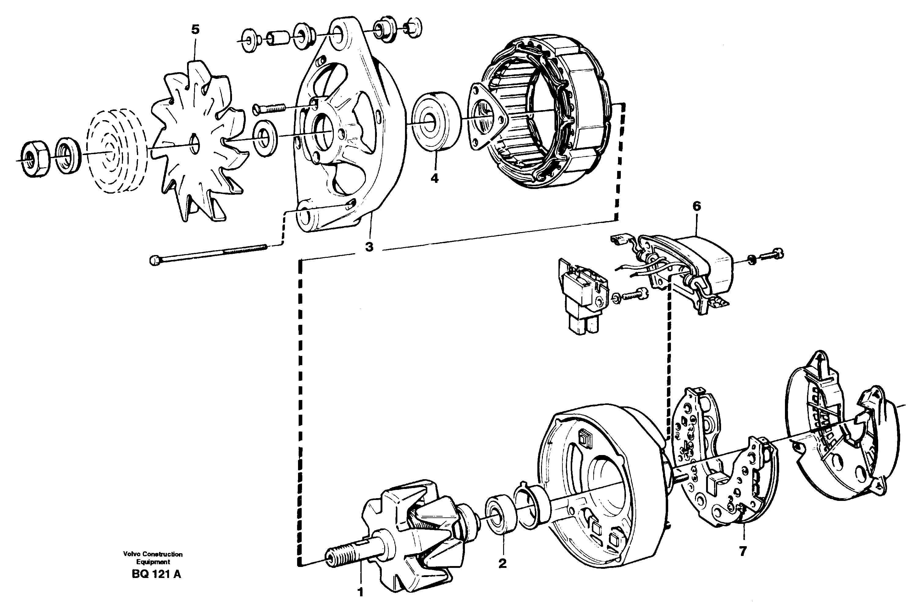
Запчасти Volvo A35C 24127 Alternator A35C SER NO 4621-, SER NO USA 60001-

Схема запчастей Volvo A35C - 24127 Alternator A35C SER NO 4621-, SER NO USA 60001-
FIT
1:1
100%

Артикул

Название

Примечание

Количество

VOE 11063163

Alternator

1шт.

1

VOE 864347

Rotor

1шт.

1

VOE 864347

Rotor

1шт.

2

VOE 181798

Ball Bearing

1шт.

2

VOE 181798

Ball Bearing

1шт.

4

VOE 864350

Ball Bearing

1шт.

4

VOE 864350

Ball Bearing

1шт.

5

VOE 6212848

Вентилятор

1шт.

5

VOE 6212848

Вентилятор

1шт.

6

VOE 11702862

Regulator

1шт.

7

VOE 873817

Diode Bridge

1шт.

7

VOE 873817

Diode Bridge

1шт.

Выбрано товаров: 12