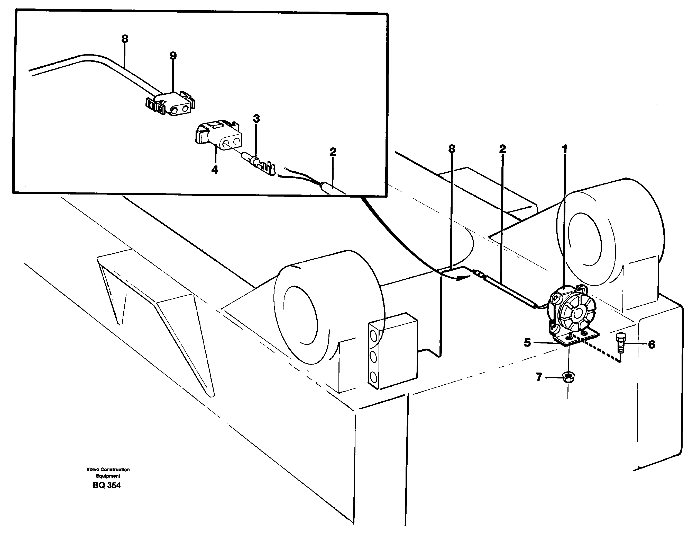
Запчасти Volvo A35C 26797 Back-up warning unit A35C SER NO 4621-, SER NO USA 60001-

Схема запчастей Volvo A35C - 26797 Back-up warning unit A35C SER NO 4621-, SER NO USA 60001-
FIT
1:1
100%

Артикул

Название

Примечание

Количество

VOE 11060660

11060660

1шт.

1

VOE 11039293

Reversing warning unit

1шт.

1

VOE 11039293

Reversing warning unit

1шт.

2

VOE 185507

Plastic hose

L=170MM

1шт.

2

VOE 185507

Plastic hose

L=170MM

1шт.

3

VOE 965824

Cable terminal

1шт.

3

VOE 965824

Cable terminal

1шт.

4

VOE 13948995

Pin housing

1шт.

4

VOE 13948995

Pin housing

1шт.

5

VOE 11050849

11050849

1шт.

6

VOE 946472

Flange screw

1шт.

6

VOE 946472

Flange screw

1шт.

7

VOE 13971095

Flange nut

1шт.

7

VOE 13971095

Flange nut

1шт.

8

VOE 11062296

11062296

1шт.

9

VOE 13948996

Изолятор

1шт.

9

VOE 13948996

Изолятор

1шт.

Выбрано товаров: 17