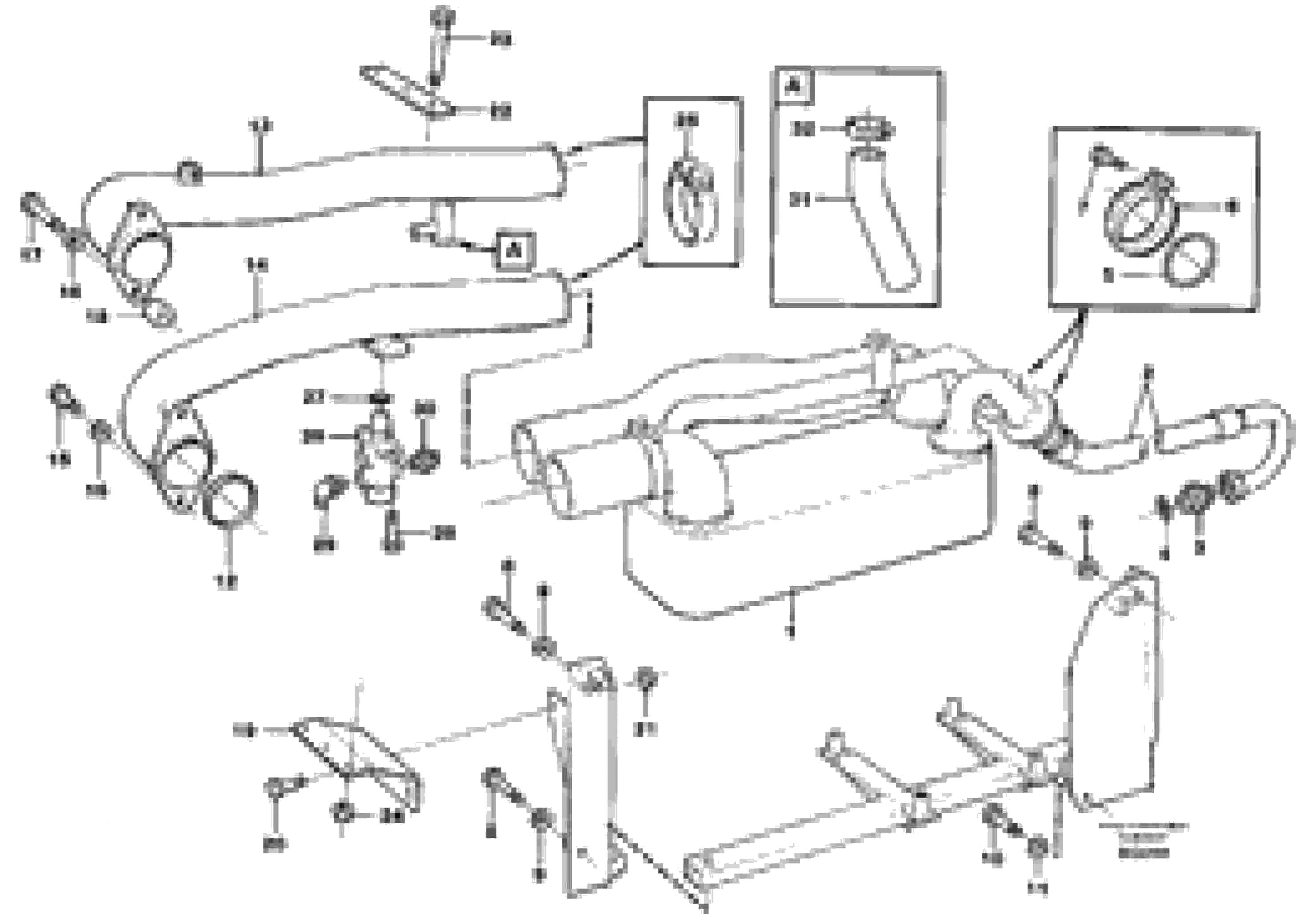
Запчасти Volvo A35C 83464 Масляный радиатор A35C SER NO 4621-, SER NO USA 60001-

Схема запчастей Volvo A35C - 83464 Масляный радиатор A35C SER NO 4621-, SER NO USA 60001-
FIT
1:1
100%

Артикул

Название

Примечание

Количество

10

VOE 955565

Винт шестигранник

1шт.

10

VOE 955565

Винт шестигранник

1шт.

11

VOE 955898

Шайба

1шт.

11

VOE 955898

Шайба

1шт.

12

VOE 11033457

Кольцо уплотнительное

1шт.

13

VOE 11062845

Трубка

1шт.

14

VOE 11062147

Трубка

1шт.

15

VOE 955525

Винт шестигранник

1шт.

15

VOE 955525

Винт шестигранник

1шт.

16

VOE 13955894

Шайба

1шт.

16

VOE 13955894

Шайба

1шт.

17

VOE 955529

Винт шестигранник

1шт.

17

VOE 955529

Винт шестигранник

1шт.

18

VOE 11062179

Spacer ring

1шт.

18

VOE 11062179

Spacer ring

1шт.

19

VOE 11062449

Attachment

1шт.

2

VOE 11062173

Шланг

1шт.

20

VOE 13945444

Болт

1шт.

20

VOE 13945444

Screw

1шт.

21

VOE 13945408

Гайка

1шт.

21

VOE 13945408

Гайка

1шт.

22

VOE 11062450

11062450

1шт.

23

VOE 13965182

Болт

1шт.

23

VOE 13965182

Screw

1шт.

24

VOE 13945408

Гайка

1шт.

24

VOE 13945408

Гайка

1шт.

25

VOE 11023360

Зажим

1шт.

26

VOE 11049702

Клапан

1шт.

27

VOE 13960171

Кольцо уплотнительное (О-кольцо)

1шт.

27

VOE 13960171

Кольцо уплотнительное (О-кольцо)

1шт.

28

VOE 963683

Allen Hd Screw

1шт.

29

VOE 4931556

4931556

1шт.

3

VOE 4873059

4873059

1шт.

31

VOE 11162272

Шланг

1шт.

31

VOE 11162272

Шланг

1шт.

32

VOE 943475

Hose clamp

1шт.

32

VOE 943475

Hose clamp

1шт.

4

VOE 13968561

Кольцо уплотнительное (О-кольцо)

1шт.

4

VOE 13968561

Кольцо уплотнительное (О-кольцо)

1шт.

5

VOE 967343

Кольцо уплотнительное (О-кольцо)

1шт.

5

VOE 967343

Кольцо уплотнительное (О-кольцо)

1шт.

6

VOE 1542778

Зажим

1шт.

6

VOE 1542778

Зажим

1шт.

7

VOE 13948356

Flange screw

1шт.

7

VOE 13948356

Flange screw

1шт.

8

VOE 955537

Болт

1шт.

8

VOE 955537

Винт шестигранник

1шт.

9

VOE 13940097

Шайба

1шт.

9

VOE 13940097

Шайба

1шт.

Выбрано товаров: 49