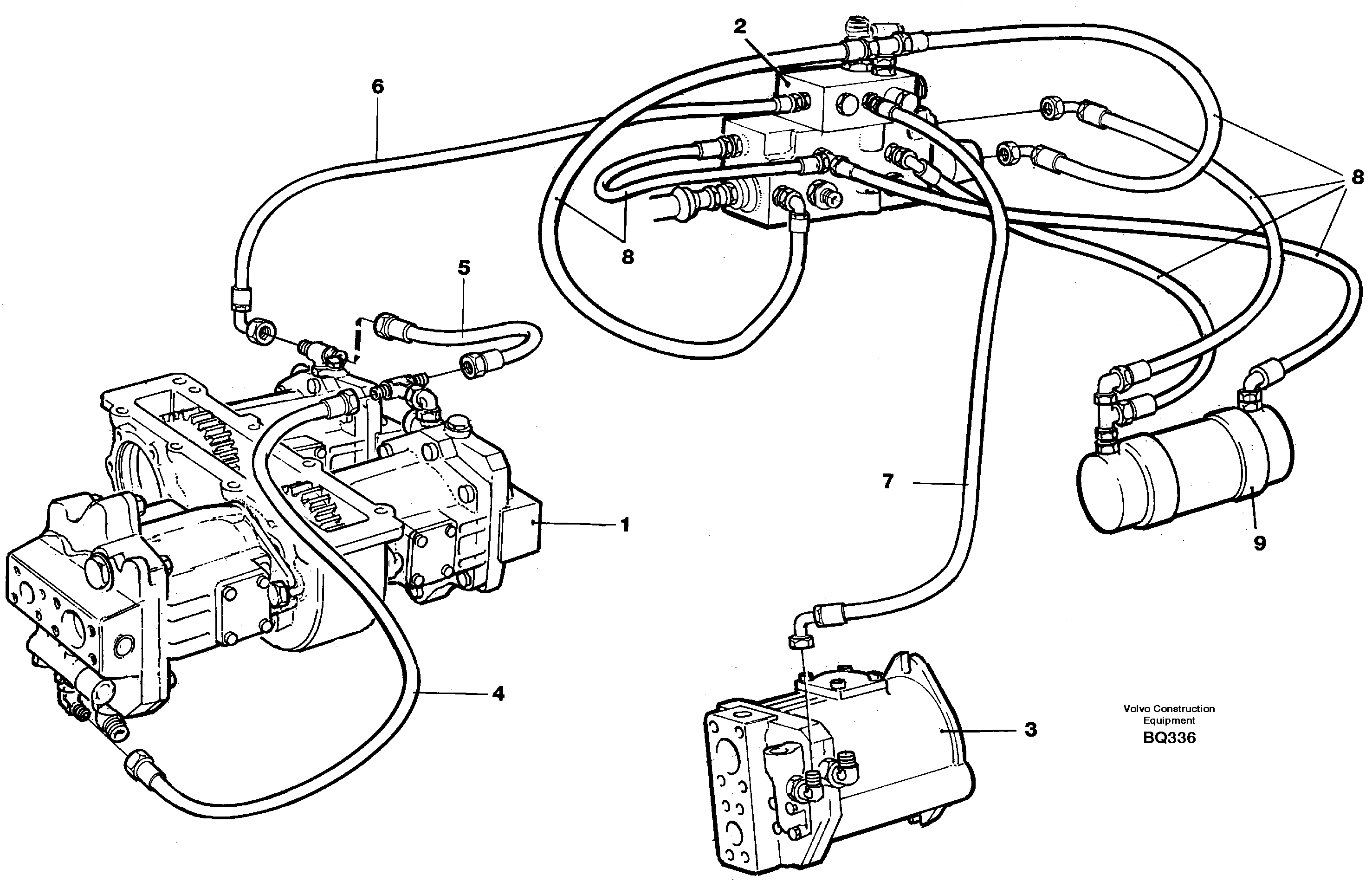
Запчасти Volvo A35C 24570 Steering system, pipes and hoses A35C SER NO 4621-, SER NO USA 60001-

Схема запчастей Volvo A35C - 24570 Steering system, pipes and hoses A35C SER NO 4621-, SER NO USA 60001-
FIT
1:1
100%

Артикул

Название

Примечание

Количество

4

VOE 932383

Hose assembly

1шт.

4

VOE 932383

Hose assembly

1шт.

5

VOE 13932100

Hose assembly

1шт.

5

VOE 13932100

Hose assembly

1шт.

6

VOE 13932106

Hose assembly

1шт.

6

VOE 13932106

Hose assembly

1шт.

7

VOE 932506

Hose assembly

1шт.

7

VOE 932506

Hose assembly

1шт.

8

VOE 932103

Hose assembly

1шт.

8

VOE 932103

Hose assembly

1шт.

Выбрано товаров: 0