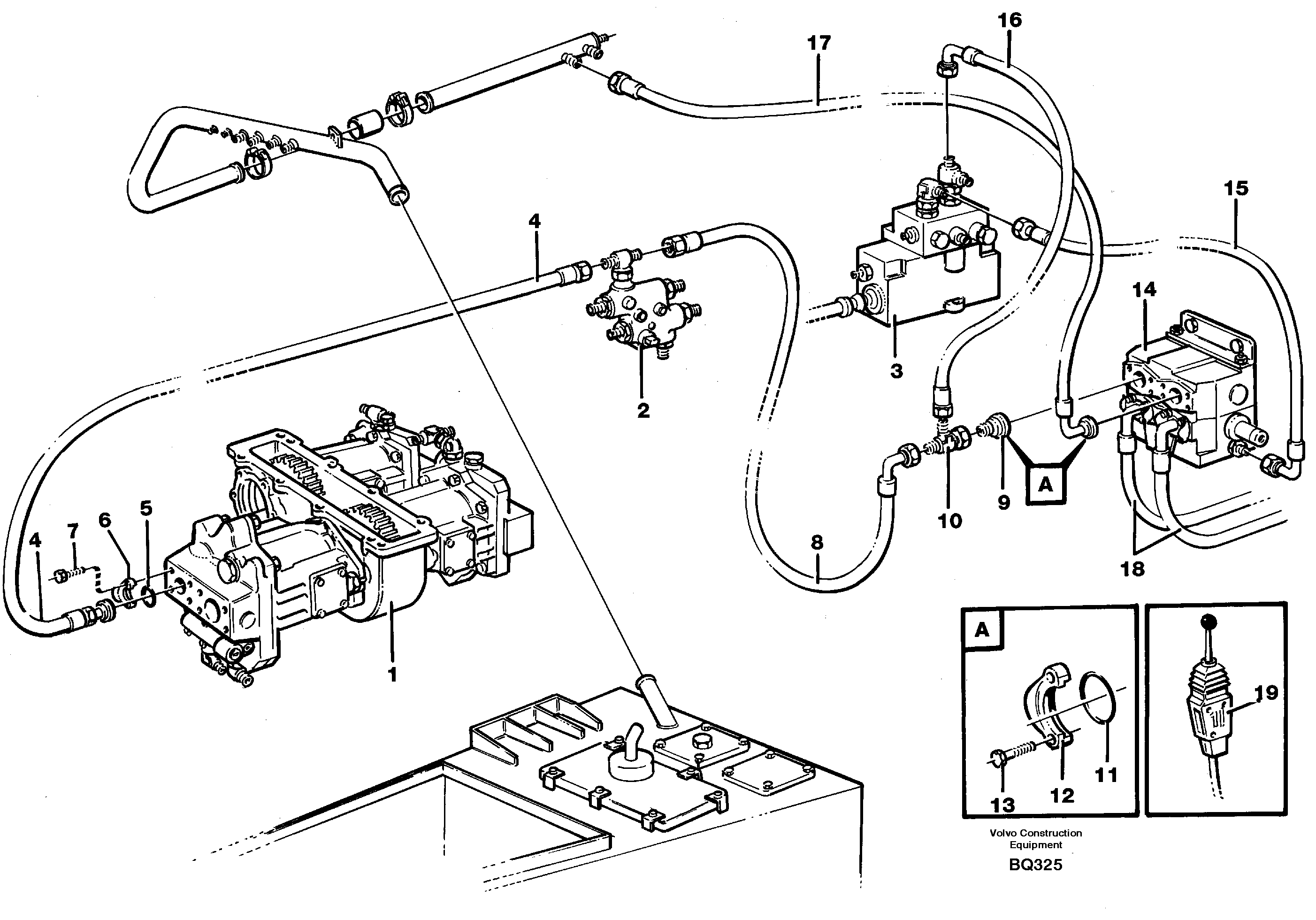
Запчасти Volvo A35C 54471 Tipping system, motor unit A35C SER NO 4621-, SER NO USA 60001-

Схема запчастей Volvo A35C - 54471 Tipping system, motor unit A35C SER NO 4621-, SER NO USA 60001-
FIT
1:1
100%

Артикул

Название

Примечание

Количество

10

VOE 4881535

Clutch

1шт.

11

VOE 13948700

Кольцо уплотнительное (О-кольцо)

1шт.

11

VOE 13948700

Кольцо уплотнительное (О-кольцо)

1шт.

12

VOE 927947

Flange half

1шт.

12

VOE 927947

Flange half

1шт.

13

VOE 946472

Flange screw

1шт.

13

VOE 946472

Flange screw

1шт.

15

VOE 13932703

Hose assembly

1шт.

15

VOE 13932703

Hose assembly

1шт.

16

VOE 11062699

Hydraulic hose

1шт.

17

VOE 13932572

Hose assembly

1шт.

4

VOE 13932576

Hose assembly

1шт.

5

VOE 13948700

Кольцо уплотнительное (О-кольцо)

1шт.

5

VOE 13948700

Кольцо уплотнительное (О-кольцо)

1шт.

6

VOE 927947

Flange half

1шт.

6

VOE 927947

Flange half

1шт.

7

VOE 13970948

Винт шестигранник

1шт.

7

VOE 13970948

Винт шестигранник

1шт.

8

VOE 11062698

Hydraulic hose

1шт.

9

VOE 11061037

Nipple

1шт.

Выбрано товаров: 20