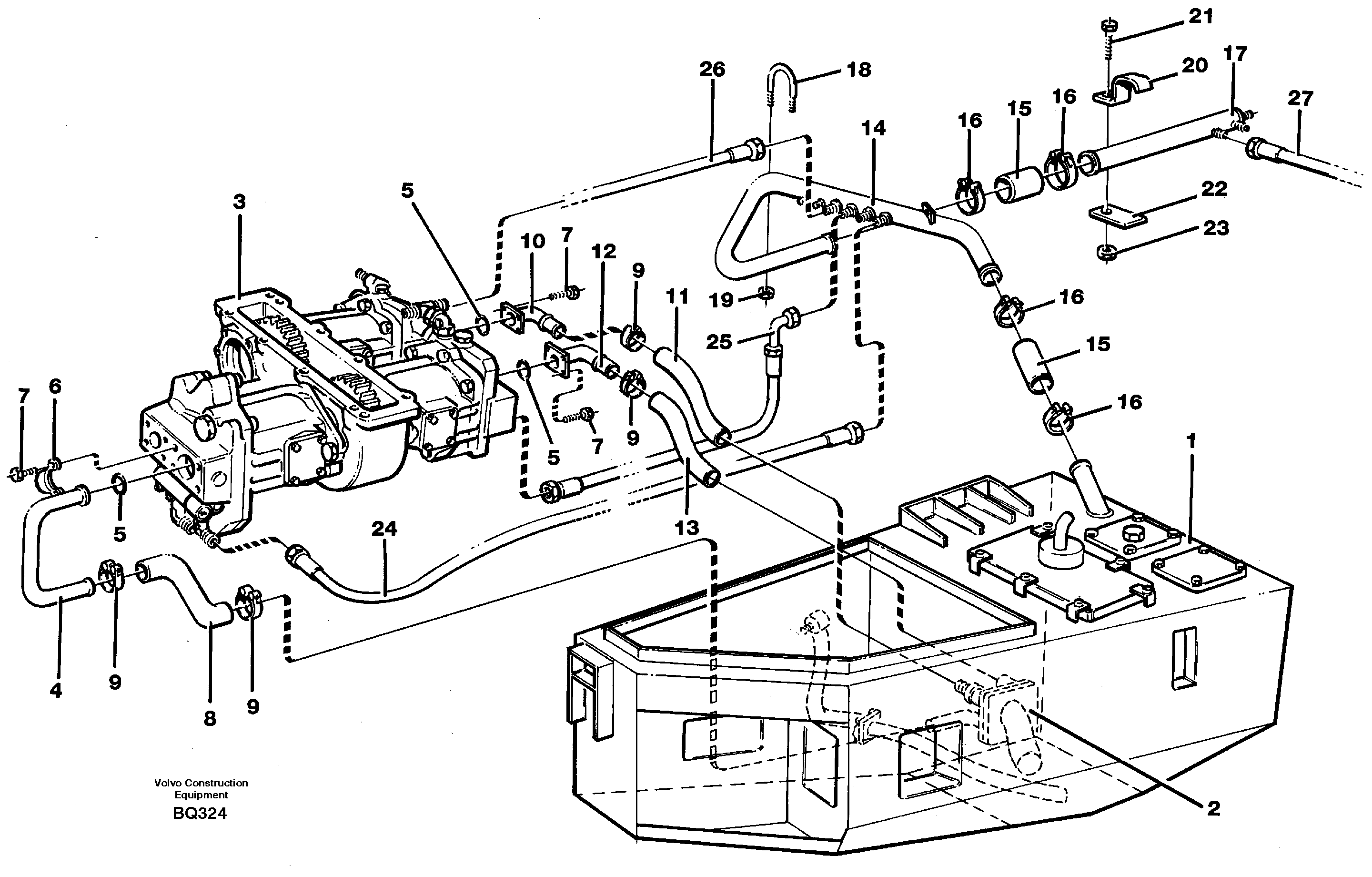
Запчасти Volvo A35C 91337 Hydraulic system, motor unit A35C SER NO 4621-, SER NO USA 60001-

Схема запчастей Volvo A35C - 91337 Hydraulic system, motor unit A35C SER NO 4621-, SER NO USA 60001-
FIT
1:1
100%

Артикул

Название

Примечание

Количество

10

VOE 11061366

Трубка

1шт.

10

VOE 11061366

Трубка

1шт.

11

VOE 11063092

Hydraulic hose

L=700MM

1шт.

11

VOE 11063092

Hydraulic hose

L=700MM

1шт.

12

VOE 11061365

Трубка

1шт.

12

VOE 11061365

Трубка

1шт.

13

VOE 11063092

Hydraulic hose

L=500MM

1шт.

13

VOE 11063092

Hydraulic hose

L=500MM

1шт.

14

VOE 11061047

Трубка

1шт.

15

VOE 11191708

Шланг

1шт.

15

VOE 11191708

Шланг

1шт.

16

VOE 11059299

Hose clamp

1шт.

16

VOE 11059299

Hose clamp

1шт.

17

VOE 11061049

Трубка

1шт.

18

VOE 4761310

Зажим

1шт.

19

VOE 13945408

Гайка

1шт.

19

VOE 13945408

Гайка

1шт.

20

VOE 11061394

Зажим

1шт.

21

VOE 13965194

Screw

1шт.

21

VOE 13965194

Болт

1шт.

22

VOE 11061201

Пластина

1шт.

23

VOE 971099

Flange lock nut

1шт.

23

VOE 971099

Flange lock nut

1шт.

24

VOE 13933224

Hose assembly

1шт.

25

VOE 931892

Hose assembly

1шт.

26

VOE 13931338

Hose assembly

1шт.

4

VOE 11061397

Трубка

1шт.

5

VOE 13949239

Кольцо уплотнительное (О-кольцо)

1шт.

5

VOE 13949239

Кольцо уплотнительное (О-кольцо)

1шт.

6

VOE 931936

Flange half

1шт.

6

VOE 931936

Flange half

1шт.

7

VOE 13970970

Винт шестигранник

1шт.

7

VOE 13970970

Винт шестигранник

1шт.

8

VOE 11063092

Hydraulic hose

L=300MM

1шт.

8

VOE 11063092

Hydraulic hose

L=300MM

1шт.

9

VOE 11059298

Hose clamp

1шт.

9

VOE 11059298

Hose clamp

1шт.

Выбрано товаров: 37