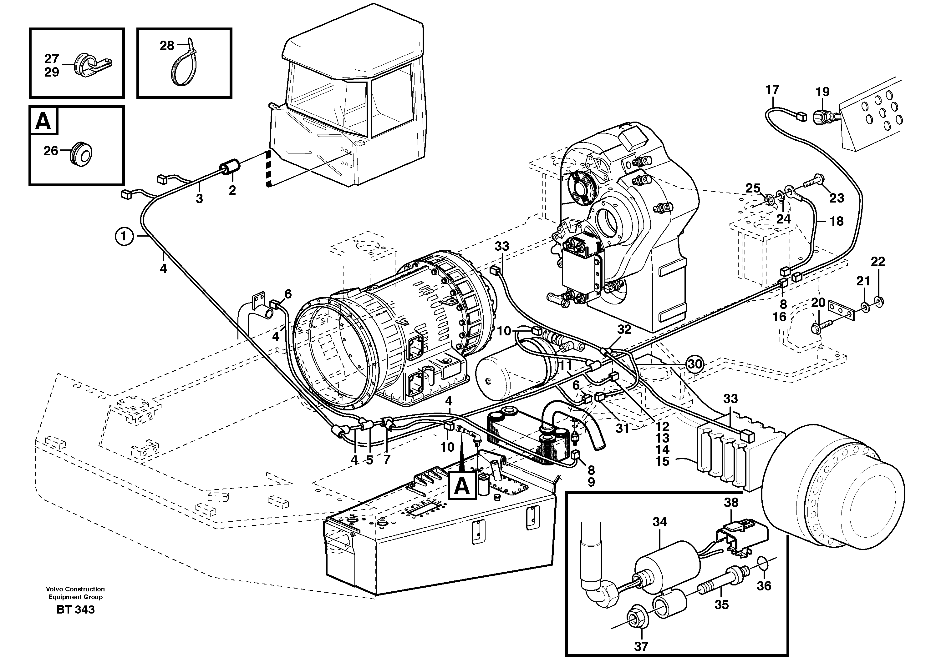
Запчасти Volvo A35D 57443 Cable harnesses, front

Схема запчастей Volvo A35D - 57443 Cable harnesses, front
FIT
1:1
100%

Артикул

Название

Примечание

Количество

VOE 11117895

Cable harness

SER NO 11245 - 11406

1шт.

VOE 11121122

Cable harness

SER NO 11407 - 11539

1шт.

VOE 11121125

Cable harness

SER NO 11540 - 11793

1шт.

VOE 11192722

11192722

SER NO 13001 -

1шт.

VOE 11193229

Wire harness

SER NO 11794 - 13000

1шт.

1

VOE 11117600

Cable harness

SER NO - 11244

1шт.

10

VOE 8159013

Картер (корпус)

(SE5207, SE5214, SE5608)

1шт.

10

VOE 8159013

Изолятор

(SE5207, SE5214, SE5608)

1шт.

11

VOE 4803751

Шланг

1шт.

11

VOE 4803751

Шланг

1шт.

12

VOE 6646637

Contact housing

(MA5201)

1шт.

12

VOE 6646637

Contact housing

(MA5201)

1шт.

13

VOE 11039262

Кольцо уплотнительное

1шт.

13

VOE 11039262

Кольцо уплотнительное

1шт.

14

VOE 4803794

Гайка

1шт.

14

VOE 4803794

Гайка

1шт.

15

VOE 4803274

Диод

1шт.

15

VOE 4803274

Диод

1шт.

16

VOE 4803711

End sleeve

1шт.

16

VOE 4803711

End sleeve

1шт.

17

VOE 11059933

Battery cable

SER NO - 13000

1шт.

18

VOE 11059986

El Cable

1шт.

2

11113393

Картер (корпус)

(C04)

1шт.

20

VOE 13965191

Screw

1шт.

20

VOE 13965191

Болт

1шт.

21

VOE 967600

Toothed washer

1шт.

21

VOE 967600

Стопорная шайба (кольцо)

1шт.

22

VOE 971099

Flange lock nut

1шт.

22

VOE 971099

Flange lock nut

1шт.

23

VOE 13946173

Screw

1шт.

23

VOE 13946173

Болт

1шт.

24

VOE 942767

Toothed washer

1шт.

24

VOE 942767

Toothed washer

1шт.

25

VOE 948645

Flange lock nut

1шт.

25

VOE 948645

Flange lock nut

1шт.

26

VOE 3963413

Кольцо

1шт.

27

VOE 967531

Зажим

20,6

1шт.

27

VOE 967531

Зажим

20,6

1шт.

28

VOE 4881440

Cable tie

1шт.

28

VOE 4881440

Cable tie

1шт.

29

VOE 952630

Зажим

17,5

1шт.

29

VOE 952630

Зажим

17,5

1шт.

3

VOE 4803752

Шланг

1шт.

3

VOE 4803752

Шланг

1шт.

30

VOE 11115654

Cable harness

1шт.

31

VOE 8159013

Картер (корпус)

1шт.

31

VOE 8159013

Изолятор

1шт.

32

VOE 3943089

Tee

1шт.

33

VOE 4803746

Шланг

1шт.

33

VOE 4803746

Шланг

1шт.

34

VOE 11119781

Protection

1шт.

35

VOE 946473

Flange screw

1шт.

35

VOE 946473

Flange screw

1шт.

36

VOE 964114

Кольцо уплотнительное (О-кольцо)

1шт.

36

VOE 964114

Кольцо уплотнительное (О-кольцо)

1шт.

37

VOE 13976433

Flange nut

1шт.

37

VOE 13976433

Flange nut

1шт.

38

VOE 1307048

Картер (корпус)

1шт.

38

VOE 1307048

Изолятор

1шт.

4

VOE 4803748

Шланг

1шт.

4

VOE 4803748

Шланг

1шт.

5

VOE 3943091

Tee

1шт.

6

VOE 3944972

Изолятор

(F05, F08)

1шт.

6

VOE 3944972

Картер (корпус)

(F05, F08)

1шт.

7

VOE 3943089

Tee

1шт.

8

VOE 4821292

Cable tie

1шт.

8

VOE 4821292

Cable tie

1шт.

9

VOE 11039397

End sleeve

1шт.

9

VOE 11039397

End sleeve

1шт.

Выбрано товаров: 69