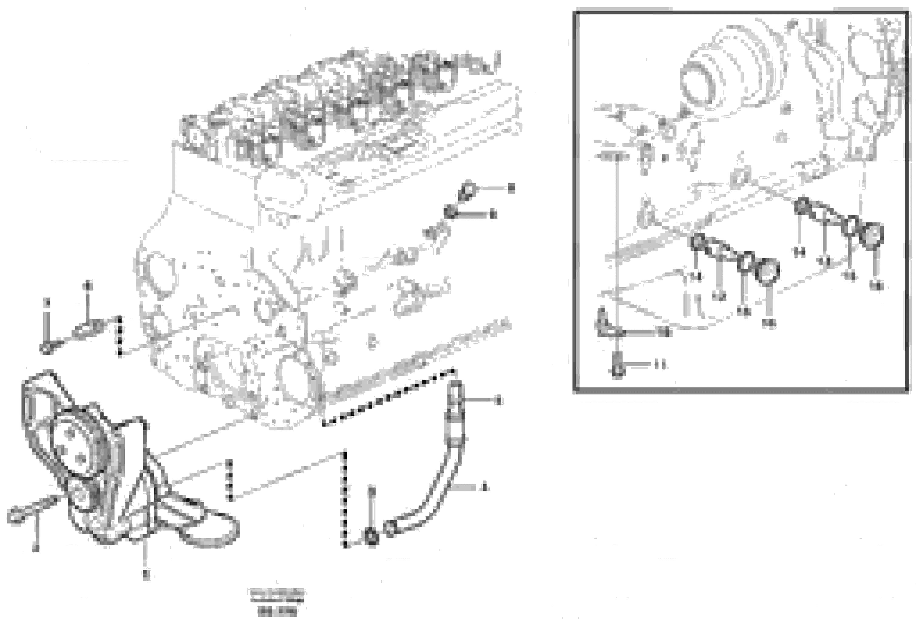
Запчасти Volvo A35D 64492 Система масляной смазки

Схема запчастей Volvo A35D - 64492 Система масляной смазки
FIT
1:1
100%

Артикул

Название

Примечание

Количество

VOE 946470

Flange screw

ENG 297437 -

1шт.

VOE 946470

Flange screw

ENG 297437 -

1шт.

1

VOE 8170260

Насос масляный

1шт.

10

VOE 3155151

Piston cooling jet

1шт.

10

VOE 3155151

Piston cooling jet

1шт.

11

VOE 13966378

Flange screw

1шт.

11

VOE 13966378

Flange screw

1шт.

12

VOE 471706

Reduction valve

1шт.

12

VOE 471706

Reduction valve

1шт.

13

VOE 471707

Reduction valve

1шт.

13

VOE 471707

Reduction valve

1шт.

14

VOE 469846

Кольцо уплотнительное

1шт.

14

VOE 469846

Кольцо уплотнительное

1шт.

15

VOE 13948610

Кольцо уплотнительное (О-кольцо)

1шт.

15

VOE 13948610

Кольцо уплотнительное (О-кольцо)

1шт.

16

VOE 1547934

Cover

1шт.

16

VOE 1547934

Крышка

1шт.

2

VOE 471734

Болт

1шт.

2

VOE 471734

Болт

1шт.

3

VOE 8170558

Кольцо уплотнительное

1шт.

3

VOE 8170558

Кольцо уплотнительное

1шт.

4

VOE 20411298

Delivery pipe

1шт.

4

VOE 20411298

Delivery pipe

1шт.

5

VOE 980788

Ferrule

1шт.

5

VOE 980788

Ferrule

1шт.

6

VOE 8170583

Nozzle

1шт.

6

VOE 8170583

Nozzle

1шт.

7

VOE 471586

Screw

ENG - 297436

1шт.

7

VOE 471586

Болт

ENG - 297436

1шт.

Выбрано товаров: 29