Запчасти Volvo A35D 64727 Водяной насос

Схема запчастей Volvo A35D - 64727 Водяной насос
FIT
1:1
100%

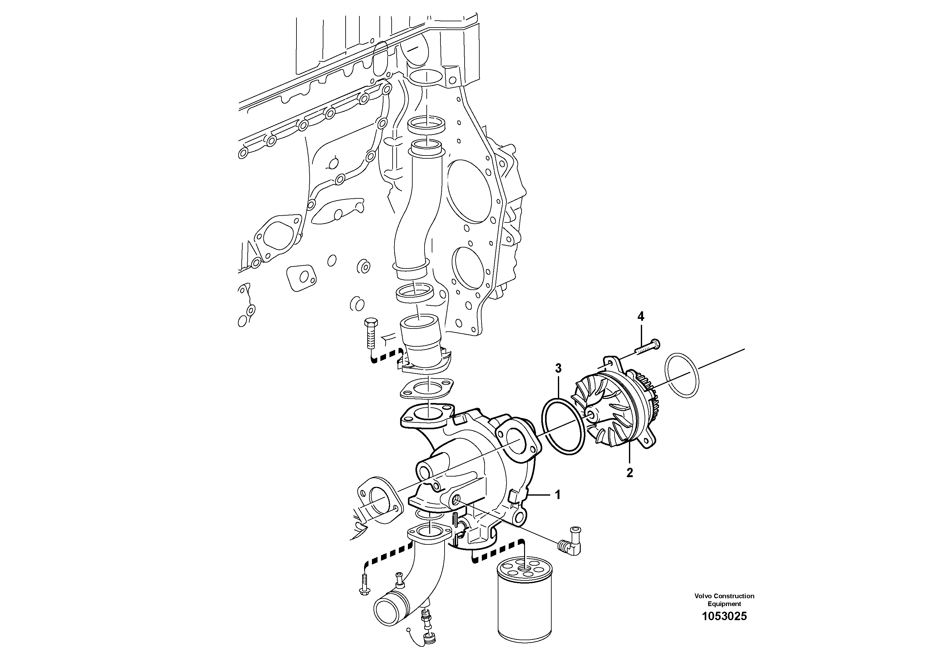
Артикул

Название

Примечание

Количество

VOE 20713954

Coolant Pump

1шт.

VOE 20734267

Coolant pump

20734267

1шт.

VOE 20734268

Bearing Housing

1шт.

VOE 1676432

Кольцо уплотнительное

1шт.

VOE 1676432

Кольцо уплотнительное

1шт.

VOE 20431137

Coolant pump

1шт.

2

VOE 20431135

Bearing housing

1шт.

3

VOE 975687

Кольцо уплотнительное (О-кольцо)

1шт.

4

VOE 13946173

Screw

1шт.

4

VOE 13946173

Болт

1шт.

Выбрано товаров: 10