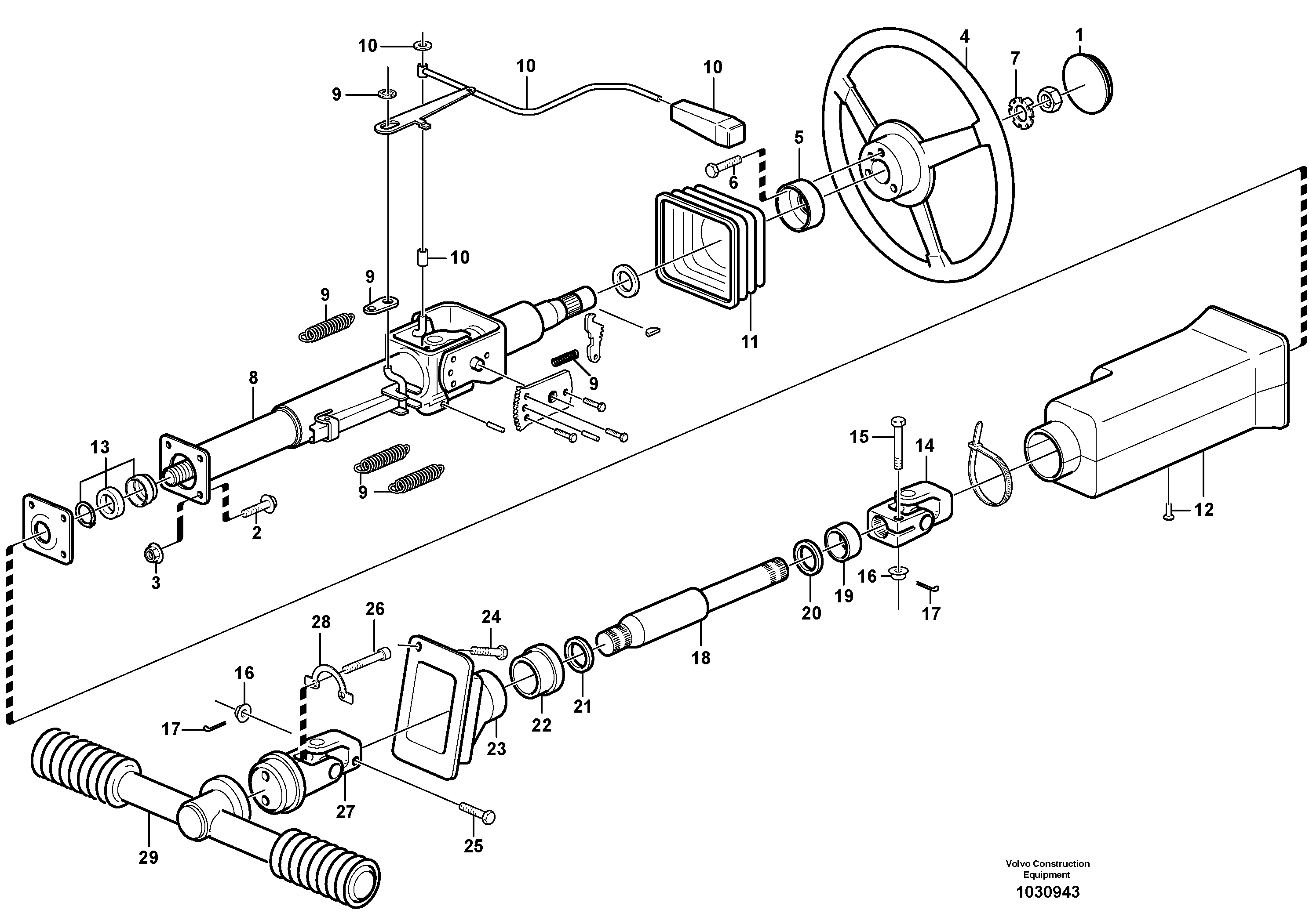
Запчасти Volvo A35E FS FULL SUSPENSION 40154 Рулевая система

Схема запчастей Volvo A35E FS FULL SUSPENSION - 40154 Рулевая система
FIT
1:1
100%

Артикул

Название

Примечание

Количество

1

VOE 11114402

Casing

1шт.

1

VOE 11114402

Крышка

1шт.

10

VOE 11713324

Lever Kit

1шт.

10

VOE 11713324

Lever Kit

1шт.

11

VOE 11713321

Bellows

1шт.

11

VOE 11713321

Bellows

1шт.

12

VOE 11713323

Casing

1шт.

12

VOE 11713323

Casing

1шт.

13

VOE 11713326

Комплект подшипника

1шт.

13

VOE 11713326

Комплект подшипника

1шт.

14

VOE 11060729

Universal joint

1шт.

14

VOE 11060729

Universal joint

1шт.

15

VOE 11051795

Болт

1шт.

15

VOE 11051795

Болт

1шт.

16

VOE 13971098

Flange nut

1шт.

16

VOE 13971098

Flange nut

1шт.

17

VOE 907838

Cotter Pin

1шт.

18

VOE 11064230

Вал рулевой

1шт.

18

VOE 11064230

Вал рулевой

1шт.

19

VOE 11987593

Тарелка клапана

1шт.

19

VOE 11987593

Тарелка клапана

1шт.

2

VOE 946329

Flange screw

1шт.

2

VOE 946329

Flange screw

1шт.

20

VOE 1585484

Сальник

1шт.

21

VOE 914604

Felt Ring

1шт.

21

VOE 914604

Felt Ring

1шт.

22

VOE 11057748

Втулка

1шт.

22

VOE 11057748

Втулка

1шт.

23

VOE 11114165

Bellows

1шт.

23

VOE 11114165

Bellows

1шт.

24

VOE 969487

Винт шестигранник (торцевой ключ)

1шт.

24

VOE 969487

Болт

1шт.

25

VOE 11051795

Болт

1шт.

25

VOE 11051795

Болт

1шт.

26

VOE 13955295

Болт

1шт.

26

VOE 13955295

Болт

1шт.

27

VOE 4965294

Comp Flange

1шт.

27

VOE 4965294

Comp Flange

1шт.

28

VOE 11121121

Tab Washer

1шт.

28

VOE 11121121

Tab Washer

1шт.

3

VOE 13971098

Flange nut

1шт.

3

VOE 13971098

Flange nut

1шт.

4

VOE 11059557

Steering Wheel

1шт.

4

VOE 11059557

Steering Wheel

1шт.

5

VOE 4714601

Кольцо

1шт.

5

VOE 4714601

Кольцо

1шт.

6

VOE 956045

X Rec Screw

1шт.

6

VOE 956045

X Rec Screw

1шт.

7

VOE 11104898

Стопорная шайба (кольцо)

1шт.

7

VOE 11104898

Стопорная шайба (кольцо)

1шт.

8

VOE 11192319

Рулевая колонка

1шт.

8

VOE 11192319

Рулевая колонка

1шт.

9

VOE 11713325

Overhaul Kit

1шт.

9

VOE 11713325

Overhaul Kit

1шт.

Выбрано товаров: 54