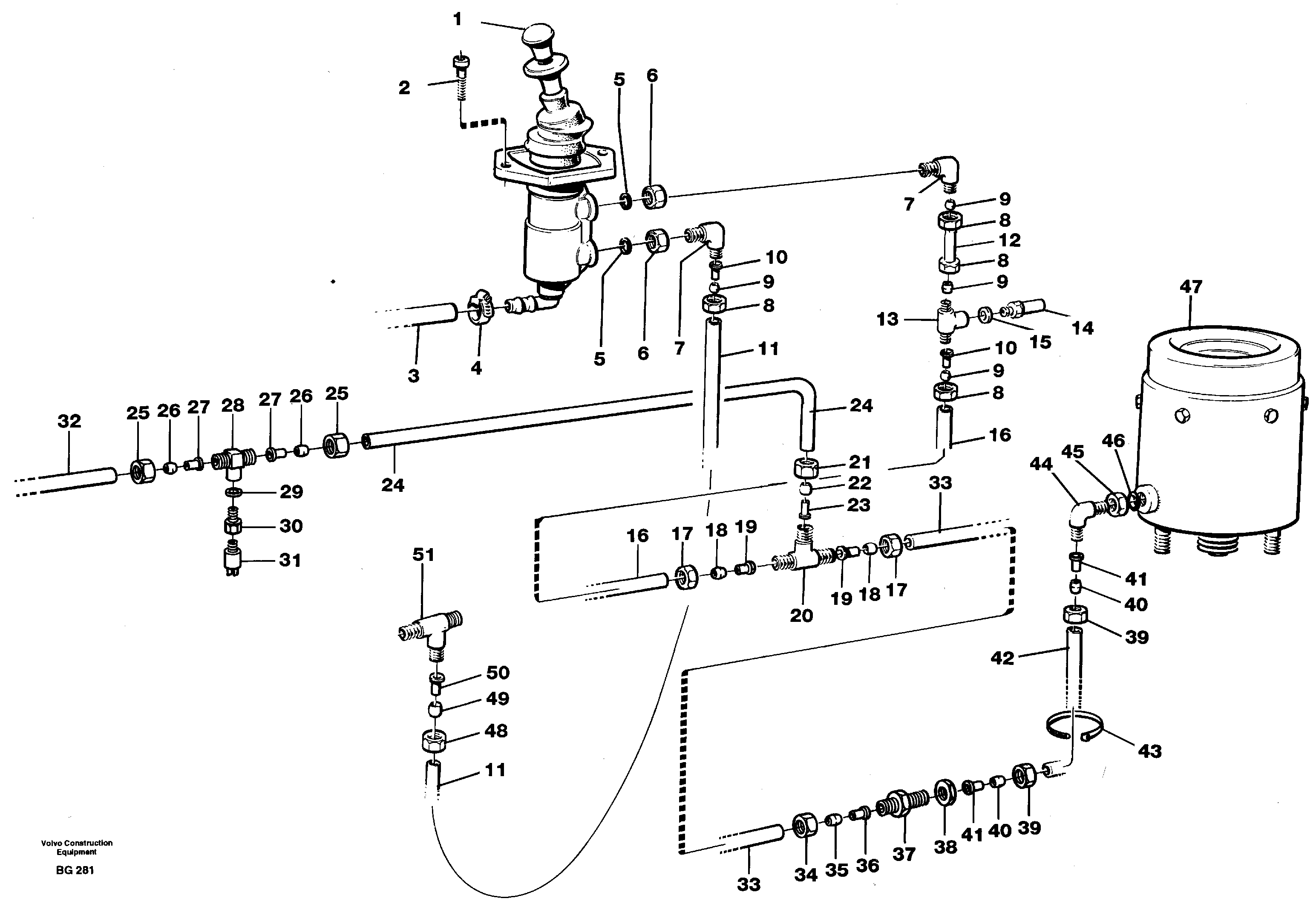
Запчасти Volvo A40 78097 Parking brake A40 VOLVO BM VOLVO BM A40 SER NO - 1151/- 60026

Схема запчастей Volvo A40 - 78097 Parking brake A40 VOLVO BM VOLVO BM A40 SER NO - 1151/- 60026
FIT
1:1
100%

Артикул

Название

Примечание

Количество

10

VOE 967559

Втулка (распорная)

1шт.

11

VOE 13945461

Plastic pipe

L=1150mm

1шт.

11

VOE 13945461

Plastic pipe

L=1150mm

1шт.

12

VOE 940385

Трубка

1шт.

13

VOE 947826

Nipple

1шт.

14

VOE 1578928

Pressure indicator

SE6

1шт.

14

VOE 1578928

Pressure indicator

SE6

1шт.

15

VOE 13947281

Прокладка

1шт.

15

VOE 13947281

Прокладка

1шт.

16

VOE 13945461

Plastic pipe

L=165mm

1шт.

16

VOE 13945461

Plastic pipe

L=165mm

1шт.

17

VOE 326596

Fitting nut

1шт.

17

VOE 326596

Fitting nut

1шт.

18

VOE 326599

Ferrule

1шт.

18

VOE 326599

Ferrule

1шт.

19

VOE 967559

Втулка (распорная)

1шт.

2

VOE 971322

Винт шестигранник (торцевой ключ)

1шт.

2

VOE 971322

Болт

1шт.

20

VOE 326590

T-nipple

1шт.

21

VOE 954356

Fitting nut

1шт.

21

VOE 954356

Fitting nut

1шт.

22

VOE 954364

Ferrule

1шт.

22

VOE 954364

Ferrule

1шт.

23

VOE 944717

Втулка (распорная)

1шт.

23

VOE 944717

Втулка (распорная)

1шт.

24

VOE 13945460

Plastic pipe

L=400mm

1шт.

24

VOE 13945460

Plastic pipe

L=400mm

1шт.

25

VOE 954356

Fitting nut

1шт.

25

VOE 954356

Fitting nut

1шт.

26

VOE 954364

Ferrule

1шт.

26

VOE 954364

Ferrule

1шт.

27

VOE 944717

Втулка (распорная)

1шт.

27

VOE 944717

Втулка (распорная)

1шт.

28

VOE 13948774

Nipple

1шт.

28

VOE 13948774

Nipple

1шт.

29

VOE 13947281

Прокладка

L=2500

1шт.

29

VOE 13947281

Прокладка

L=2500

1шт.

3

VOE 942390

Rubber hose

L=400mm

1шт.

30

VOE 11062485

Nipple

1шт.

30

VOE 11062485

Nipple

1шт.

31

VOE 3092454

Contact

SE107

1шт.

32

VOE 13945460

Plastic pipe

L=200mm

1шт.

32

VOE 13945460

Plastic pipe

L=200mm

1шт.

33

VOE 13945461

Plastic pipe

L=1150mm

1шт.

33

VOE 13945461

Plastic pipe

L=1150mm

1шт.

34

VOE 326596

Fitting nut

1шт.

34

VOE 326596

Fitting nut

1шт.

35

VOE 326599

Ferrule

1шт.

35

VOE 326599

Ferrule

1шт.

36

VOE 967559

Втулка (распорная)

1шт.

37

VOE 11118363

Nipple

1шт.

37

VOE 11118363

Nipple

1шт.

38

VOE 338888

Hexagon nut

1шт.

38

VOE 338888

Hexagon nut

1шт.

39

VOE 326596

Fitting nut

1шт.

39

VOE 326596

Fitting nut

1шт.

4

VOE 13943472

Hose clamp

1шт.

40

VOE 326599

Ferrule

1шт.

40

VOE 326599

Ferrule

1шт.

41

VOE 967559

Втулка (распорная)

1шт.

42

VOE 13945461

Plastic pipe

L=3300mm

1шт.

42

VOE 13945461

Plastic pipe

L=3300mm

1шт.

43

VOE 4821292

Cable tie

1шт.

43

VOE 4821292

Cable tie

1шт.

44

VOE 945919

Elbow nipple

1шт.

44

VOE 945919

Elbow nipple

1шт.

45

VOE 945895

Hexagon nut

1шт.

45

VOE 945895

Hexagon nut

1шт.

46

VOE 13949657

Кольцо уплотнительное (О-кольцо)

1шт.

46

VOE 13949657

Кольцо уплотнительное (О-кольцо)

1шт.

48

VOE 326596

Fitting nut

1шт.

48

VOE 326596

Fitting nut

1шт.

49

VOE 326599

Ferrule

1шт.

49

VOE 326599

Ferrule

1шт.

5

VOE 1587177

Кольцо уплотнительное (О-кольцо)

1шт.

5

VOE 1587177

Кольцо уплотнительное (О-кольцо)

1шт.

50

VOE 967559

Втулка (распорная)

1шт.

6

VOE 13945894

Гайка

1шт.

6

VOE 13945894

Гайка

1шт.

7

VOE 945918

Elbow nipple

1шт.

8

VOE 326596

Fitting nut

1шт.

8

VOE 326596

Fitting nut

1шт.

9

VOE 326599

Ferrule

1шт.

9

VOE 326599

Ferrule

1шт.

Выбрано товаров: 84