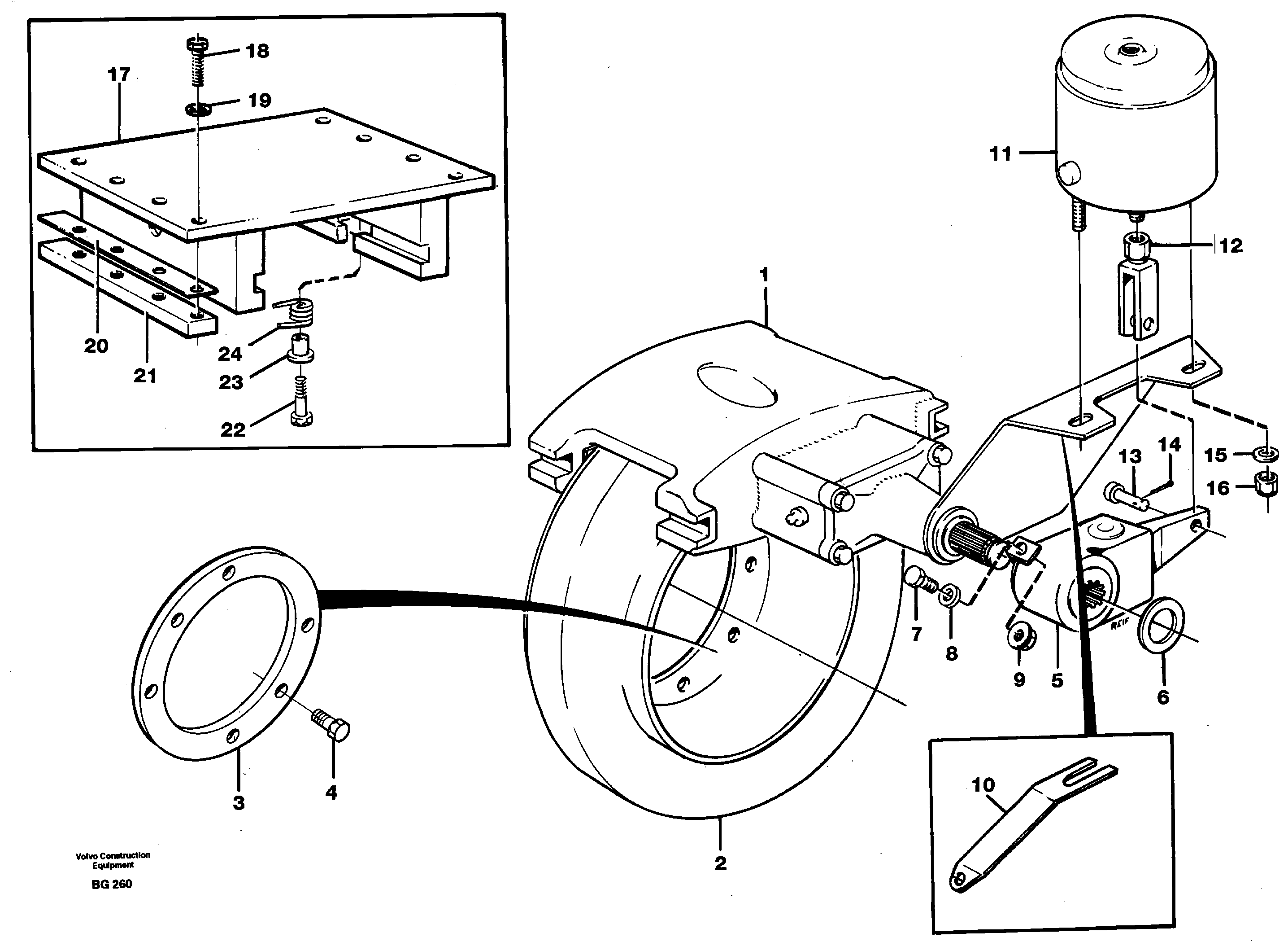
Запчасти Volvo A40 89337 Parking brake A40 VOLVO BM VOLVO BM A40 SER NO - 1151/- 60026

Схема запчастей Volvo A40 - 89337 Parking brake A40 VOLVO BM VOLVO BM A40 SER NO - 1151/- 60026
FIT
1:1
100%

Артикул

Название

Примечание

Количество

VOE 955373

Винт шестигранник

1шт.

VOE 955373

Винт шестигранник

1шт.

10

VOE 11052519

11052519

1шт.

12

VOE 1505067

Fork

1шт.

12

VOE 1505067

Fork

1шт.

13

VOE 7014545

Болт

1шт.

13

VOE 7014545

Болт

1шт.

14

VOE 907848

Cotter Pin

1шт.

15

VOE 11055608

Шайба

1шт.

15

VOE 11055608

Шайба

1шт.

16

VOE 950378

Lock nut

1шт.

16

VOE 950378

Lock nut

1шт.

17

VOE 11055407

11055407

1шт.

18

VOE 955372

Винт шестигранник

1шт.

18

VOE 955372

Винт шестигранник

1шт.

19

VOE 941912

Шайба пружинная

1шт.

19

VOE 941912

Шайба пружинная

1шт.

2

VOE 11055311

Brake disc

1шт.

20

VOE 11049267

11049267

1шт.

21

VOE 4970430

Nut plate

1шт.

22

VOE 13965187

Screw

1шт.

22

VOE 13965187

Болт

1шт.

23

VOE 4940868

Втулка

1шт.

23

VOE 4940868

Втулка

1шт.

24

VOE 4940867

Torsion spring

1шт.

24

VOE 4940867

Torsion spring

1шт.

3

VOE 11055819

Кольцо

1шт.

4

VOE 970926

Винт шестигранник

1шт.

4

VOE 970926

Винт шестигранник

1шт.

5

VOE 11049395

Slack adjuster

1шт.

6

VOE 11054100

Шайба

1шт.

7

VOE 946440

Flange screw

1шт.

7

VOE 946440

Flange screw

1шт.

8

VOE 13955894

Шайба

SER NO - 1034

1шт.

8

VOE 13955894

Шайба

SER NO - 1034

1шт.

9

VOE 13945408

Гайка

1шт.

9

VOE 13945408

Гайка

1шт.

Выбрано товаров: 37