Запчасти Volvo A40 13978 Water pump, secondary A40 VOLVO BM VOLVO BM A40 SER NO - 1151/- 60026

Схема запчастей Volvo A40 - 13978 Water pump, secondary A40 VOLVO BM VOLVO BM A40 SER NO - 1151/- 60026
FIT
1:1
100%

Артикул

Название

Примечание

Количество

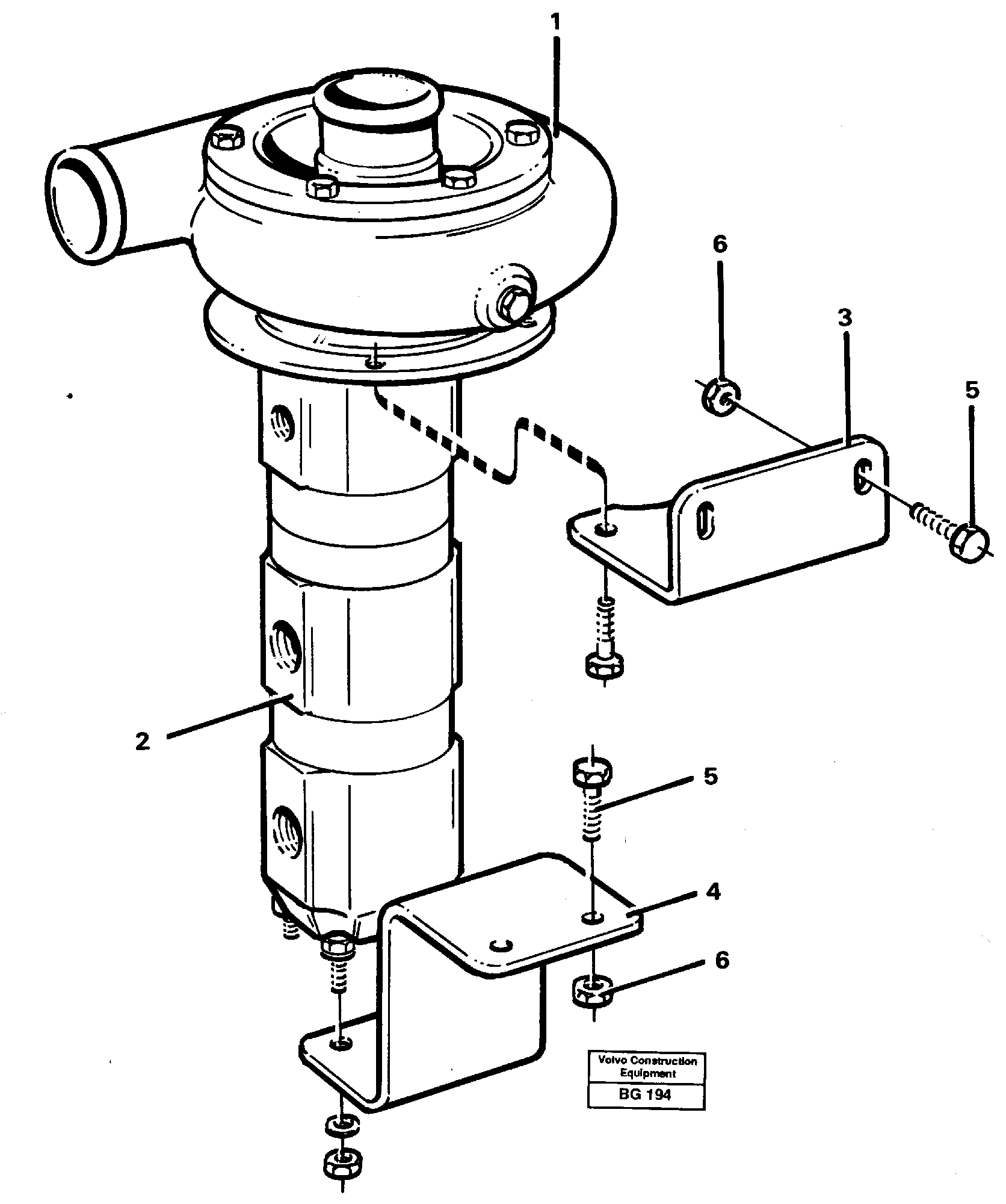
VOE 11701494

Sealing Kit

1шт.

VOE 11701494

Sealing Kit

1шт.

VOE 11062650

Водяной насос

1шт.

2

VOE 11062388

Двигатель в сборе

1шт.

3

VOE 11056709

Кронштейн

1шт.

4

VOE 11062545

Кронштейн

1шт.

5

VOE 13965191

Flange screw

1шт.

5

VOE 13965191

Болт

1шт.

6

VOE 971099

Flange Lock Nut

1шт.

6

VOE 971099

Flange Lock Nut

1шт.

Выбрано товаров: 10