Запчасти Volvo A40D 43737 Fuel pump

Схема запчастей Volvo A40D - 43737 Fuel pump
FIT
1:1
100%

Артикул

Название

Примечание

Количество

VOE 3092460

Fuel pump

ENG - 240248

1шт.

VOE 21067551

Fuel pump

ENG 240249 -

1шт.

VOE 21067551

Fuel pump

ENG 240249 -

1шт.

VOE 13947622

Plane gasket

1шт.

VOE 13947622

Plane gasket

1шт.

VOE 20430101

Клапан

1шт.

VOE 1677545

Пробка (заглушка)

1шт.

VOE 1677545

Пробка (заглушка)

1шт.

VOE 13947622

Plane gasket

1шт.

VOE 13947622

Plane gasket

1шт.

20810227

Compression Spring

1шт.

VOE 20768698

Valve Kit

1шт.

VOE 20430099

Valve Peg

1шт.

VOE 13947622

Plane gasket

1шт.

VOE 13947622

Plane gasket

1шт.

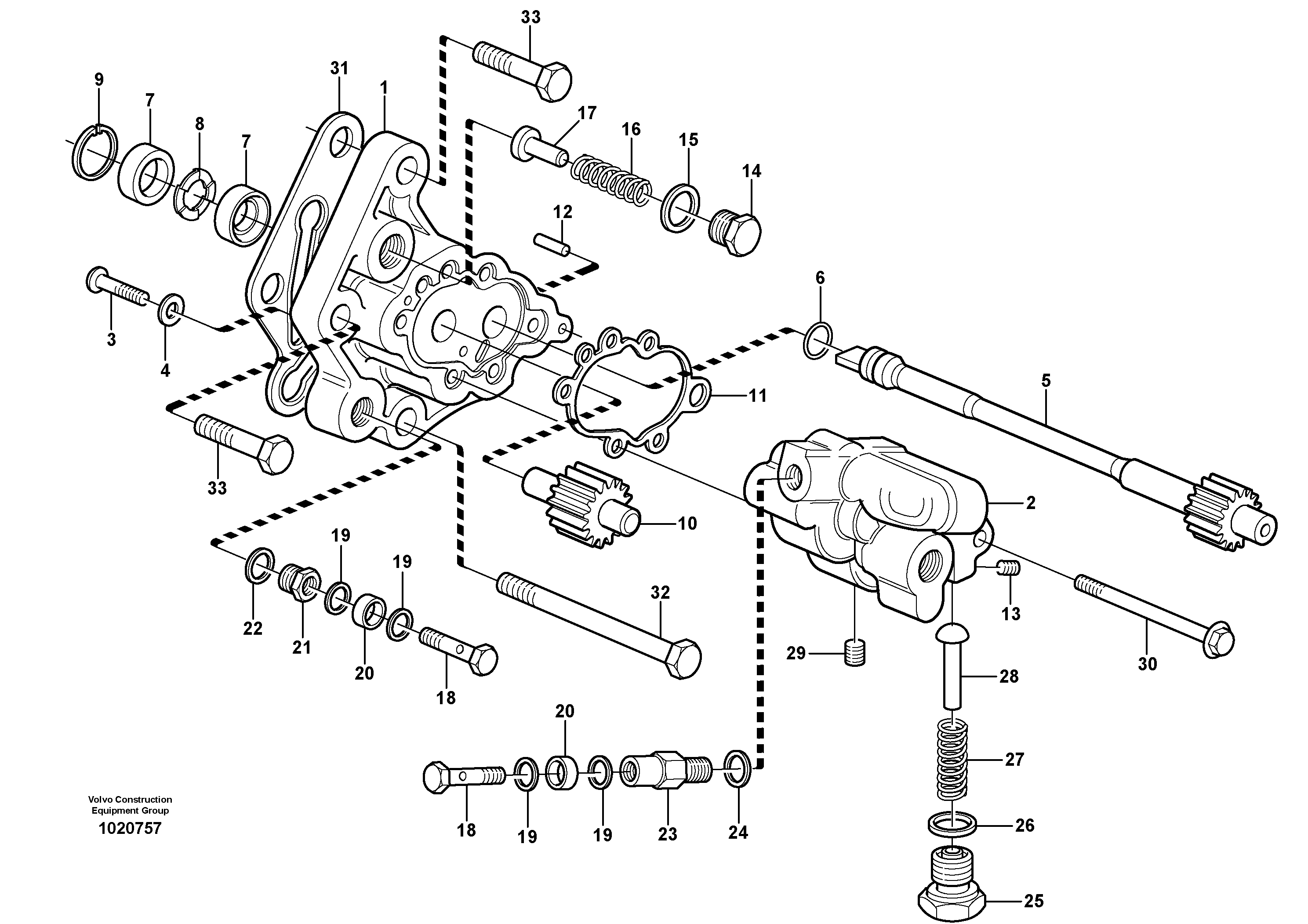
1

VOE 3165866

Картер (корпус)

1шт.

1

VOE 3165866

Картер (корпус)

1шт.

10

VOE 1547946

Вал

1шт.

10

VOE 1547946

Вал

1шт.

11

VOE 1547951

Кольцо уплотнительное

1шт.

11

VOE 1547951

Кольцо уплотнительное

1шт.

12

VOE 950501

Палец

1шт.

13

VOE 1677217

Sealing plug

1шт.

13

VOE 1677217

Sealing plug

1шт.

14

VOE 1677545

Пробка (заглушка)

1шт.

14

VOE 1677545

Пробка (заглушка)

1шт.

15

VOE 240572

Прокладка

1шт.

15

VOE 240572

Прокладка

1шт.

16

VOE 7076706

Пружина

1шт.

16

VOE 7076706

Пружина

1шт.

17

VOE 233572

Клапан

1шт.

17

VOE 233572

Клапан

1шт.

18

VOE 7074033

Hollow screw

1шт.

18

VOE 7074033

Hollow screw

1шт.

19

VOE 7011992

Прокладка

1шт.

19

VOE 7011992

Прокладка

1шт.

2

VOE 20381218

Крышка

1шт.

20

VOE 13949873

Spacer washer

1шт.

20

VOE 13949873

Spacer washer

1шт.

21

VOE 8148570

Пробка (заглушка)

1шт.

21

VOE 8148570

Пробка (заглушка)

1шт.

22

VOE 240572

Прокладка

1шт.

22

VOE 240572

Прокладка

1шт.

23

VOE 3184856

Клапан

1шт.

24

VOE 13947281

Прокладка

1шт.

24

VOE 13947281

Прокладка

1шт.

25

VOE 3155523

Valve seat

1шт.

26

VOE 240572

Прокладка

1шт.

26

VOE 240572

Прокладка

1шт.

27

VOE 20431469

Thrust Spring

1шт.

28

VOE 20749688

Valve Peg

1шт.

29

VOE 20381155

Sealing plug

1шт.

29

VOE 20381155

Sealing plug

1шт.

3

VOE 969408

Винт шестигранник (торцевой ключ)

1шт.

3

VOE 969408

Винт шестигранник (торцевой ключ)

1шт.

30

VOE 3184837

Flange screw

L = 70 MM

1шт.

30

VOE 3184837

Flange screw

L = 70 MM

1шт.

31

VOE 3964833

Прокладка

1шт.

31

VOE 3964833

Прокладка

1шт.

32

VOE 13965190

Болт

L = 100 MM

1шт.

32

VOE 13965190

Болт

L = 100 MM

1шт.

33

VOE 13965220

Болт

L = 45 MM

1шт.

33

VOE 13965220

Болт

L = 45 MM

1шт.

4

VOE 13940090

Шайба

1шт.

4

VOE 13940090

Шайба

1шт.

5

VOE 3165798

Вал

1шт.

5

VOE 3165798

Вал

1шт.

6

VOE 976013

Кольцо уплотнительное (О-кольцо)

1шт.

6

VOE 976013

Кольцо уплотнительное (О-кольцо)

1шт.

7

VOE 8148471

Кольцо уплотнительное

1шт.

7

VOE 8148471

Кольцо уплотнительное

1шт.

8

VOE 3165863

Вставка

1шт.

8

VOE 3165863

Вставка

1шт.

9

VOE 951085

Retaining ring

1шт.

9

VOE 951085

Кольцо стопорное

1шт.

Выбрано товаров: 75