Качественные детали и логистика
Оригинальные и аналоговые запчасти с доставкой по России, Казахстану и Беларуси
©2022 PartSell ООО "Система" ИНН 2463123282 ОГРН 1212400004838
Центральный офис: г. Красноярск, Академика Киренского, д.87, пом.4
Телефон: 8 (800) 777-65-74 Email: zakaz@partsell.ru
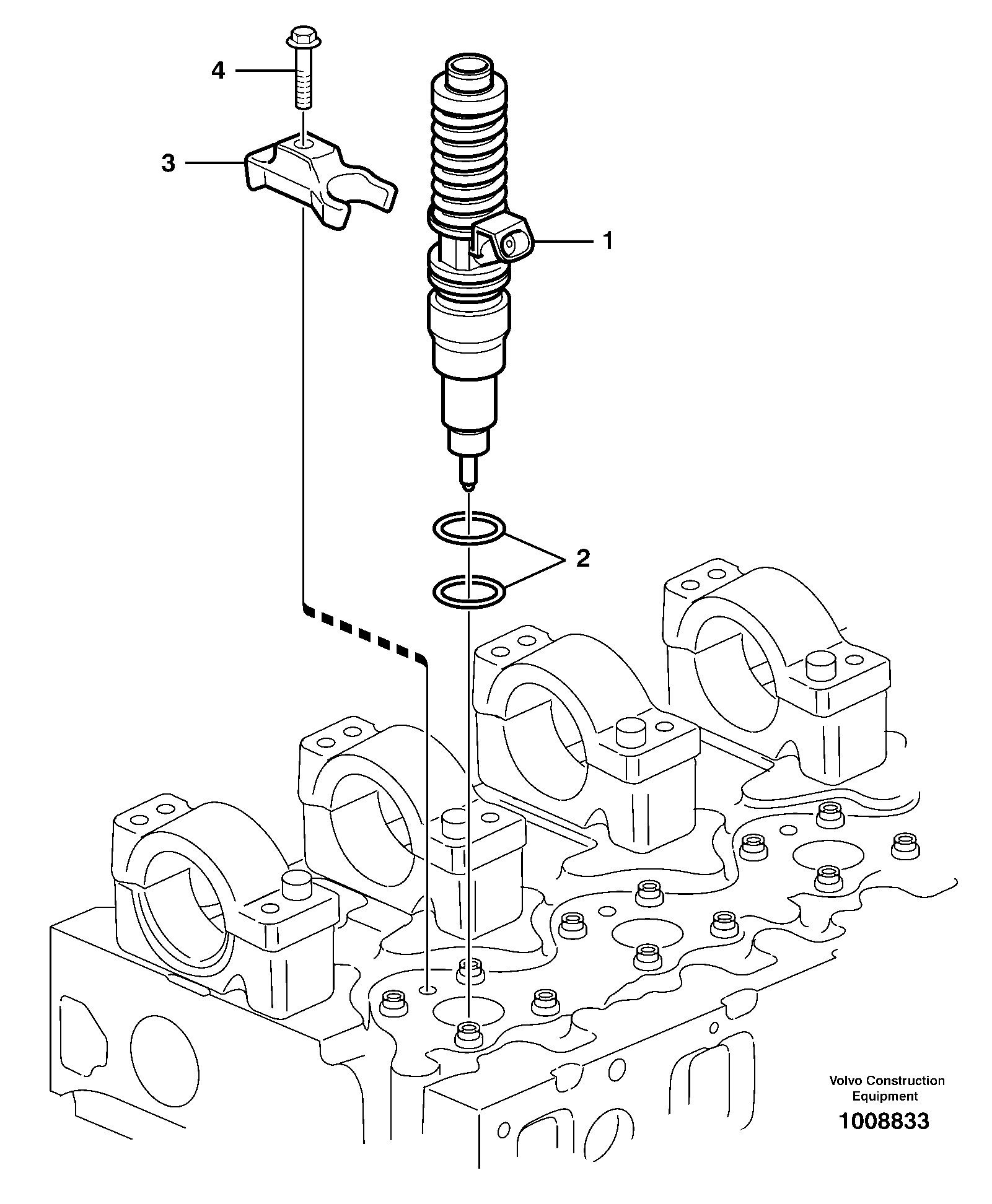
32498 Форсунка топливная (инжектор)
№
Артикул
Название
Примечание
Количество
1
VOE 20929906
Форсунка топливная (инжектор)
MA2301 - MA2306
1шт.
2
VOE 276935
Комплект уплотнительных колец
3
VOE 21168206
Вилка
4
VOE 8131597
Flange screw
Выбрано товаров: 0