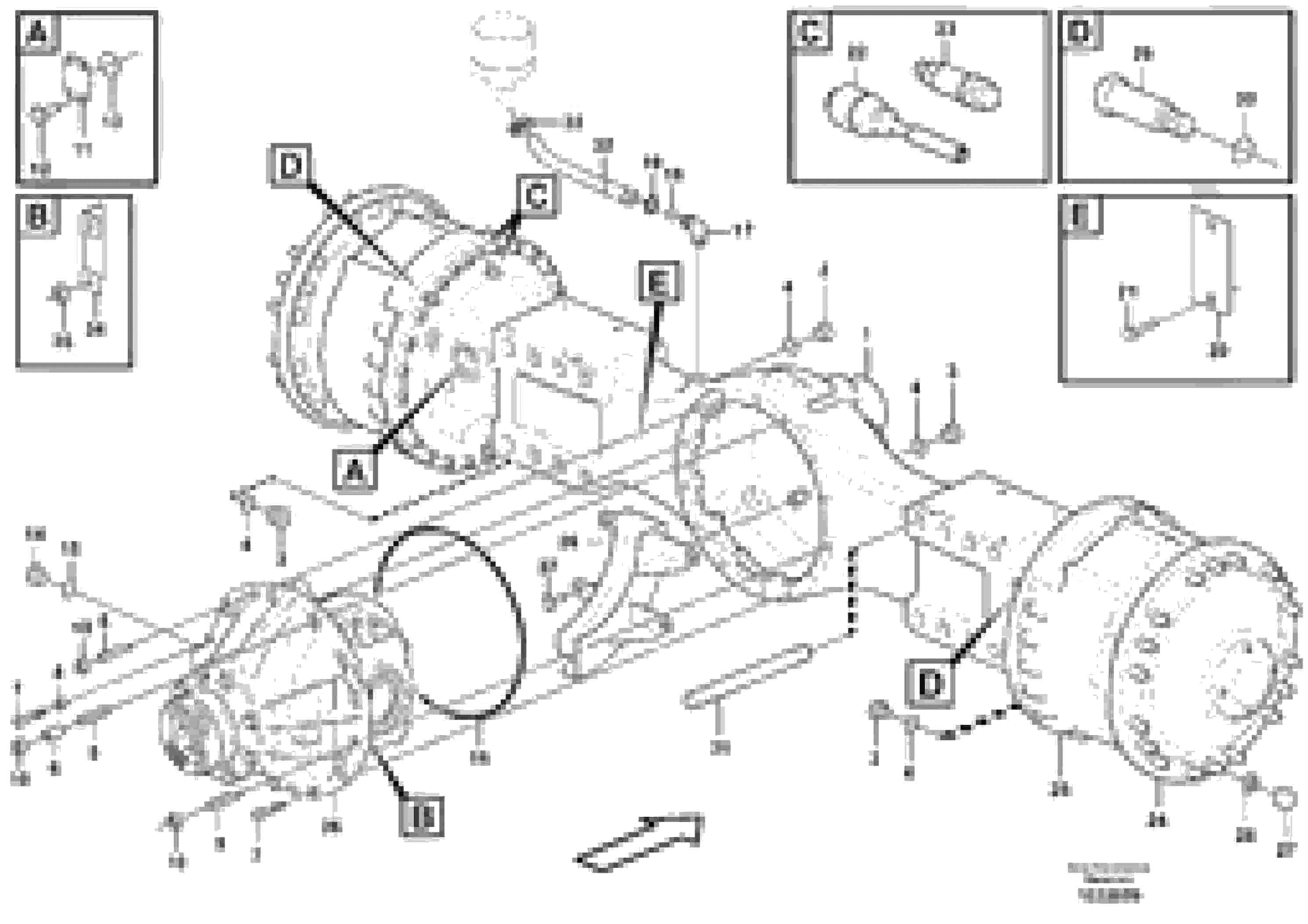
Запчасти Volvo A40E 40940 Planetary axle, motor unit

Схема запчастей Volvo A40E - 40940 Planetary axle, motor unit
FIT
1:1
100%

Артикул

Название

Примечание

Количество

VOE 23957

Planetary Axle

1шт.

1

VOE 11143266

Axle Casing

1шт.

10

VOE 979021

Hexagon nut

1шт.

10

VOE 979021

Hexagon nut

1шт.

11

VOE 11037816

Крышка

1шт.

11

VOE 11037816

Крышка

1шт.

12

VOE 946471

Flange screw

1шт.

12

VOE 946471

Flange screw

1шт.

13

VOE 949659

Кольцо уплотнительное (О-кольцо)

1шт.

13

VOE 949659

Кольцо уплотнительное (О-кольцо)

1шт.

14

VOE 960629

Пробка (заглушка)

1шт.

14

VOE 960629

Пробка (заглушка)

1шт.

15

VOE 13947282

Прокладка

1шт.

15

VOE 13947282

Прокладка

1шт.

16

VOE 993432

Кольцо уплотнительное (О-кольцо)

1шт.

17

VOE 931233

Nipple

1шт.

17

VOE 931233

Nipple

1шт.

18

VOE 931210

Кольцо уплотнительное (О-кольцо)

1шт.

18

VOE 931210

Кольцо уплотнительное (О-кольцо)

1шт.

19

VOE 931217

Back-up ring

1шт.

19

VOE 931217

Back-up ring

1шт.

2

VOE 11034156

Пробка (заглушка)

1шт.

2

VOE 11034156

Пробка (заглушка)

1шт.

20

VOE 13934511

Part Plate

1шт.

21

VOE 950891

Drive screw

1шт.

21

VOE 950891

Drive screw

1шт.

22

VOE 11143337

Wear Indicator

1шт.

23

VOE 11143326

Bleeder valve

1шт.

27

VOE 11100354

Nut cap

1шт.

27

VOE 11100354

Nut cap

1шт.

28

VOE 947972

Lug Nut

1шт.

29

VOE 11143084

Втулка (распорная)

1шт.

3

VOE 11102187

Пробка магнитная

1шт.

3

VOE 11102187

Пробка магнитная

1шт.

30

VOE 13976109

Кольцо уплотнительное (О-кольцо)

1шт.

30

VOE 13976109

Кольцо уплотнительное (О-кольцо)

1шт.

32

VOE 11196133

Шланг

1шт.

32

VOE 15017889

Hose assembly

1шт.

33

VOE 943470

Hose clamp

1шт.

33

VOE 943470

Hose clamp

1шт.

34

VOE 11198029

Protecting plate

1шт.

35

VOE 13968904

Flange nut

1шт.

35

VOE 13968904

Flange nut

1шт.

36

VOE 11143366

Крышка

1шт.

37

VOE 946440

Flange screw

1шт.

37

VOE 946440

Flange screw

1шт.

4

VOE 958228

Кольцо уплотнительное (О-кольцо)

1шт.

4

VOE 958228

Кольцо уплотнительное (О-кольцо)

1шт.

5

VOE 11143351

Шпилька

1шт.

6

VOE 11143352

Spacer sleeve

1шт.

7

VOE 949544

Винт шестигранник (торцевой ключ)

1шт.

7

VOE 949544

Hex. socket screw

1шт.

8

VOE 11102959

Spacer sleeve

1шт.

8

VOE 11102959

Spacer sleeve

1шт.

9

VOE 11143391

Шпилька

1шт.

Выбрано товаров: 55