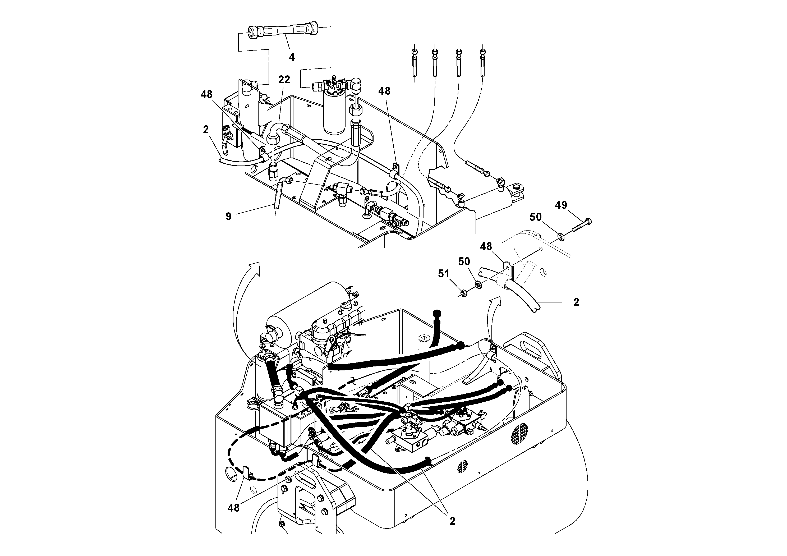
Запчасти Volvo CR24/CR30 S/N 197606 - 33000 Hydraulic hoses/tube installation

Схема запчастей Volvo CR24/CR30 S/N 197606 - - 33000 Hydraulic hoses/tube installation
FIT
1:1
100%

Артикул

Название

Примечание

Количество

2

RM 13165048

Hose assembly

1шт.

22

RM 59810820

Hose assembly

1шт.

4

RM 13023478

Шланг

CR-30

1шт.

48

RM 95396776

Hose clamp

1шт.

49

RM 96702659

Винт шестигранник

1шт.

49

RM 96702659

Винт шестигранник

1шт.

50

RM 96741038

Шайба

1шт.

50

RM 96741038

Шайба

1шт.

51

RM 96704606

Lock nut

1шт.

51

RM 96704606

Lock nut

1шт.

9

RM 59219964

Hose assembly

1шт.

Выбрано товаров: 11