Запчасти Volvo DD112HF/DD118HF/HA/HFA S/N 197518 - 61125 Maintenance Package

Схема запчастей Volvo DD112HF/DD118HF/HA/HFA S/N 197518 - - 61125 Maintenance Package
FIT
1:1
100%

Артикул

Название

Примечание

Количество

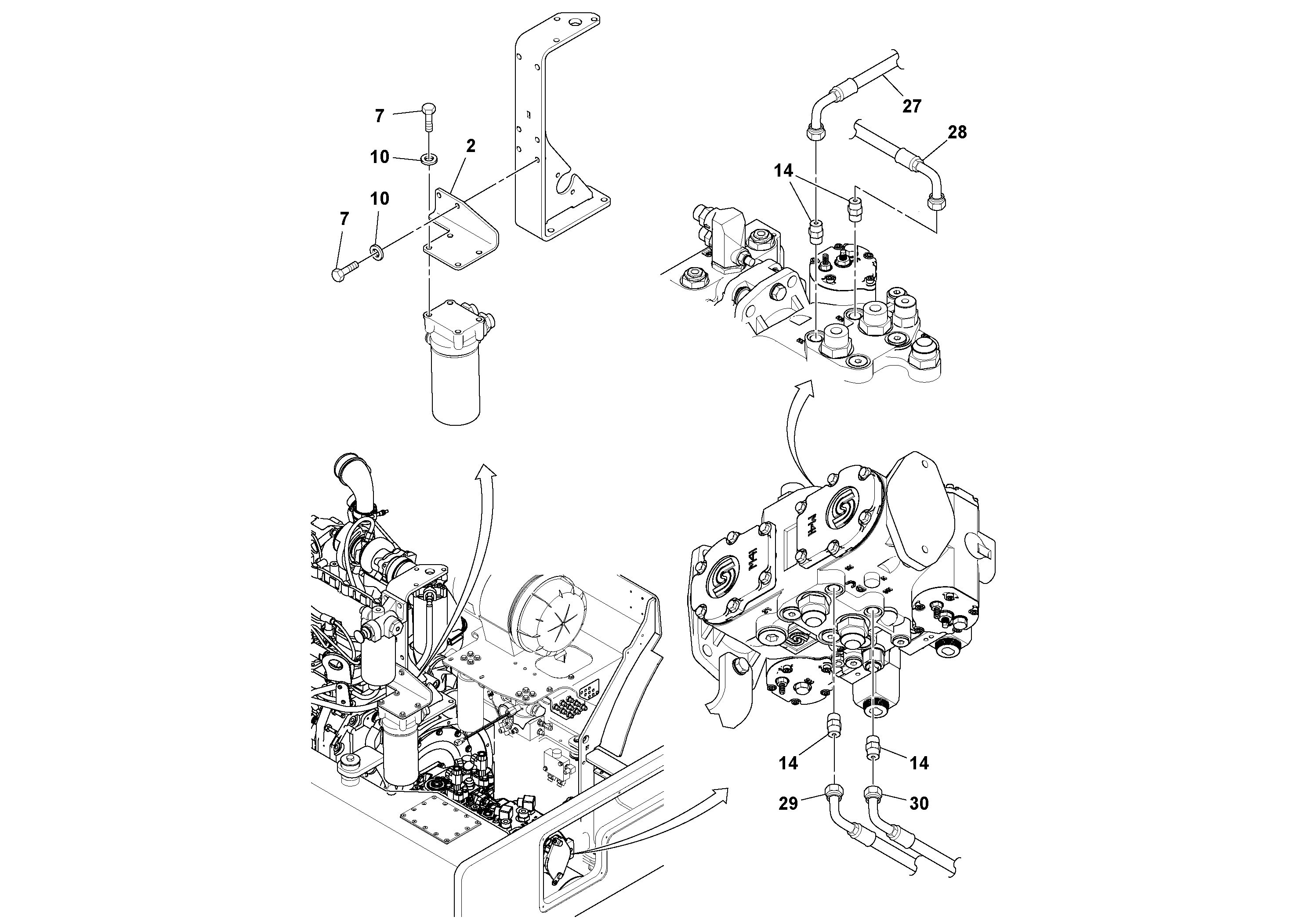
10

RM 96712674

Шайба

1шт.

10

RM 96712674

Шайба

1шт.

14

RM 59922419

Адаптер

1шт.

14

RM 59922419

Адаптер

1шт.

2

RM 13880646

Filter Bracket

1шт.

27

RM 43968502

Hose assembly

1шт.

28

RM 59198937

Hose assembly

1шт.

29

RM 43968528

Hose assembly

1шт.

30

RM 58962184

Hose 48"

1шт.

7

RM 96705439

Винт шестигранник

1шт.

Выбрано товаров: 10