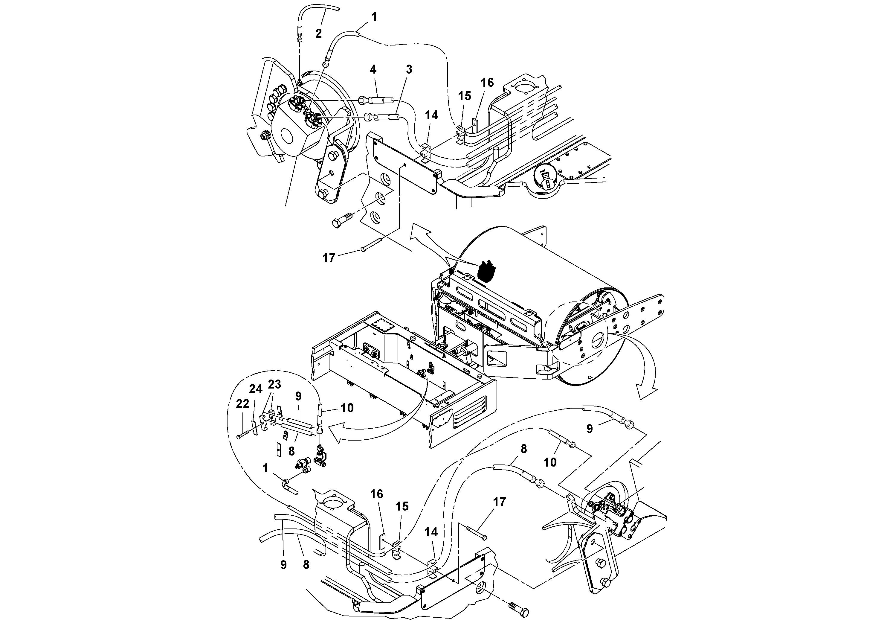
Запчасти Volvo DD112HF/DD118HF/HA/HFA S/N 197518 - 61143 Front Hose Installation

Схема запчастей Volvo DD112HF/DD118HF/HA/HFA S/N 197518 - - 61143 Front Hose Installation
FIT
1:1
100%

Артикул

Название

Примечание

Количество

RM 13199187

Hose assembly

DD-118HFA

1шт.

RM 13199187

Hose assembly

DD-118HFA

1шт.

1

RM 13472535

Hose assembly

1шт.

10

RM 13199161

Шланг

1шт.

14

RM 13235700

Hose clamp

1шт.

15

RM 13235726

Hose clamp

1шт.

16

RM 13348974

Зажим

1шт.

17

RM 13365655

Болт

1шт.

2

RM 13267794

Рукав высокого давления (РВД)

1шт.

22

RM 95920575

Болт

1шт.

23

RM 59656330

Зажим

1шт.

23

RM 59656330

Зажим

1шт.

24

RM 59656322

Шайба

1шт.

24

RM 59656322

Шайба

1шт.

3

RM 13176979

Hose assembly

1шт.

4

RM 13402409

Hose assembly

1шт.

8

RM 59185249

Hose assembly

1шт.

9

RM 59185249

Hose assembly

1шт.

Выбрано товаров: 18