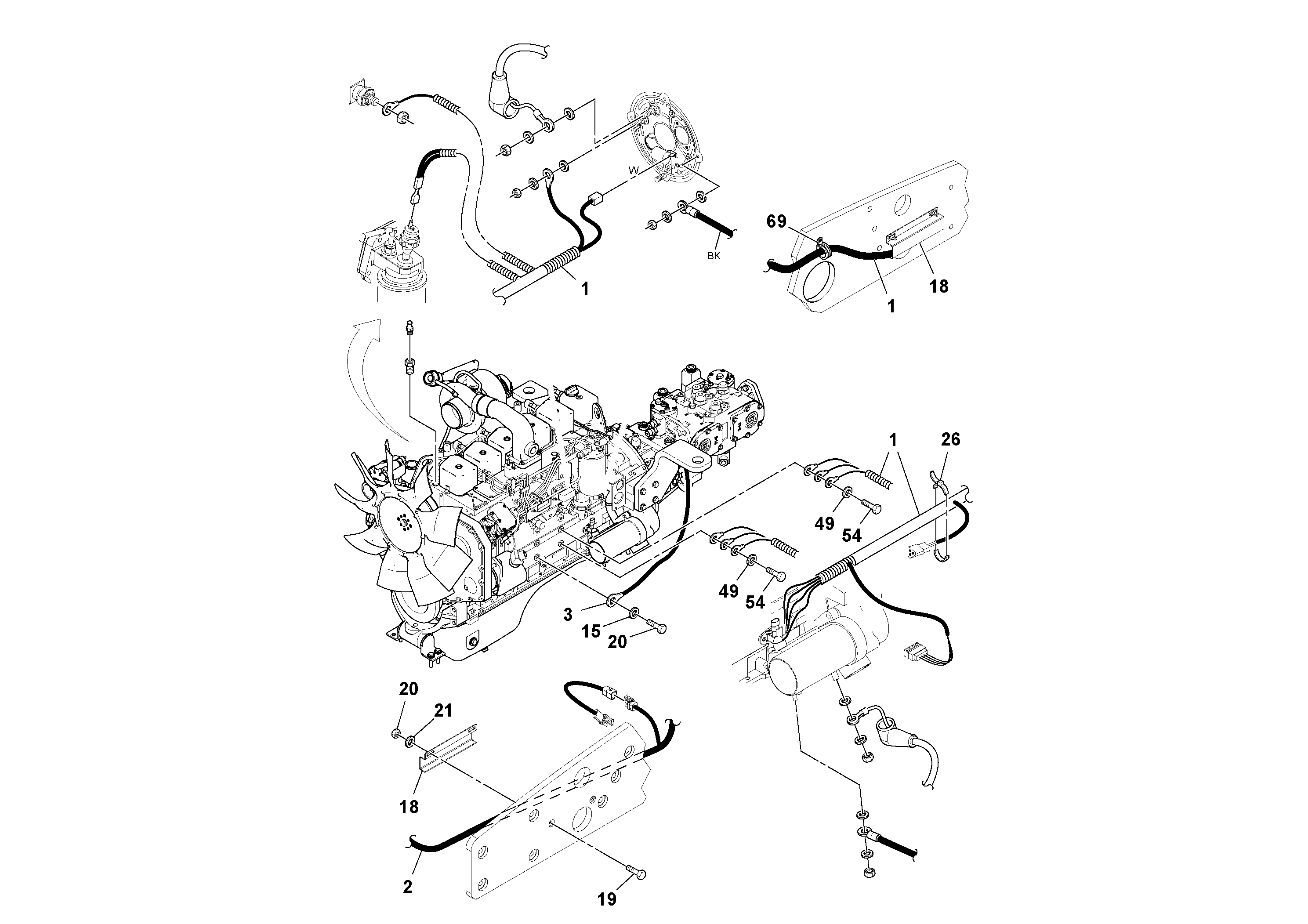
Запчасти Volvo DD112HF/DD118HF/HA/HFA S/N 197518 - 100098 Electrical Installation

Схема запчастей Volvo DD112HF/DD118HF/HA/HFA S/N 197518 - - 100098 Electrical Installation
FIT
1:1
100%

Артикул

Название

Примечание

Количество

RM 43879352

43879352

S/N -198301

1шт.

RM 43821677

Solid State Rel

1шт.

RM 59436923

Реле

1шт.

RM 13864806

Insulating sheet

1шт.

RM 13264858

Fuse box

1шт.

1

RM 43959329

Main cable harness

S/N 198301-

1шт.

15

RM 96741038

Шайба

1шт.

15

RM 96741038

Шайба

1шт.

18

RM 13294418

Guard

1шт.

19

RM 96726302

Болт

1шт.

2

RM 43900653

Cable

1шт.

3

RM 43900661

Cable

1шт.

49

RM 96738596

Шайба

1шт.

54

RM 96701495

Винт шестигранник

1шт.

54

RM 96701495

Винт шестигранник

1шт.

Выбрано товаров: 15