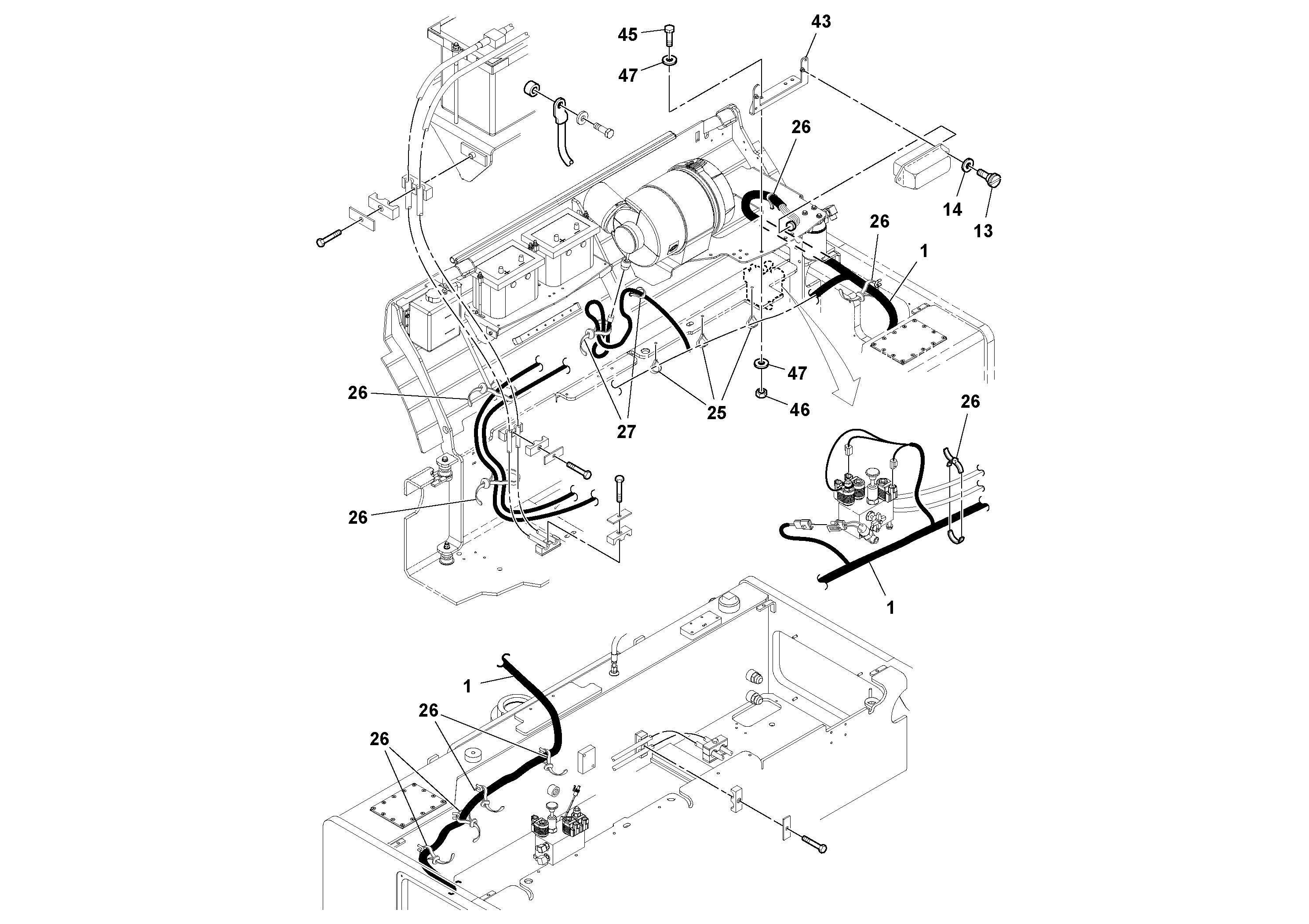
Запчасти Volvo DD112HF/DD118HF/HA/HFA S/N 197518 - 59129 Electrical Installation

Схема запчастей Volvo DD112HF/DD118HF/HA/HFA S/N 197518 - - 59129 Electrical Installation
FIT
1:1
100%

Артикул

Название

Примечание

Количество

RM 43879352

43879352

S/N -198301

1шт.

RM 13264858

Fuse box

1шт.

RM 13864806

Insulating sheet

1шт.

RM 59436923

Реле

1шт.

RM 43821677

Solid State Rel

1шт.

1

RM 43959329

Main cable harness

S/N 198301-

1шт.

13

RM 96745518

Винт шестигранник

1шт.

14

RM 13411822

Retaining ring

1шт.

25

RM 58820168

Locking wire

1шт.

26

RM 95373973

Locking wire

1шт.

26

RM 95373973

Locking wire

1шт.

27

RM 95424586

Cable tie

1шт.

27

RM 95424586

Cable tie

1шт.

43

RM 43881978

Кронштейн

1шт.

45

RM 96704614

Гайка

1шт.

45

RM 96704614

Гайка

1шт.

46

RM 96719794

Винт шестигранник

1шт.

47

RM 96714407

Плоская шайба

1шт.

Выбрано товаров: 18