Запчасти Volvo DD126HF S/N 53537 - 90072 HID Light installation

Схема запчастей Volvo DD126HF S/N 53537 - - 90072 HID Light installation
FIT
1:1
100%

Артикул

Название

Примечание

Количество

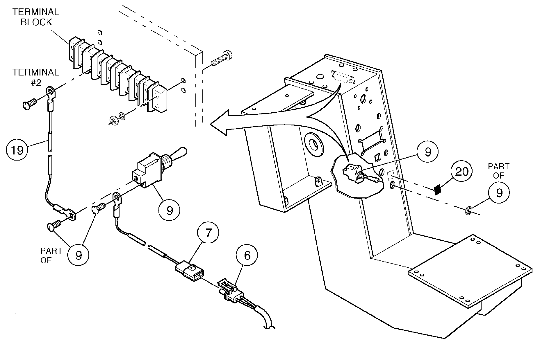
19

RM 59222349

Cable harness

1шт.

20

RM 54637418

Decal

1шт.

6

RM 59172502

Light relay

1шт.

6

RM 58965377

Реле

1шт.

6

RM 58965377

Реле

1шт.

7

RM 59170654

Cable harness

1шт.

9

RM 59634105

Переключатель

1шт.

Выбрано товаров: 7