Запчасти Volvo DD126HF S/N 53537 - 89457 Engine Installation

Схема запчастей Volvo DD126HF S/N 53537 - - 89457 Engine Installation
FIT
1:1
100%

Артикул

Название

Примечание

Количество

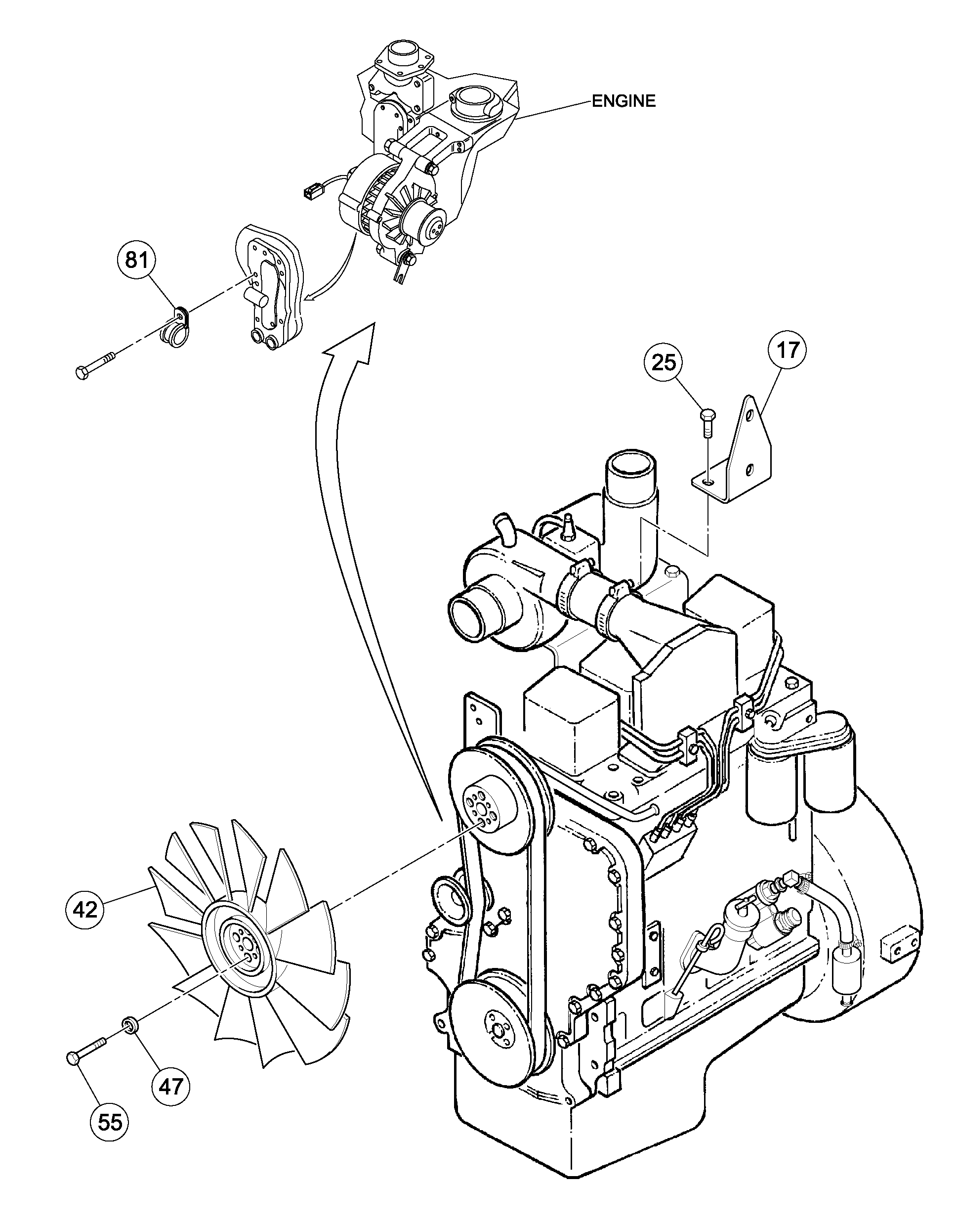
17

RM 59206748

Кронштейн

1шт.

25

RM 96727011

Болт

1шт.

42

RM 59189316

Вентилятор

1шт.

47

RM 96741038

Шайба

1шт.

47

RM 96741038

Шайба

1шт.

55

RM 96726435

Винт шестигранник

1шт.

81

RM 59117317

Зажим

1шт.

81

RM 59117317

Зажим

1шт.

Выбрано товаров: 8