Запчасти Volvo DD126HF S/N 53537 - 90872 HID/work light installation

Схема запчастей Volvo DD126HF S/N 53537 - - 90872 HID/work light installation
FIT
1:1
100%

Артикул

Название

Примечание

Количество

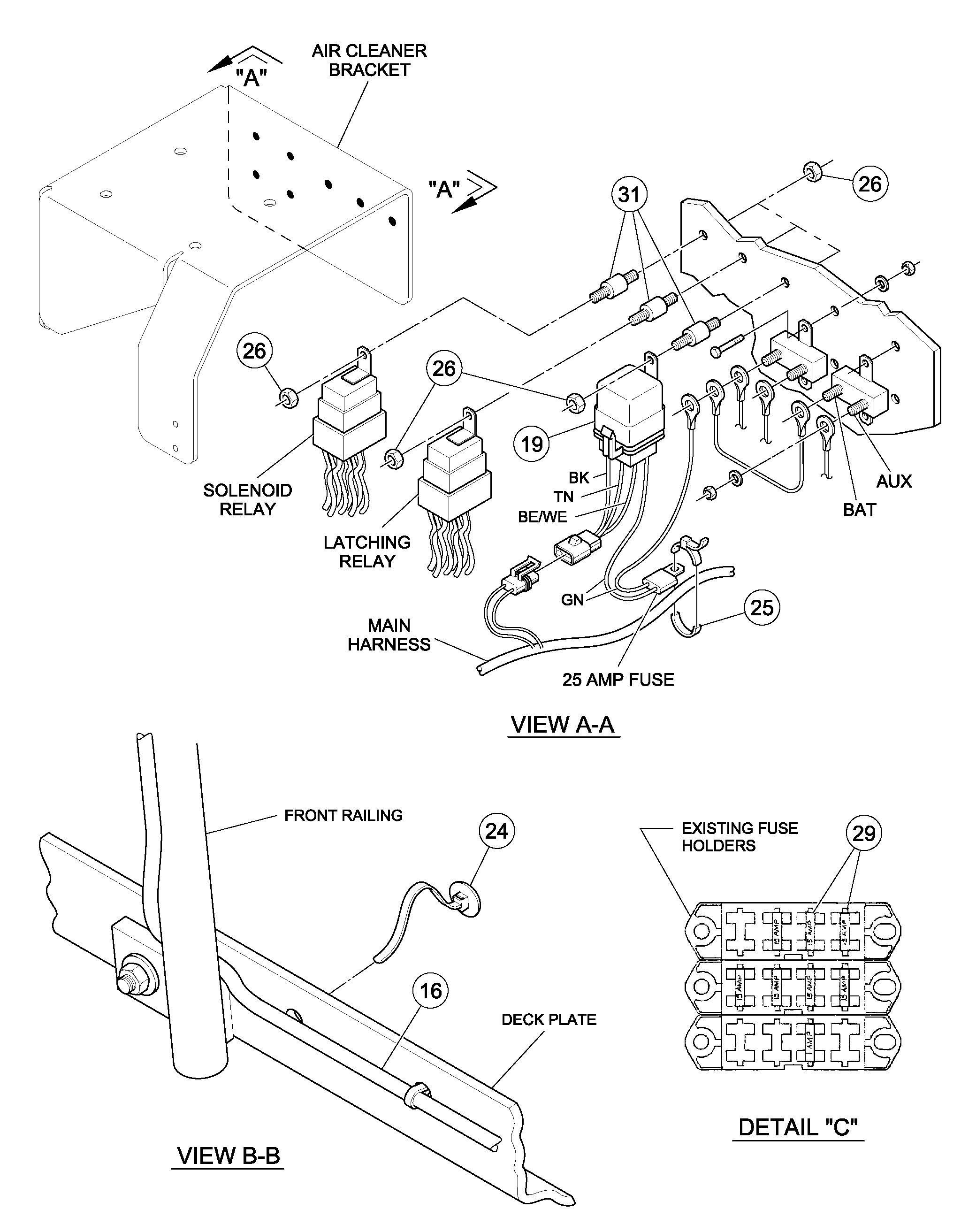
16

RM 58814922

Cable harness

1шт.

19

RM 58965377

Реле

1шт.

19

RM 58965377

Реле

1шт.

19

RM 59325720

Fuse

25Amp

1шт.

19

RM 59233676

Cable harness

1шт.

24

RM 58820168

Locking wire

1шт.

25

RM 95424586

Cable tie

1шт.

25

RM 95424586

Cable tie

1шт.

26

RM 59327825

Hexagon nut

1шт.

29

RM 59483339

Fuse

15Amp

1шт.

29

RM 59483339

Fuse

15Amp

1шт.

31

RM 59970384

Rubber damper

1шт.

Выбрано товаров: 0