Запчасти Volvo DD126HF S/N 53537 - 81703 Main Cable Harness Installation

Схема запчастей Volvo DD126HF S/N 53537 - - 81703 Main Cable Harness Installation
FIT
1:1
100%

Артикул

Название

Примечание

Количество

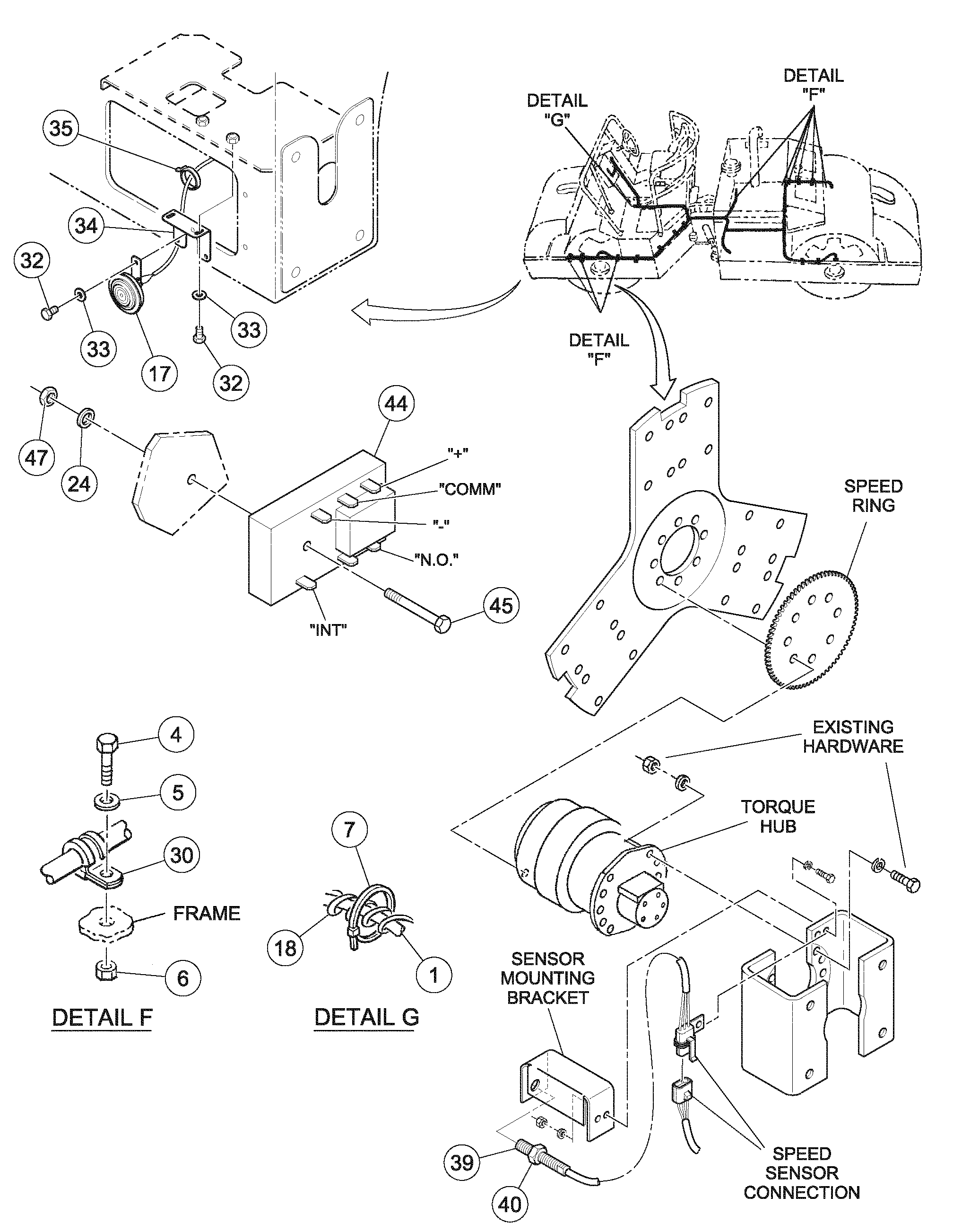
1

RM 13847744

Cable harness

1шт.

17

RM 13469010

Horn

1шт.

17

RM 13469010

Horn

1шт.

24

RM 96738554

Плоская шайба

1шт.

24

RM 96738554

Плоская шайба

1шт.

30

RM 59397059

Зажим

1шт.

32

RM 96702824

Винт шестигранник

1шт.

32

RM 96702824

Винт шестигранник

1шт.

33

RM 96741038

Шайба

1шт.

33

RM 96741038

Шайба

1шт.

34

RM 59191007

Кронштейн

1шт.

35

RM 58820168

Locking wire

1шт.

39

RM 59222661

Sensor

1шт.

4

RM 95919205

Болт

1шт.

40

RM 58776675

Lock nut

1шт.

44

RM 59262469

Module

1шт.

45

RM 96738430

Винт шестигранник

1шт.

47

RM 96702865

Гайка

1шт.

5

RM 95922324

Плоская шайба

1шт.

5

RM 95922324

Плоская шайба

1шт.

6

RM 95923298

Lock nut

1шт.

7

RM 95373973

Locking wire

1шт.

7

RM 95373973

Locking wire

1шт.

Выбрано товаров: 23