Запчасти Volvo DD126HF S/N 53537 - 84961 Main Cable Harness Installation

Схема запчастей Volvo DD126HF S/N 53537 - - 84961 Main Cable Harness Installation
FIT
1:1
100%

Артикул

Название

Примечание

Количество

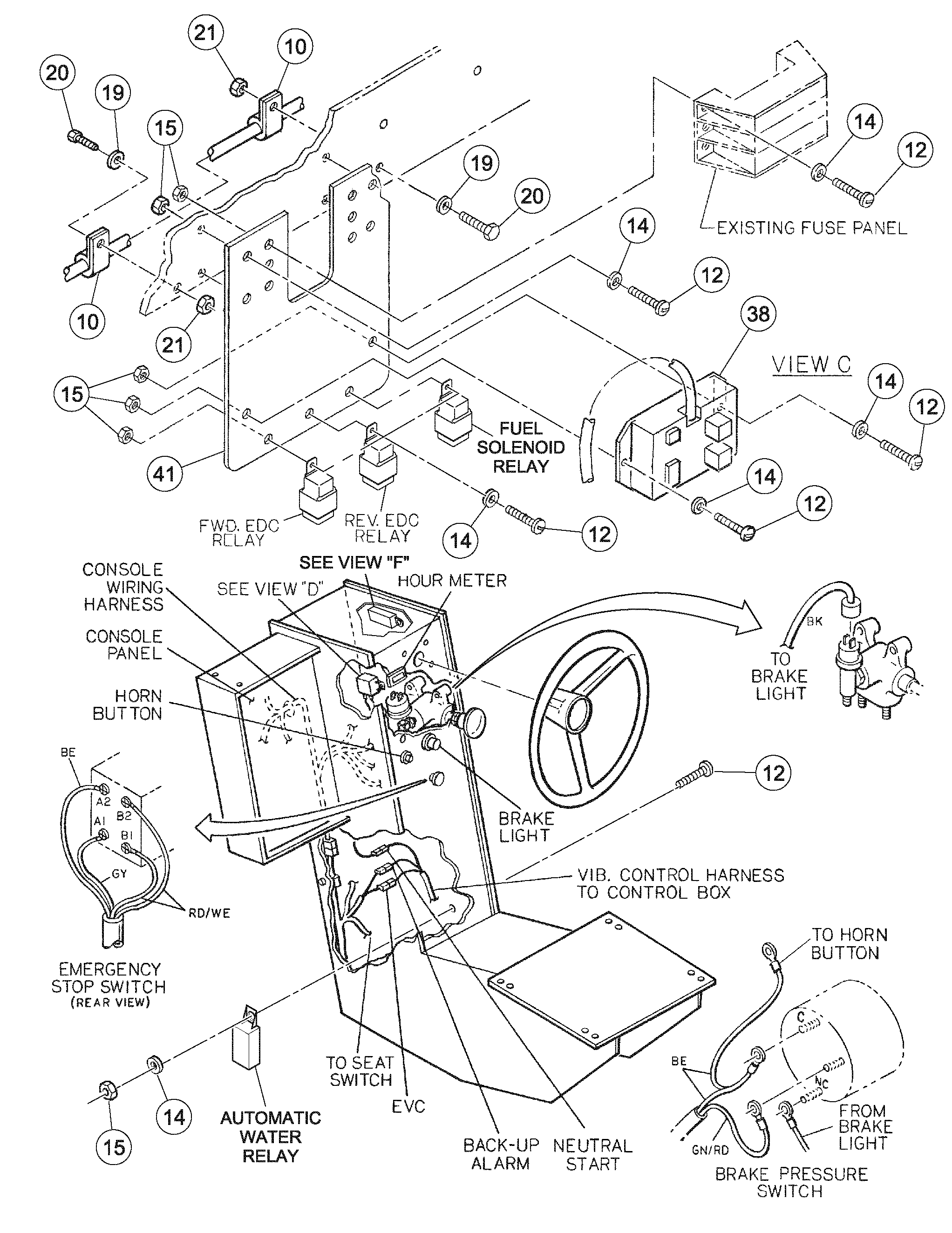
10

RM 95457586

Зажим

1шт.

12

RM 95922134

Болт

1шт.

14

RM 95922332

Плоская шайба

1шт.

14

RM 95922332

Плоская шайба

1шт.

15

RM 95943346

Гайка

1шт.

19

RM 95922373

Плоская шайба

1шт.

19

RM 95922373

Плоская шайба

1шт.

20

RM 95919239

Винт шестигранник

1шт.

21

RM 95923322

Lock nut

1шт.

21

RM 95923322

Lock nut

1шт.

38

RM 43845064

Переключатель

1шт.

38

RM 13305008

Переключатель

1шт.

38

13391842

13391842

1шт.

41

RM 59096941

Plate:fuse & Sw

1шт.

Выбрано товаров: 14