Качественные детали и логистика
Оригинальные и аналоговые запчасти с доставкой по России, Казахстану и Беларуси
©2022 PartSell ООО "Система" ИНН 2463123282 ОГРН 1212400004838
Центральный офис: г. Красноярск, Академика Киренского, д.87, пом.4
Телефон: 8 (800) 777-65-74 Email: zakaz@partsell.ru
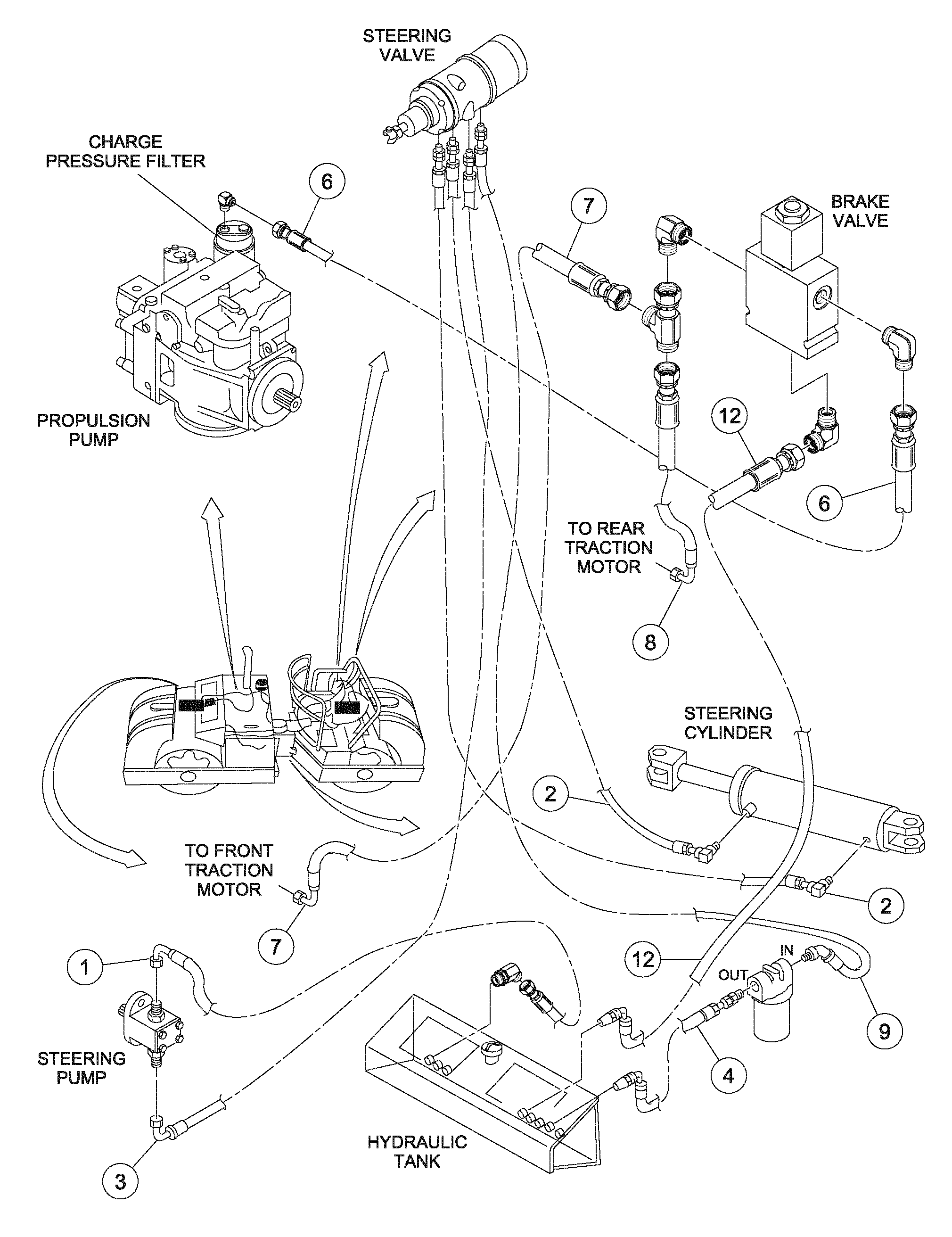
86316 Steering Hoses Installation
№
Артикул
Название
Примечание
Количество
1
RM 59203653
Рукав высокого давления (РВД)
1шт.
12
RM 13107511
Hose assembly
2
RM 58783259
3
RM 13180427
4
RM 59203703
6
RM 58827692
Hydraulic hose
7
RM 59232827
8
RM 59232835
9
RM 59203711
Выбрано товаров: 0