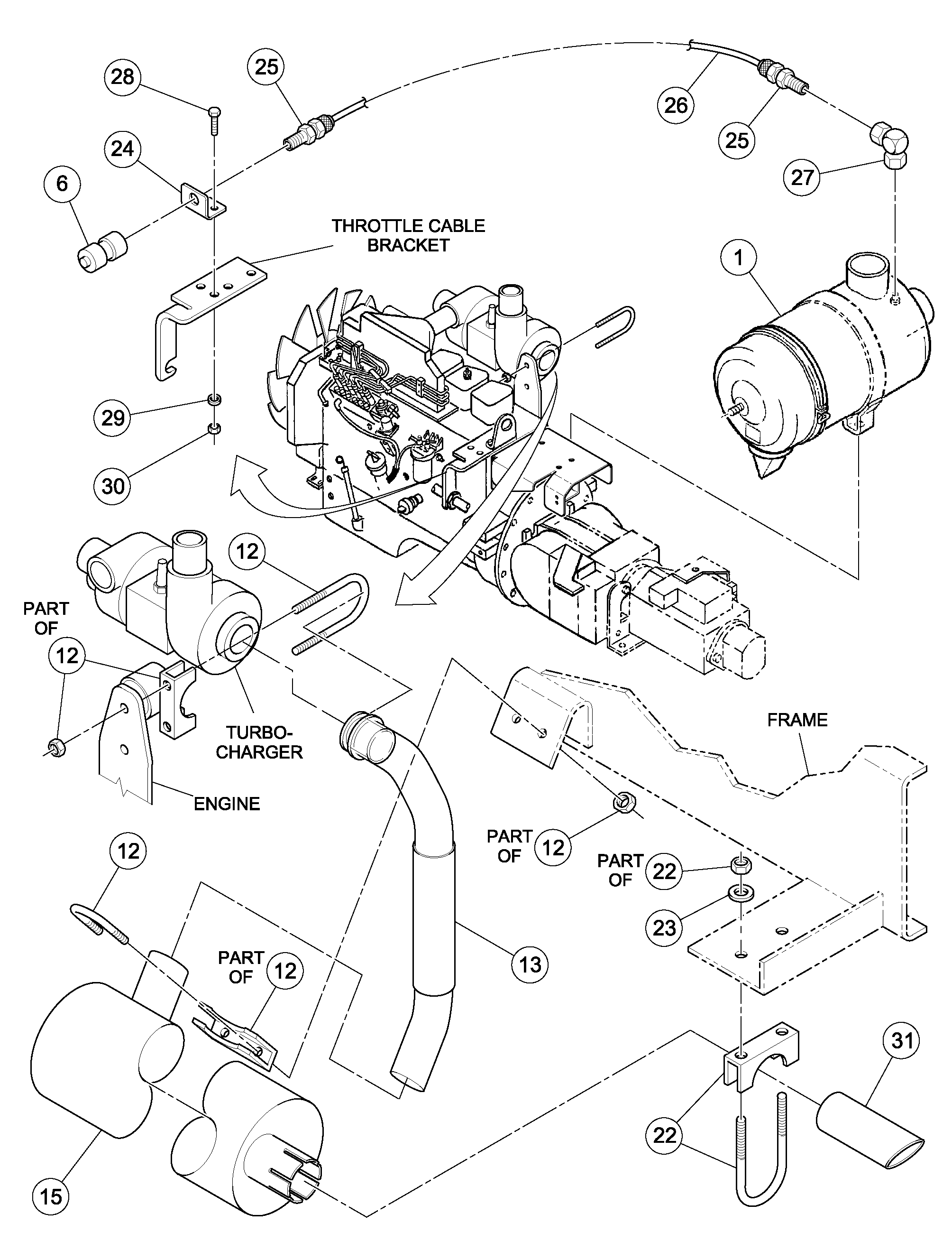
Запчасти Volvo DD126HF S/N 53537 - 89842 Air cleaner installation

Схема запчастей Volvo DD126HF S/N 53537 - - 89842 Air cleaner installation
FIT
1:1
100%

Артикул

Название

Примечание

Количество

1

RM 50938950

Baffle

1шт.

1

RM 50938935

Гайка

1шт.

1

RM 56982143

Клапан

1шт.

1

RM 43931922

Air filter insert

1шт.

1

RM 43931914

Air Cleaner

1шт.

1

RM 43931930

Air filter insert

1шт.

1

RM 50938943

Зажим

1шт.

1

RM 59155564

Cup

1шт.

12

RM 50266972

Зажим

1шт.

13

RM 59171983

Exhaust pipe

1шт.

15

RM 13853643

Silencer

1шт.

22

RM 59495036

Зажим

1шт.

22

RM 59495036

Зажим

1шт.

23

RM 96741046

Плоская шайба

1шт.

23

RM 96741046

Плоская шайба

1шт.

24

RM 59206813

Кронштейн

1шт.

25

RM 59311621

Соединитель

1шт.

26

RM 59312868

Трубка

1шт.

27

RM 95423331

Elbow

1шт.

28

RM 95921755

Болт

1шт.

29

RM 95922332

Плоская шайба

1шт.

29

RM 95922332

Плоская шайба

1шт.

30

RM 95943346

Гайка

1шт.

31

RM 59210740

Tail pipe

1шт.

6

RM 50266907

Indicator

1шт.

Выбрано товаров: 25