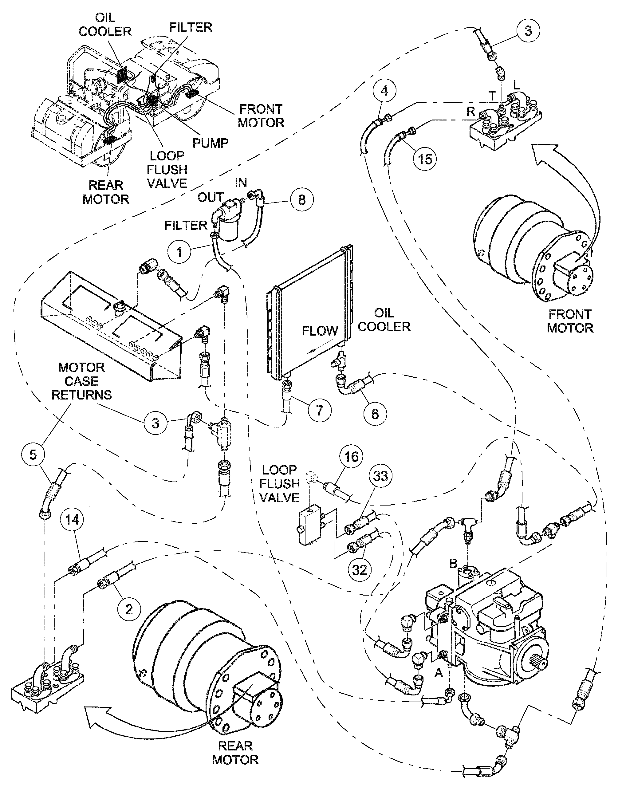
Запчасти Volvo DD126HF S/N 53537 - 82779 Traction Hoses Installation

Схема запчастей Volvo DD126HF S/N 53537 - - 82779 Traction Hoses Installation
FIT
1:1
100%

Артикул

Название

Примечание

Количество

1

RM 59431395

Шланг

1шт.

14

RM 13161302

Hose assembly

1шт.

15

RM 59036459

Hose assembly

1шт.

16

RM 59216374

Hose assembly

1шт.

2

RM 59177949

Hose assembly

1шт.

3

RM 59185405

Hose assembly

1шт.

32

RM 59216820

Hose assembly

1шт.

33

RM 59216911

Hose assembly

1шт.

4

RM 59177964

Hose assembly

1шт.

5

RM 59232736

Hose assembly

1шт.

6

RM 59216812

Hose assembly

1шт.

7

RM 59216358

Hose assembly

1шт.

8

RM 59216218

Hose assembly

1шт.

Выбрано товаров: 13