Запчасти Volvo DD126HF S/N 53537 - 82294 Vibration Motor

Схема запчастей Volvo DD126HF S/N 53537 - - 82294 Vibration Motor
FIT
1:1
100%

Артикул

Название

Примечание

Количество

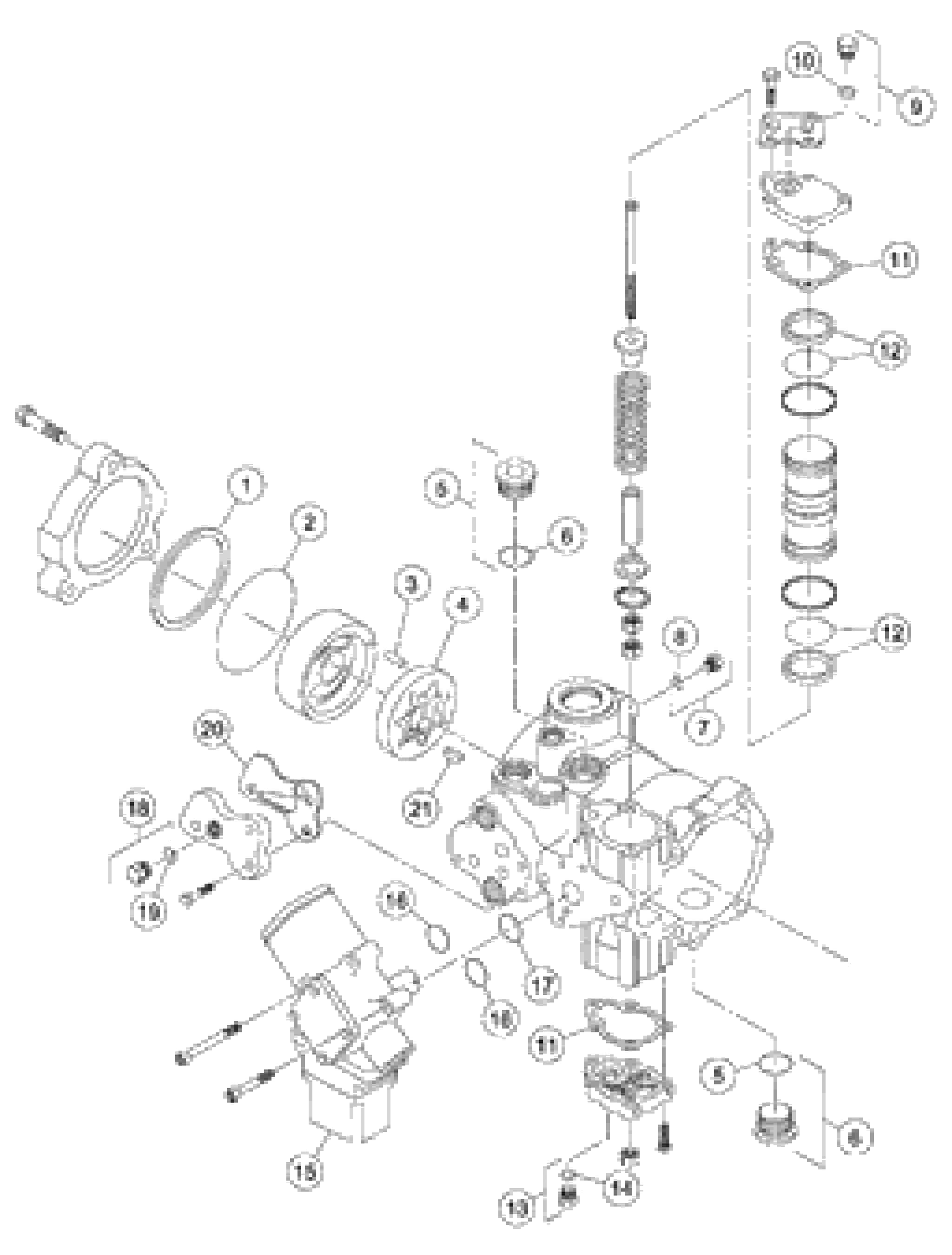
RM 43845098

Piston pump

1шт.

1

RM 59785642

Кольцо

1шт.

10

RM 59698811

Кольцо уплотнительное (О-кольцо)

1шт.

10

RM 59698811

Кольцо уплотнительное (О-кольцо)

1шт.

11

RM 59938373

Прокладка

1шт.

11

RM 59938373

Прокладка

1шт.

12

RM 59972877

Кольцо уплотнительное (О-кольцо)

1шт.

12

RM 59972877

Кольцо уплотнительное (О-кольцо)

1шт.

13

RM 59933622

Пробка (заглушка)

1шт.

13

RM 59933622

Пробка (заглушка)

1шт.

14

RM 59698811

Кольцо уплотнительное (О-кольцо)

1шт.

14

RM 59698811

Кольцо уплотнительное (О-кольцо)

1шт.

15

RM 59123737

Клапан

1шт.

16

RM 59360925

Кольцо уплотнительное (О-кольцо)

1шт.

17

RM 95086062

Кольцо уплотнительное (О-кольцо)

1шт.

18

RM 59933622

Пробка (заглушка)

1шт.

18

RM 59933622

Пробка (заглушка)

1шт.

19

RM 59698811

Кольцо уплотнительное (О-кольцо)

1шт.

19

RM 59698811

Кольцо уплотнительное (О-кольцо)

1шт.

2

RM 58903741

Кольцо уплотнительное (О-кольцо)

1шт.

2

RM 58903741

Кольцо уплотнительное (О-кольцо)

1шт.

20

RM 58815622

Прокладка

1шт.

20

RM 58815622

Прокладка

1шт.

21

RM 59785311

Key

1шт.

3

RM 58815606

Палец

1шт.

4

RM 59785246

Гидронасос (основной насос)

1шт.

5

RM 59949461

Пробка (заглушка)

1шт.

6

RM 58220567

Кольцо уплотнительное (О-кольцо)

1шт.

7

RM 58950783

Пробка (заглушка)

1шт.

8

RM 59698811

Кольцо уплотнительное (О-кольцо)

1шт.

8

RM 59698811

Кольцо уплотнительное (О-кольцо)

1шт.

9

RM 59933622

Пробка (заглушка)

1шт.

9

RM 59933622

Пробка (заглушка)

1шт.

Выбрано товаров: 33