Запчасти Volvo DD126HF S/N 53537 - 84191 Control Lever Assembly

Схема запчастей Volvo DD126HF S/N 53537 - - 84191 Control Lever Assembly
FIT
1:1
100%

Артикул

Название

Примечание

Количество

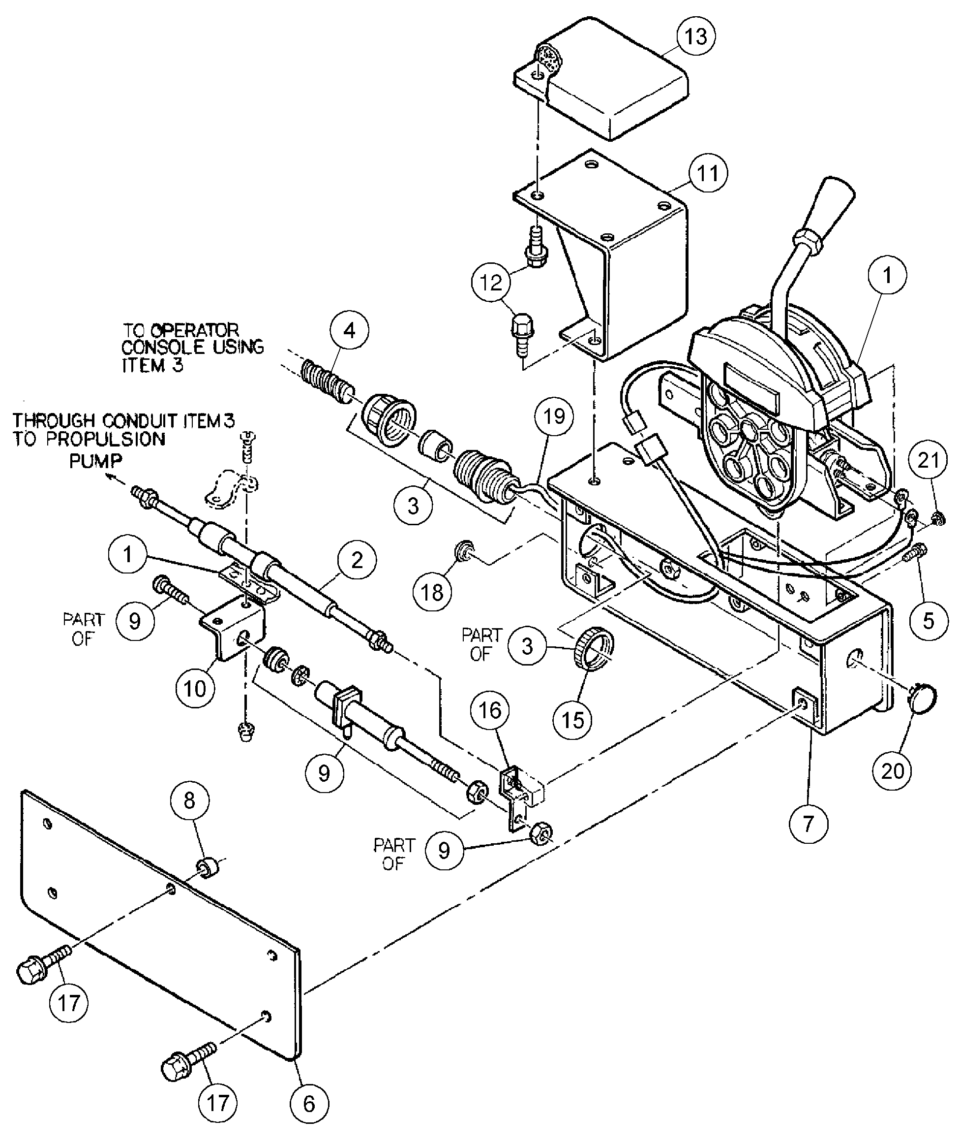
1

RM 59240242

Control lever

1шт.

10

RM 59313593

Rear plate

1шт.

11

RM 59429464

Arm rest

1шт.

12

RM 59998146

Lock screw

1шт.

13

RM 59976548

Шайба упорная / Прокладка

1шт.

16

RM 59313585

Front plate

1шт.

17

RM 59965962

Болт

1шт.

18

RM 59887000

Пробка (заглушка)

1шт.

19

RM 13876065

Cable

1шт.

2

RM 58923962

Control cable

1шт.

20

RM 59096925

Пробка (заглушка)

1шт.

21

RM 59326827

Пробка (заглушка)

1шт.

21

RM 59326827

Пробка (заглушка)

1шт.

3

RM 59889584

Фиттинг

1шт.

4

RM 59889618

Cable sheating

1шт.

5

RM 59787465

Lock screw

1шт.

6

RM 58843970

Side plate

1шт.

7

RM 59096883

Control box

1шт.

8

RM 59040386

Вставка

1шт.

9

RM 59648543

Переключатель

1шт.

9

RM 59648543

Переключатель

1шт.

Выбрано товаров: 21