Запчасти Volvo DD126HF S/N 53537 - 86662 Water Hoses Installation

Схема запчастей Volvo DD126HF S/N 53537 - - 86662 Water Hoses Installation
FIT
1:1
100%

Артикул

Название

Примечание

Количество

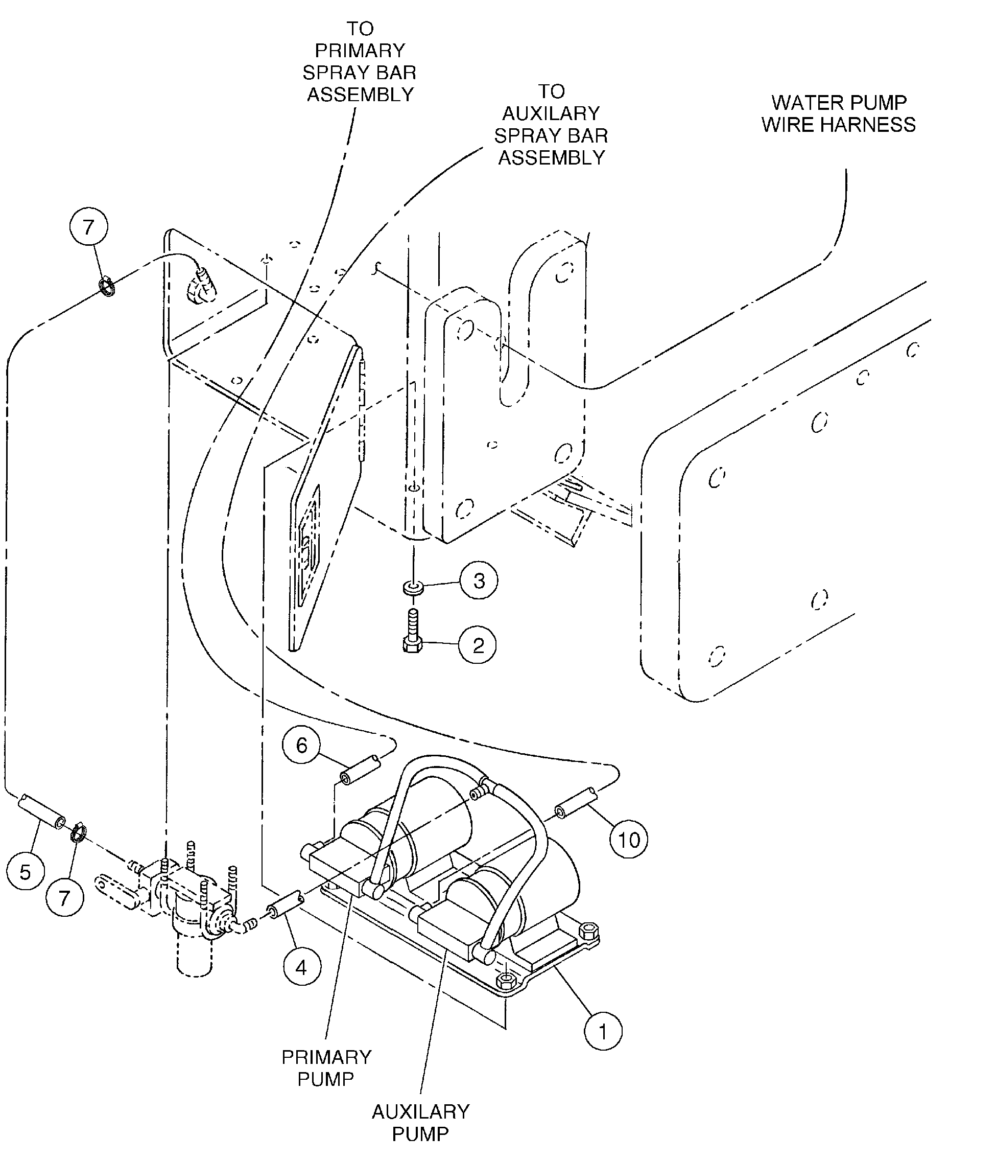
10

RM 59937029

Шланг

1шт.

2

RM 96704564

Винт шестигранник

1шт.

2

RM 96704564

Винт шестигранник

1шт.

3

RM 96741053

Шайба

1шт.

3

RM 96741053

Шайба

1шт.

4

RM 59447185

Шланг

1шт.

4

RM 59447185

Шланг

1шт.

5

RM 59096099

Шланг

1шт.

6

RM 58773433

Hose assembly

1шт.

6

RM 58773433

Hose assembly

1шт.

7

RM 95526653

Hose clamp

1шт.

Выбрано товаров: 11