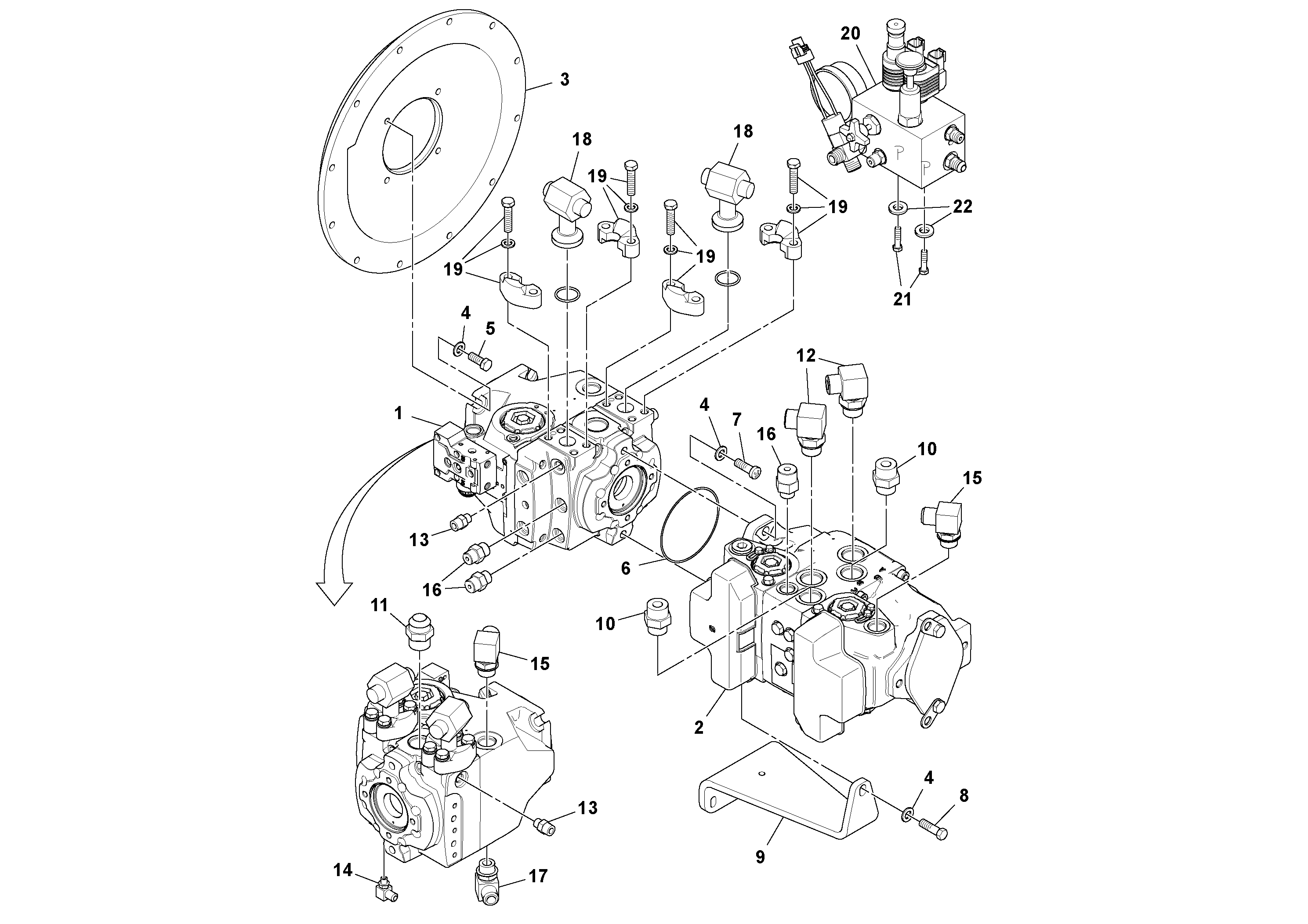
Запчасти Volvo DD132HF/DD138HF/HA/HFA S/N 197527- 100920 Pump Stack Assembly

Схема запчастей Volvo DD132HF/DD138HF/HA/HFA S/N 197527- - 100920 Pump Stack Assembly
FIT
1:1
100%

Артикул

Название

Примечание

Количество

1

RM 43845007

Гидронасос (основной насос)

1шт.

10

RM 59922617

Адаптер

1шт.

10

RM 59922617

Адаптер

1шт.

11

RM 95329983

Адаптер

1шт.

11

RM 95329983

Адаптер

1шт.

12

RM 59922989

Адаптер

1шт.

12

RM 59922989

Адаптер

1шт.

13

RM 59919670

Соединитель

1шт.

13

RM 59919670

Адаптер

1шт.

14

RM 59922823

Адаптер

1шт.

14

RM 59922823

Адаптер

1шт.

15

RM 95280186

Адаптер

1шт.

15

RM 95280186

Адаптер

1шт.

16

RM 95303384

Адаптер

1шт.

17

RM 95330692

Адаптер

1шт.

18

RM 59980482

Адаптер

1шт.

19

RM 13184437

Зажим

1шт.

2

RM 43845015

Гидронасос (основной насос)

1шт.

21

RM 96702659

Винт шестигранник

1шт.

21

RM 96702659

Винт шестигранник

1шт.

22

RM 96741038

Шайба

1шт.

22

RM 96741038

Шайба

1шт.

3

RM 13415328

Mounting plate

1шт.

4

RM 96738596

Шайба

1шт.

5

RM 96702311

Винт шестигранник

1шт.

5

RM 96702311

Винт шестигранник

1шт.

6

RM 95988804

Кольцо уплотнительное (О-кольцо)

1шт.

7

RM 96702444

Винт шестигранник

1шт.

7

RM 96702444

Винт шестигранник

1шт.

8

RM 96705595

Винт шестигранник

1шт.

9

RM 13415336

Support Bracket

1шт.

Выбрано товаров: 0