Запчасти Volvo DD132HF/DD138HF/HA/HFA S/N 197527- 100020 Rotator

Схема запчастей Volvo DD132HF/DD138HF/HA/HFA S/N 197527- - 100020 Rotator
FIT
1:1
100%

Артикул

Название

Примечание

Количество

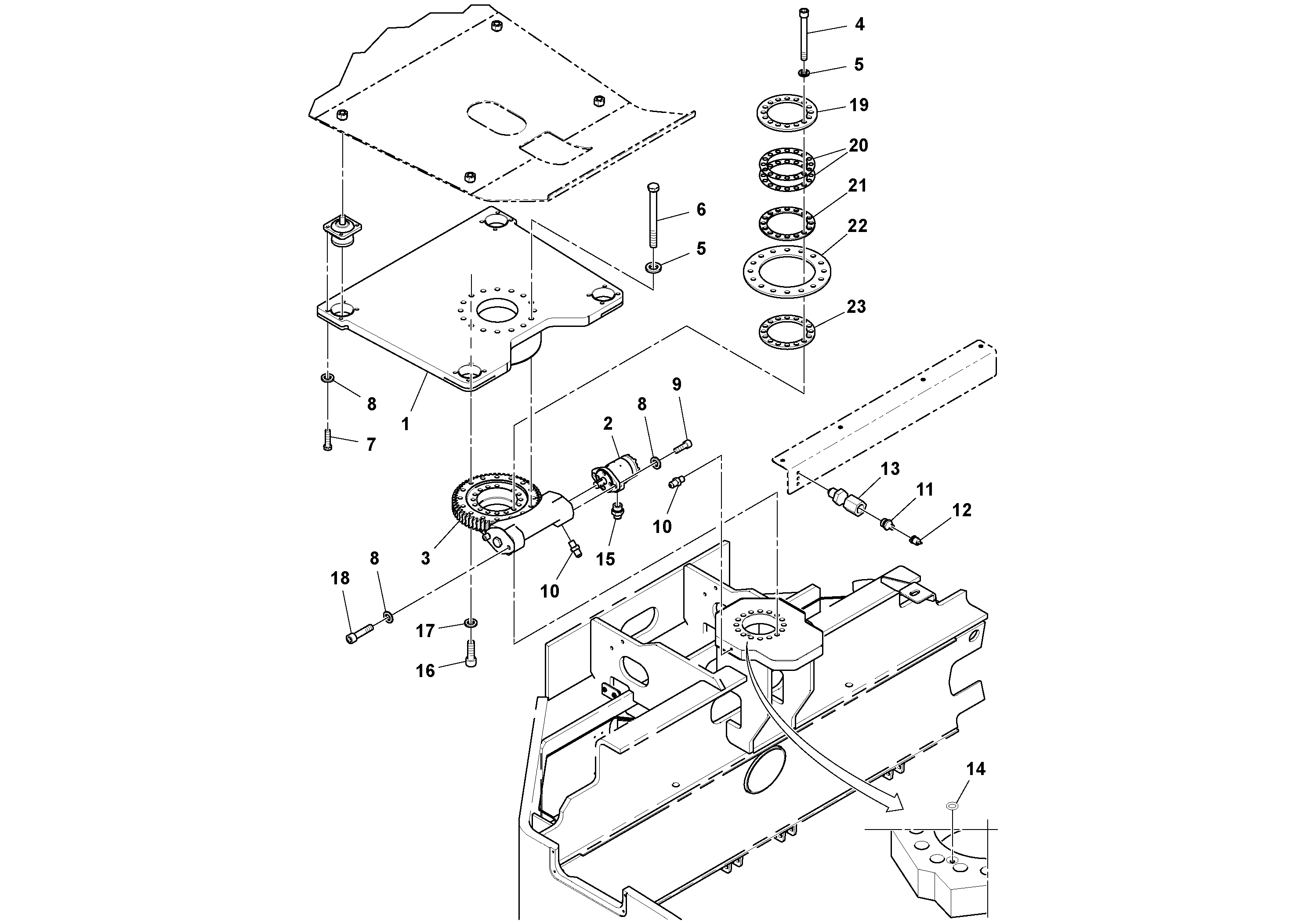
10

RM 95287629

Адаптер

1шт.

10

RM 95287629

Адаптер

1шт.

11

RM 95201547

Фиттинг

1шт.

11

RM 95201547

Фиттинг

1шт.

12

RM 50270248

Cap

1шт.

12

RM 50270248

Cap

1шт.

13

RM 59035741

Адаптер

1шт.

14

RM 95018131

Кольцо уплотнительное (О-кольцо)

1шт.

15

RM 95397394

Адаптер

1шт.

16

RM 96743141

Винт шестигранник (торцевой ключ)

1шт.

17

RM 96714019

Плоская шайба

1шт.

18

RM 46633749

Болт

1шт.

19

RM 46633020

Шестерня коронная (кольцевая, планетарная)

1шт.

2

RM 13439302

Motor, Hyd Gero

1шт.

20

RM 43855345

Вставка

1шт.

21

RM 43855352

Вставка

1шт.

22

RM 46633004

Шестерня коронная (кольцевая, планетарная)

1шт.

23

RM 46633012

Вставка

1шт.

3

RM 13449848

Gearbox, Rotati

1шт.

4

RM 46633723

Болт

1шт.

5

RM 96738612

Плоская шайба

1шт.

5

RM 96738612

Плоская шайба

1шт.

6

RM 46633731

Болт

1шт.

7

RM 96701966

Винт шестигранник

1шт.

8

RM 96738596

Шайба

1шт.

9

RM 46633756

Болт

1шт.

Выбрано товаров: 26