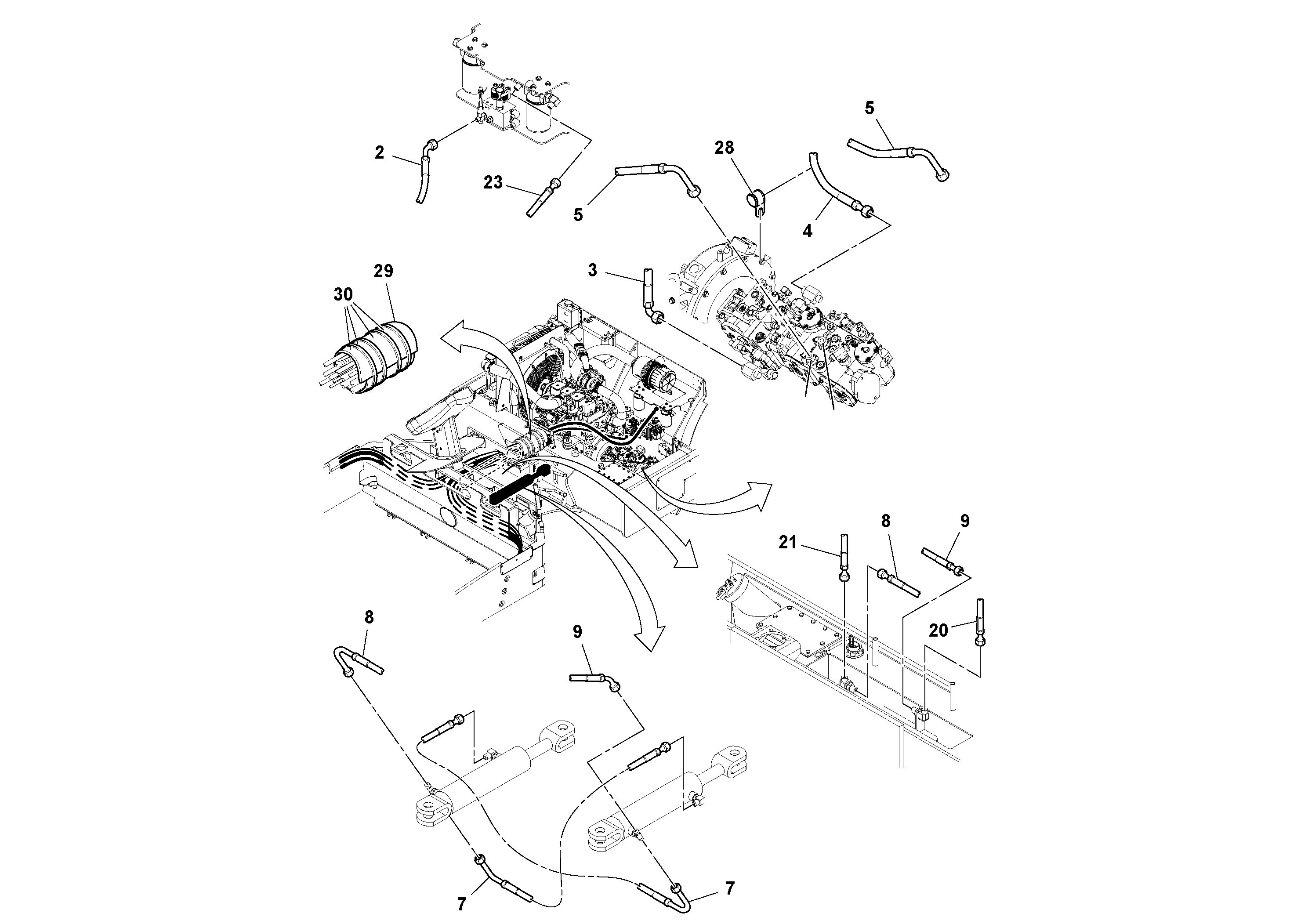
Запчасти Volvo DD132HF/DD138HF/HA/HFA S/N 197527- 21735 Front Hosing Installation

Схема запчастей Volvo DD132HF/DD138HF/HA/HFA S/N 197527- - 21735 Front Hosing Installation
FIT
1:1
100%

Артикул

Название

Примечание

Количество

2

RM 13332531

Hose assembly

1шт.

20

RM 13315585

Hose assembly

1шт.

21

RM 13315593

Hydraulic hose

1шт.

23

RM 13402417

Hose assembly

1шт.

28

RM 95457586

Зажим

1шт.

29

RM 13388137

Guard

1шт.

3

RM 13332549

Hose assembly

1шт.

30

RM 95424586

Cable tie

1шт.

30

RM 95424586

Cable tie

1шт.

4

RM 13402409

Hose assembly

1шт.

5

RM 13286604

Hose assembly

1шт.

7

RM 13286422

Шланг

1шт.

8

RM 13286430

Шланг

1шт.

9

RM 13286448

Шланг

1шт.

Выбрано товаров: 0