Запчасти Volvo DD132HF/DD138HF/HA/HFA S/N 197527- 37201 Front Hosing Installation

Схема запчастей Volvo DD132HF/DD138HF/HA/HFA S/N 197527- - 37201 Front Hosing Installation
FIT
1:1
100%

Артикул

Название

Примечание

Количество

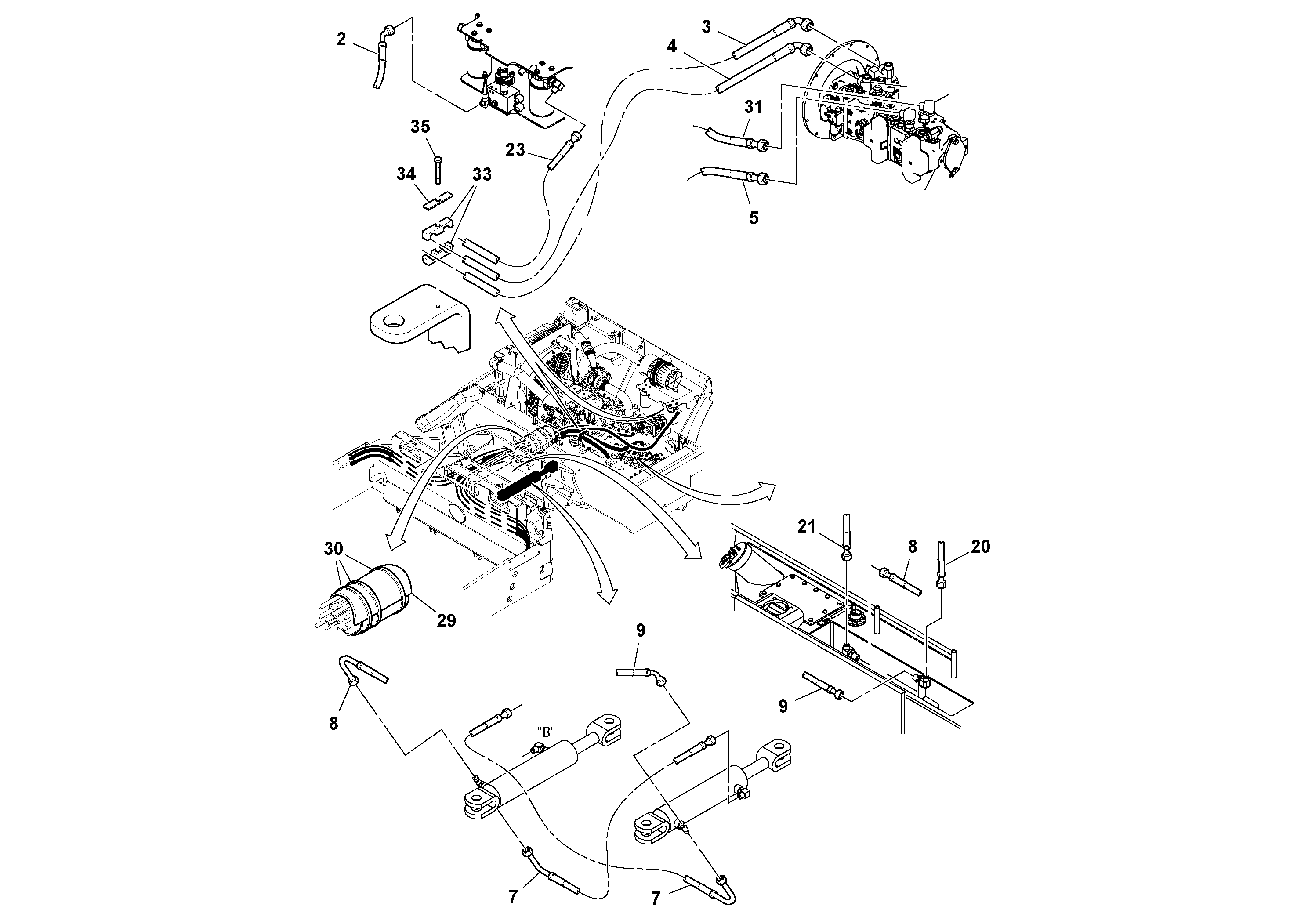
RM 18004085

Hose assembly

DD-138HF

1шт.

RM 18004093

Hose assembly

DD-138HF

1шт.

2

RM 13267794

Рукав высокого давления (РВД)

1шт.

20

RM 13315585

Hose assembly

1шт.

21

RM 13315593

Hydraulic hose

1шт.

23

RM 13402417

Hose assembly

1шт.

29

RM 43958867

Guard

1шт.

3

RM 13176979

Hose assembly

DD-132HF

1шт.

30

RM 95424586

Cable tie

1шт.

30

RM 95424586

Cable tie

1шт.

31

RM 18004036

Hose assembly

1шт.

33

RM 59656330

Зажим

1шт.

33

RM 59656330

Зажим

1шт.

34

RM 59656322

Шайба

1шт.

34

RM 59656322

Шайба

1шт.

35

RM 95920583

Болт

1шт.

4

RM 13180500

Hose assembly

DD-132HF

1шт.

5

RM 18004036

Hose assembly

1шт.

7

RM 13286422

Шланг

1шт.

8

RM 13286430

Шланг

1шт.

9

RM 13286448

Шланг

1шт.

Выбрано товаров: 21